电脑桌面
添加小米粒文库到电脑桌面
安装后可以在桌面快捷访问

国际业务一部VIP免费

国际业务一部_第1页
1/20
国际业务一部_第2页
2/20
国际业务一部_第3页
3/20
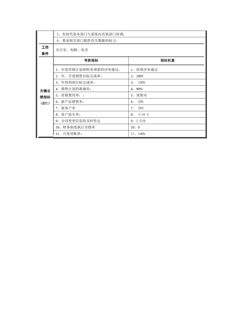
国际业务一部岗位规范(国际业务一部经理)岗位规范...................................2(国际业务一部副经理)岗位规范.................................4(助理业务员)岗位规范..........................................6(业务主管)岗位规范............................................8(业务员)岗位规范..............................................10(国际业务一部经理)岗位规范基本情况职位名称国际业务一部经理职位编号所属部门国际业务一部薪金级别直接上级销售总监直接下属副经理设置目标最大程度地向所有的目标市埸销售公司产品,确保实现公司和部门的年度计划;建立良好的业务关系和稳定的渠道体系并使销售费用在预算控制范围内。职责1、主持本部门的全局工作和日常管理;2、编制本部门的年度、月度销售计划并获得评审通过;3、督导各区域主管编制年度、季度、月度区域业务计划并获得评审通过;4、编制、分解和管理本部门的年度、月度费用预算;5、组织阶段性地开展市场调研,系统地研究、开拓和管理责任市场;6、了解竞争对手和行业最新产品发展趋势,及时提出公司新产品开发需求申请;7、对本部门的发货管理和收汇管理负责;8、收集、整理、批阅本部门的各种业务表单,并汇总提交相关部门;9、督导业务人员做好定单、合同等业务管理工作,并协调生产、技术等相关部门给予充分支持;10、负责处理客户的投诉和突发事件,并代表本部门协调解决;对销售中的缺口进行预报并采取补救措施;11、组织、牵头制定本部门的产品、价格资料库;编制业务资料并定期维护;12、对业务人员进行绩效管理考评并做好记录;对绩效最差的考评对象或有严重差错的人员,应单独沟通督导,作出指引;13、建立和完善客户档案,对重点客户进行深度管理。定期进行客户满意度调查,采取措施不断提高客户满意度;14、负责对本部门人员进行业务培训和励志培训;15、依据企业文化建设团队文化,推动团队业绩的提升;16、加强本部门内部沟通;培养良好的团队合作氛围。日常工作日常关注:产品、技术、市场、竞争者、客户等方面信息;财务报表、工作效率;部门间协调事件、行业经济信息。1、与有关部门交流沟通;2、各岗位巡视检查,与员工见面;3、听取业务汇报,督导各岗位工作推进;4、协调多岗位参与的协作;5、参阅有关文件、资料、财务表单等;6、应急处理市场、客户的重大问题。定期工作定期关注:计划成果、财务报表、产品结构、市场变化、回款率、价格竞争力、团队稳定性、政策竞争力、宣传促销、竞争信息。1、召开周度、月度工作例会,对周度、月度工作计划和总结进行评审和考核;2、重要客户沟通;3、执行规章制度中所列定期工作;执行工作计划中已定期安排的工作;4、定期述职。职权1、有对本部门人员考核权3、在销售计划的范畴内有权按照市场变化来调整本部的资源配置;2、在规定范围内,有权核报本部业务人员的业务费用;3、在销售计划的范畴内有权按照市场变化来调整本部的资源配置;4、在授权的范畴内调整本部门的销售政策;5、有权代表本部门与系统内其他部门协调;6、要求相关部门提供有关数据的权力。工作条件办公室、电脑、电话关键业绩指标(KPI)考核指标指标权重1、年度营销计划和财务预算的评审通过;1、获得评审通过2、年、月度销售目标完成率;2、100%3、年度利润目标完成率:3、100%4、销售计划的准确率;4、90%5、营销费用率;;5、预算内6、新产品销售率;6、20%7、新客户率7、20%8、客户流失率:8、≤10%9、合同变更信息的及时传达9、2天内10、财务制度执行差错率10、011、月度对帐率;11、100%工作关系内部工作关系汇报督导协调外部工作关系任职资格学历大专以上专业国际贸易、营销管理、经济管理年龄25-35岁性别不限性格能承受强大的工作压力工作经验1、五年以上大中型企业外贸工作经验,三年以上同等职位管理经验;2、掌握国际贸易、营销团队管理、财务、信息管理的现代化管理方法和手段岗位所需知识1、营销管理、企业管理知识2、国际贸易、外贸英语、财务和信息管理知识3、文具行业知识岗位技能要求1、国际市埸预测和开拓经营能力,有较强的市埸分析判...

1、当您付费下载文档后,您只拥有了使用权限,并不意味着购买了版权,文档只能用于自身使用,不得用于其他商业用途(如 [转卖]进行直接盈利或[编辑后售卖]进行间接盈利)。
2、本站所有内容均由合作方或网友上传,本站不对文档的完整性、权威性及其观点立场正确性做任何保证或承诺!文档内容仅供研究参考,付费前请自行鉴别。
3、如文档内容存在违规,或者侵犯商业秘密、侵犯著作权等,请点击“违规举报”。

碎片内容

国际业务一部

您可能关注的文档

确认删除?
VIP
微信客服
  • 扫码咨询
会员Q群
  • 会员专属群点击这里加入QQ群
客服邮箱
回到顶部