电脑桌面
添加小米粒文库到电脑桌面
安装后可以在桌面快捷访问

竖向钢筋电渣压力焊接工法(1)VIP免费

竖向钢筋电渣压力焊接工法(1)_第1页
1/7
竖向钢筋电渣压力焊接工法(1)_第2页
2/7
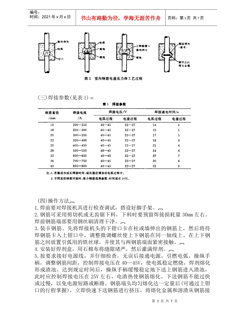
竖向钢筋电渣压力焊接工法(1)_第3页
3/7
第1页共7页编号:时间:2021年x月x日书山有路勤为径,学海无涯苦作舟页码:第1页共7页竖向钢筋电渣压力焊接工法(TLEJGF-93-39)一、前言随着我国经济建设与建筑技术的迅速发展,现浇钢筋混凝土结构日益增多,尤其在高层建筑中,钢筋的直径大,用量多,现场施工中钢筋的竖向连接技术已成为工程单位普遍重视的问题。我局从1983年开始在一些工程中采用竖向钢筋电渣压力焊接工艺(这项工艺通过了局级鉴定并获得局科技进步奖),后来,随着焊接机具的不断改进以及大量工程实践经验的积累,焊接工艺得以进一步发展和提高,形成了本工法。二、工法特点1.提高焊接质量,加快工程进度,改善劳动环境,降低工人的劳动强度,社会效益显著。2.本工法焊接的轧后余热处理钢筋(国产新Ⅲ级钢筋),焊后不会发生减强效应,扩大了电渣压力焊接工艺的应用范围。3.与绑扎和电弧焊相比,采用本工法可改善被焊钢筋的受力状况,提高混凝土的灌筑质量,节约大量钢筋和电焊条,综合经济效益显著。4.与气压焊工艺相比,采用本工法钢筋端面不需进行特殊处理,简化了操作工艺。三、适用范围本工法适用于现浇钢筋混凝土建筑物或构筑物中(包括桥墩、水坝等)直径≤40mm的Ⅰ—Ⅲ级、新Ⅲ级竖向或斜向(倾斜度在4∶1范围内)钢筋的连接。第2页共7页第1页共7页编号:时间:2021年x月x日书山有路勤为径,学海无涯苦作舟页码:第2页共7页本工法要求电源电压为380V,低于5%时不宜施焊。雨、雪天气如无有效的遮蔽设施,不得采用本工法施工。四、基本原理利用被焊钢筋之间通电后产生的电弧热熔化周围的焊剂而获得2000℃以上的高温渣池,将钢筋端头均匀熔化,再施加适当的挤压力形成牢固的接头(见图1)。五、焊接工艺(一)工艺流程钢筋端部清理→安装焊接机头→装卡钢筋→放置铁丝球→安装焊剂盒→装填焊剂→接通电源、引弧、电弧、电渣→断电挤压→回收剩余焊剂→拆除焊接机头→敲去渣壳→质量检查。(二)工艺过程(见图2)第3页共7页第2页共7页编号:时间:2021年x月x日书山有路勤为径,学海无涯苦作舟页码:第3页共7页(三)焊接参数(见表1)(四)操作方法1.焊前要对焊接机具进行检查调试,搭设好脚手架。2.钢筋可采用剪切机或无齿锯下料,下料时要预留焊接损耗量30mm左右。焊前钢筋端部要用钢丝刷清理干净。3.装卡钢筋。先将焊接机头的下钳口卡在柱或墙伸出的钢筋上,然后将待焊钢筋卡入上钳口中,调整微调螺丝使上下钢筋在同一轴线上。在上下钢筋之间放置引弧用的铁丝球,并使其与两钢筋端面紧密接触。4.安装好焊剂盒,用石棉布将缝隙堵严,然后灌满焊剂。5.按要求接好电源线,并仔细检查,无误后接通电源,引燃电弧,操纵手柄,调整钢筋间距,控制焊接电压在40—45V,使电弧稳定燃烧,焊剂熔化形成渣池。达到规定时间后,操纵手柄缓慢稳定地下送上钢筋进入渣池,此时应控制焊接电压在25V左右,电渣热使钢筋熔化。下送钢筋不能过快或过慢,以免电源短路或断路。钢筋端头均匀熔化达一定量后(可通过上钳口的行程掌握),立即快速下送钢筋进行挤压,将熔化金属和溶渣从钢筋接第4页共7页第3页共7页编号:时间:2021年x月x日书山有路勤为径,学海无涯苦作舟页码:第4页共7页合面中挤出,同时切断电源。挤压力无需很大,靠上钢筋自重即可。挤压延时几秒钟松开手柄。6.如采用自动焊接机头,则电弧过程、电渣过程、挤压过程可自动控制。7.焊接完成保温15—20s后,方可打开焊剂盒回收焊剂。在气温0℃以下焊接时,保温时间需适当延长。8.在整个焊接过程中,上钢筋必须有辅助工扶正扶稳,不得晃动和互相碰撞。(五)操作要点引弧过程力求可靠,电弧过程延时充分,电渣过程短而稳定,挤压过程快速果断。(六)在焊接轧后余热处理钢筋时,为避免热影响区过大而出现焊后减强效应,除掌握上述操作方法和要点外,还需注意以下事项:1.电源电压不得低于370V。2.焊接电流比表1中同直径钢筋提高一级,时间缩短10%。3.电渣过程的时间应严格控制。4.挤压时,除利用上钢筋自重外,还应增加0.3—0.5MPa挤压力。(七)焊接大直径(36mm以上)钢筋注意事项:1.钢筋下料时,应使端面尽量平整。2.焊接过...

1、当您付费下载文档后,您只拥有了使用权限,并不意味着购买了版权,文档只能用于自身使用,不得用于其他商业用途(如 [转卖]进行直接盈利或[编辑后售卖]进行间接盈利)。
2、本站所有内容均由合作方或网友上传,本站不对文档的完整性、权威性及其观点立场正确性做任何保证或承诺!文档内容仅供研究参考,付费前请自行鉴别。
3、如文档内容存在违规,或者侵犯商业秘密、侵犯著作权等,请点击“违规举报”。

碎片内容

竖向钢筋电渣压力焊接工法(1)

中小学教育精品资料+ 关注
实名认证
内容提供者

中小学教育资料,优质文档创作者

确认删除?
VIP
微信客服
  • 扫码咨询
会员Q群
  • 会员专属群点击这里加入QQ群
客服邮箱
回到顶部