电脑桌面
添加小米粒文库到电脑桌面
安装后可以在桌面快捷访问

某著名xx公司IT企业薪酬制度VIP免费

某著名xx公司IT企业薪酬制度_第1页
1/8
某著名xx公司IT企业薪酬制度_第2页
2/8
某著名xx公司IT企业薪酬制度_第3页
3/8
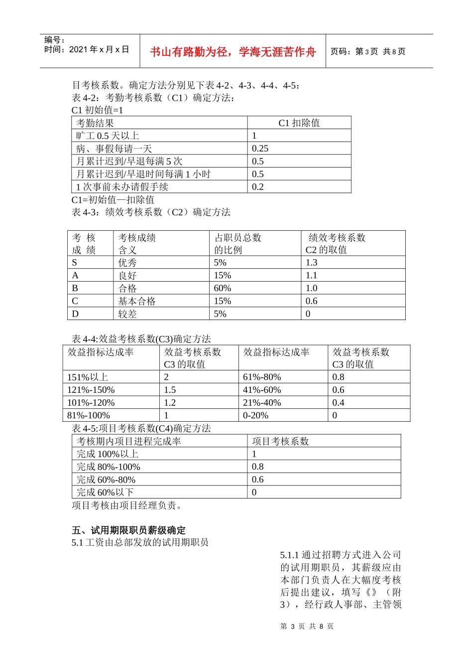
第1页共8页编号:时间:2021年x月x日书山有路勤为径,学海无涯苦作舟页码:第1页共8页某著名xx公司IT企业薪酬制度(试行方案)一、总则1.1为规范职员工资的确定及调整办法等有关事项,特制定本制度。1.2本制度适用于公司全体职员(即惠州本部胶驻外工作的职员)。本制度所指工资,是指每月定期发放的工资,不含奖金和津贴事项(技术系列的项目津贴除外)。二、工资结构2.1职员工资由固定工资、浮动工资两部门组成。2.2固定工资包括:基本工资、技能工资、住房补贴、医疗补贴。固定工资是根据职员的职务、资历、学历、技能等因素确定的、相对固定的工作报酬。2.3浮动工资包括:考勤工资、绩效工资、效益工资,项目开发人员还有项目津贴。浮动工资是根据员工考勤表现、工作绩效及公司经营业绩确定的、不固定的工资报酬,每月调整一次。2.4项目津贴自研发项目经总经理批准立项后,于相关研发人员当月工资中发放。项目经理每月对相关研发人员进行考核,确定发放比例,最高为工资标准的20%。2.5项目完成情况由公司技术战略发展委员会进行评估。项目如提前或按期完成,项目津贴自完成当月停发。在预定的截止时间,如项目完成率低60%,项目津贴自当月停发;如项目完成率高于60%,项目津贴继续发放,直至项目完成当月为止。技术战略发展委员会根据项目评估价值、完成的质量、进度情况,确定项目奖的发放。2.6职员工资扣除项目包括:个人所得税、教育金、缺勤、扣款(含押金、借款、罚款等)、代扣社保费、代扣补充保险费、代扣住房公积金。2.7职员工资发放如有错漏,或需退还捐款时,将在下月工资“补杂”项补发。三、工资系列3.1公司根据不同职务性质,分别制定行政、技术、营销三类工资系列。3.2行政工资系列适于于从事行政、财务、生产等日常管理或事务工作的职员。3.3技术工资系列适用于从事产品技术开发、生产技术、品质管理等专业技术工作的人员。3.4营销工资系列适用于从事营销、推广及相关工作的职员,包括市场本部及难驻外机构所有职员。3.5职员工资系列适用范围详见下表3-1:表3-1工资系列适用范围工资系列适用范围行政工资1、总经理办公会成员2、总部助理部长以上职员(市场本部及下属部门除外)3、总经办、行政人事部、财务部、审计部、物料供应部所有职员4、研究部、工业设计部、技术工程部、生产技术部、质量管理部、第2页共8页第1页共8页编号:时间:2021年x月x日书山有路勤为径,学海无涯苦作舟页码:第2页共8页生产部从事非专业技术工作的职员技术系列研究部、工资设计部、技术工程部、生产技术部、质量管理部、市场推广部、客户服务部所有职员营销系列1、市场本部及下属市场管理部、行业销售部、市场推广部、销售计划部、客户服务部所有职员2、驻外机构所有职员(含经理、财务经理等)四、工资计算方法4.1工资计算工式:实发工资=应发工资+补杂项目-扣除项目应发工资=固定工资+浮动工资固定工资=基本工资+技能工资+住房补贴+医疗补贴=工资标准×固定工资系数之和浮动工资=考勤工资+绩效工资+效益工资=工资标准×浮动工资系数之和4.2工资标准的确定:根据职员所属的工资系列\职务,确定职员薪级.再根据职员薪级,确定对应的工资标准。参见《职员职务-薪级对照表》、《职员薪级表》。4.3;固定工资与浮动工资的标准系数设定:设工资标准为1,;固定工资标准系数为A,其中基本工资、技能工资、住房补贴、医疗补贴标准系数为别为A1、A2、A3、A4,A=A1+A2+A3+A4。浮动工资标准系数为B,其中考勤工资、绩效工资、效益工资、项目津贴标准系数分别为B1、B2、B3、B4,B=B1+B2+B3+B4。以上系数的标准设定说明如下表4-1:表4-1:工资项目标准系数高级定工资系列固定工资标准系数(A)浮动工资标准系数(B)合计基本工资(A1)技能工资(A2)住房补贴(A3)医疗补贴(A3)合计考勤工资(B1)绩效工资(B2)效益工资(B3)项目工资(B4)行政系列0.70.20.40.080.020.30.10.10.1/技术系列0.70.20.40.080.020.50.10.10.10.2营销系列0.50.20.20.080.020.50.10.10.3/4.4固定工资计算方法:固定工资=基本工资+技能工资+住房补贴+医疗补贴=工资标准*(A1+A2+A3+A4)4.5浮动工资计算方法:浮...

1、当您付费下载文档后,您只拥有了使用权限,并不意味着购买了版权,文档只能用于自身使用,不得用于其他商业用途(如 [转卖]进行直接盈利或[编辑后售卖]进行间接盈利)。
2、本站所有内容均由合作方或网友上传,本站不对文档的完整性、权威性及其观点立场正确性做任何保证或承诺!文档内容仅供研究参考,付费前请自行鉴别。
3、如文档内容存在违规,或者侵犯商业秘密、侵犯著作权等,请点击“违规举报”。

碎片内容

某著名xx公司IT企业薪酬制度

您可能关注的文档

精品中小学文档+ 关注
实名认证
内容提供者

精品资料,值得下载

确认删除?
VIP
微信客服
  • 扫码咨询
会员Q群
  • 会员专属群点击这里加入QQ群
客服邮箱
回到顶部