电脑桌面
添加小米粒文库到电脑桌面
安装后可以在桌面快捷访问

浙江省公路水运工程工地试验室技术考核实施细则附表VIP免费

浙江省公路水运工程工地试验室技术考核实施细则附表_第1页
1/53
浙江省公路水运工程工地试验室技术考核实施细则附表_第2页
2/53
浙江省公路水运工程工地试验室技术考核实施细则附表_第3页
3/53
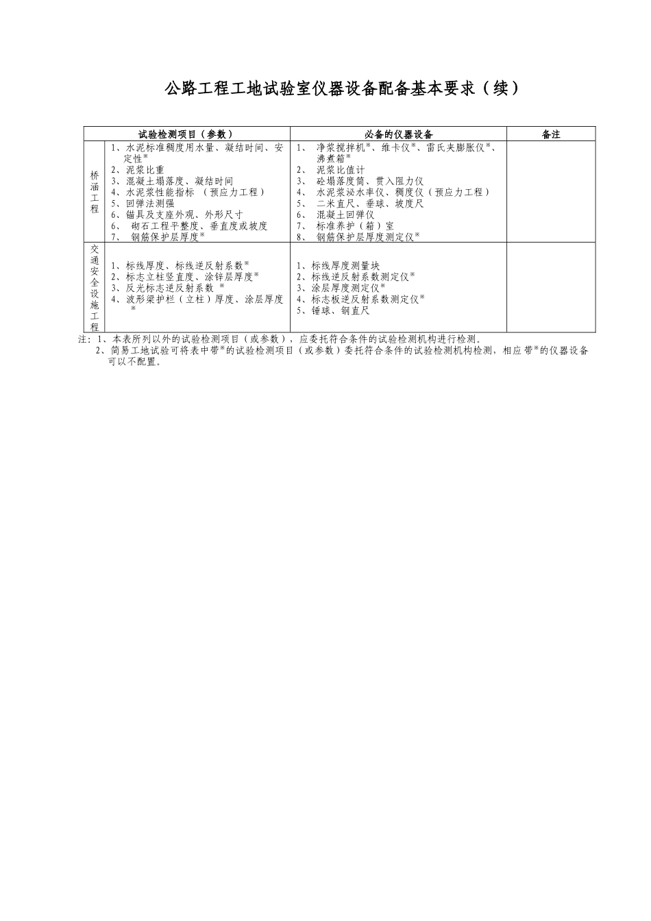
浙江省公路水运工程工地试验室技术考核实施细则附表附件一公路工程工地试验室仪器设备配备基本要求试验检测项目(参数)必备的仪器设备备注通用1、含水量(土、集料、混合料)2、筛分(粗细集料、砂砾、宕渣)3、混凝土、砂浆试件制作4、集料含泥量、泥块含量、针片状含量、密度,细集料云母含量5、路基路面及桥面平整度6、结构层厚度、宽度、横坡度7、结构构件外形尺寸8、工程产品外观及外形尺寸(锚具、支座、伸缩缝、标志等)1、标准筛2、天平(感量0.01、0.1、1.0克各1台)3、浸水天平(感量1g)4、案称或电子称(感量1g)5、恒温干燥箱6、游标卡尺(除路基工程)7、针片状规(水泥混凝土工程)8、三米直尺9、钢卷尺、钢直尺10、容量瓶、烧杯、瓷盘、容积筒、铝盒等若干11、混凝土、砂浆试模若干路基工程1、环刀法压实度(含土的容重、含水量)2、土的液塑限※3、宕渣筛分、含泥量4、重型击实※5、宕渣综合毛体积密度※6、灌砂法压实度、回弹弯沉※7、水泥浆比重(有水泥搅拌桩工程)8、石灰剂量(灰土路基)※1、环刀若干(含取土器)2、液塑限联合测定仪※3、重型击实仪※4、脱模器※5、灌砂筒(Ф150)6、贝克曼梁2支(含百分表)※7、泥浆比重计(有水泥搅拌桩工程)8、直读式测钙仪(或滴定装置)※路面基层1、基层材料塑性指数※2、重型击实试验※3、石灰或水泥剂量※4、7d无侧限抗压强度※5、基层压实度※、回弹弯沉※6、半刚性基层取芯1、液塑限测定仪※2、重型型击实仪※3、直读式测钙仪(或滴定装置)※4、路面材料强度仪※5、反力框架、千斤顶(或200T压力机)、脱模器※6、灌砂筒(Ф150)※7、取芯机9、贝克曼梁2支(含百分表)※10、标准养护室(箱)石灰或水泥剂量、7d无侧限抗压强度外委试验时,应满足延时时间的要求。沥青砼路面1、粗集料粘附性;细集料砂当量※、棱角性※、亚甲蓝试验※2、沥青三大指标3、洒布法沥青用量4、沥青混合料油石比※、稳定度※、流值※、级配5、路面取芯6、路面摆值※、构造深度、渗水系数、压实度※、弯沉※1、砂当量仪※、棱角性仪※2、沥青针入度仪、延度仪、软化点仪3、马歇尔试验仪※4、沥青抽提仪※5、路面摆值仪※、渗水仪、铺砂仪7、恒温水浴,电炉8、沥青温度计、红外线温度测定仪9、取芯机10、贝克曼梁2支(含百分表)※水泥砼路面1、水泥标准稠度用水量、凝结时间、安定性※2、混凝土塌落度、凝结时间3、路面取芯4、路面构造深度1、净浆搅拌机※、维卡仪※、雷氏夹膨胀仪※、沸煮箱※2、砼塌落度筒、贯入阻力仪3、铺砂仪4、取芯机5、标准养护(箱)室。公路工程工地试验室仪器设备配备基本要求(续)试验检测项目(参数)必备的仪器设备备注桥涵工程1、水泥标准稠度用水量、凝结时间、安定性※2、泥浆比重3、混凝土塌落度、凝结时间4、水泥浆性能指标(预应力工程)5、回弹法测强6、锚具及支座外观、外形尺寸6、砌石工程平整度、垂直度或坡度7、钢筋保护层厚度※1、净浆搅拌机※、维卡仪※、雷氏夹膨胀仪※、沸煮箱※2、泥浆比值计3、砼塌落度筒、贯入阻力仪4、水泥浆泌水率仪、稠度仪(预应力工程)5、二米直尺、垂球、坡度尺6、混凝土回弹仪7、标准养护(箱)室8、钢筋保护层厚度测定仪※交通安全设施工程1、标线厚度、标线逆反射系数※2、标志立柱竖直度、涂锌层厚度※3、反光标志逆反射系数※4、波形梁护栏(立柱)厚度、涂层厚度※1、标线厚度测量块2、标线逆反射系数测定仪※3、涂层厚度测定仪※4、标志板逆反射系数测定仪※5、锤球、钢直尺注:1、本表所列以外的试验检测项目(或参数),应委托符合条件的试验检测机构进行检测。2、简易工地试验可将表中带※的试验检测项目(或参数)委托符合条件的试验检测机构检测,相应带※的仪器设备可以不配置。水运工程工地试验室仪器设备配备基本要求试验检测项目(参数)必备的仪器设备备注通用1、含水量(土、集料、混合料)2、粗细集料筛分3、混凝土、砂浆试件制作4、集料含泥量、泥块含量、针片状含量、密度,细集料云母含量5、结构、构件外形尺寸6、工程产品外观及外形尺寸(锚具、支座、伸缩缝、标志、护弦等)1、标准筛2、天平(感量0.01、0.1、1.0克各1台)3、浸水...

1、当您付费下载文档后,您只拥有了使用权限,并不意味着购买了版权,文档只能用于自身使用,不得用于其他商业用途(如 [转卖]进行直接盈利或[编辑后售卖]进行间接盈利)。
2、本站所有内容均由合作方或网友上传,本站不对文档的完整性、权威性及其观点立场正确性做任何保证或承诺!文档内容仅供研究参考,付费前请自行鉴别。
3、如文档内容存在违规,或者侵犯商业秘密、侵犯著作权等,请点击“违规举报”。

碎片内容

浙江省公路水运工程工地试验室技术考核实施细则附表

您可能关注的文档

确认删除?
VIP
微信客服
  • 扫码咨询
会员Q群
  • 会员专属群点击这里加入QQ群
客服邮箱
回到顶部