电脑桌面
添加小米粒文库到电脑桌面
安装后可以在桌面快捷访问

太阳能安装规范VIP免费

太阳能安装规范_第1页
1/17
太阳能安装规范_第2页
2/17
太阳能安装规范_第3页
3/17
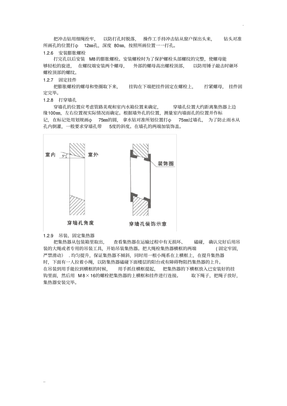
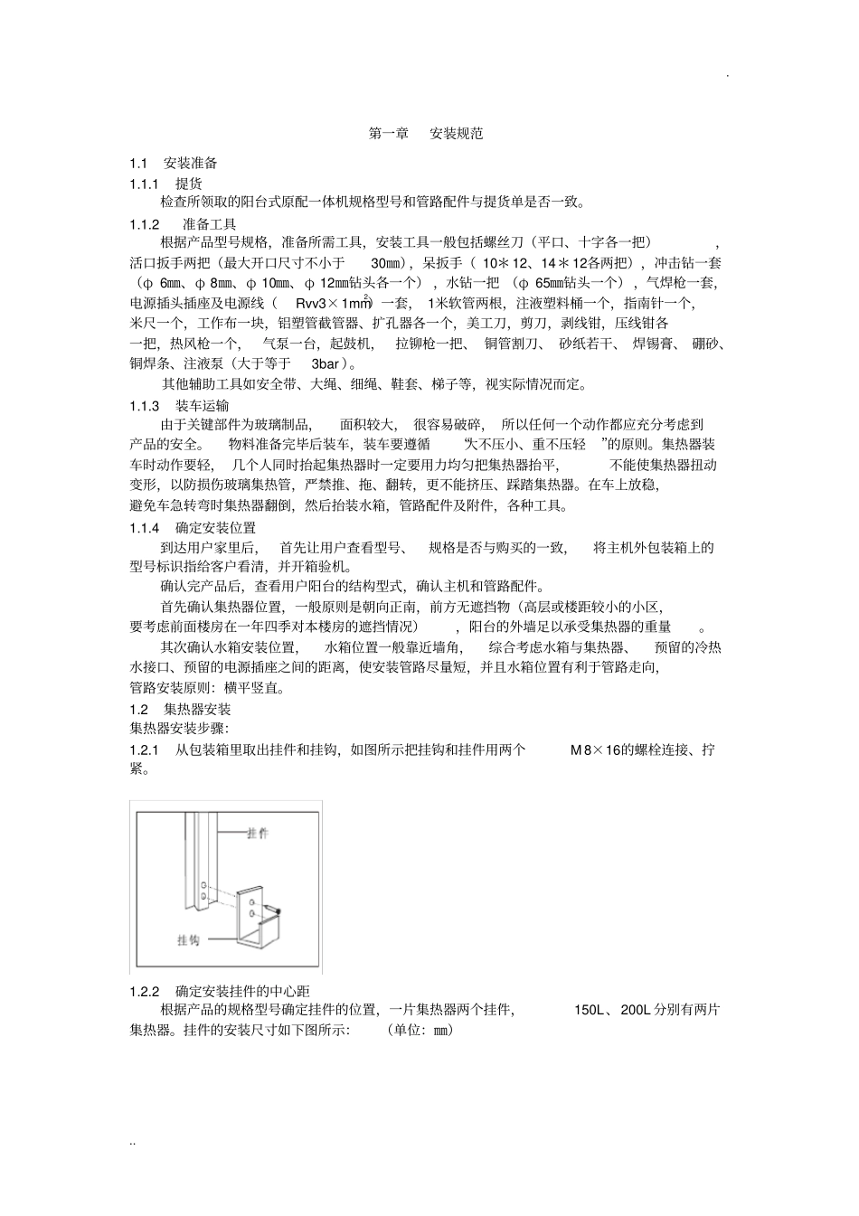
...第一章安装规范1.1安装准备1.1.1提货检查所领取的阳台式原配一体机规格型号和管路配件与提货单是否一致。1.1.2准备工具根据产品型号规格,准备所需工具,安装工具一般包括螺丝刀(平口、十字各一把),活口扳手两把(最大开口尺寸不小于30㎜),呆扳手(10*12、14*12各两把),冲击钻一套(φ6㎜、φ8㎜、φ10㎜、φ12㎜钻头各一个),水钻一把(φ65㎜钻头一个),气焊枪一套,电源插头插座及电源线(Rvv3×1mm2)一套,1米软管两根,注液塑料桶一个,指南针一个,米尺一个,工作布一块,铝塑管截管器、扩孔器各一个,美工刀,剪刀,剥线钳,压线钳各一把,热风枪一个,气泵一台,起鼓机,拉铆枪一把、铜管割刀、砂纸若干、焊锡膏、硼砂、铜焊条、注液泵(大于等于3bar)。其他辅助工具如安全带、大绳、细绳、鞋套、梯子等,视实际情况而定。1.1.3装车运输由于关键部件为玻璃制品,面积较大,很容易破碎,所以任何一个动作都应充分考虑到产品的安全。物料准备完毕后装车,装车要遵循“大不压小、重不压轻”的原则。集热器装车时动作要轻,几个人同时抬起集热器时一定要用力均匀把集热器抬平,不能使集热器扭动变形,以防损伤玻璃集热管,严禁推、拖、翻转,更不能挤压、踩踏集热器。在车上放稳,避免车急转弯时集热器翻倒,然后抬装水箱,管路配件及附件,各种工具。1.1.4确定安装位置到达用户家里后,首先让用户查看型号、规格是否与购买的一致,将主机外包装箱上的型号标识指给客户看清,并开箱验机。确认完产品后,查看用户阳台的结构型式,确认主机和管路配件。首先确认集热器位置,一般原则是朝向正南,前方无遮挡物(高层或楼距较小的小区,要考虑前面楼房在一年四季对本楼房的遮挡情况),阳台的外墙足以承受集热器的重量。其次确认水箱安装位置,水箱位置一般靠近墙角,综合考虑水箱与集热器、预留的冷热水接口、预留的电源插座之间的距离,使安装管路尽量短,并且水箱位置有利于管路走向,管路安装原则:横平竖直。1.2集热器安装集热器安装步骤:1.2.1从包装箱里取出挂件和挂钩,如图所示把挂钩和挂件用两个M8×16的螺栓连接、拧紧。1.2.2确定安装挂件的中心距根据产品的规格型号确定挂件的位置,一片集热器两个挂件,150L、200L分别有两片集热器。挂件的安装尺寸如下图所示:(单位:㎜)...1.2.3确定安装挂件高度位置确定完集热器的安装挂件中心距以后,再确认挂件的安装高度(保证集热器安装完毕后上方有150MM的空间便于布置集热器进出水管路)。根据阳台结构确定挂件的位置,保证集热器出口位置的挂件比另一端挂件安装位置高出20㎜,以有利于管道循环。1.2.4确定打孔的位置把挂件放置于所画中心线的位置,用铅笔或记号笔在墙上画出孔的位置1.2.5打孔...把冲击钻用细绳拴牢,以防打孔时脱落,操作工手持冲击钻从窗户探出头来,钻头对准所画孔的位置打φ12㎜孔,深度80㎜,按照所画位置一一打孔。1.2.6安装膨胀螺栓打完孔以后安装M8的膨胀螺栓。安装螺栓时为了保护螺栓头部螺纹的完整,使螺母能够轻松的旋进,在螺纹端安装两个螺母,外部的螺母高出螺栓顶部,以防用锤子敲击时砸坏螺栓顶部的螺纹。1.2.7固定挂件把膨胀螺栓的螺母和垫圈取下来,挂钩在下端把挂件固定在螺栓上,拧紧螺母,挂件固定完毕。1.2.8打穿墙孔穿墙孔的位置应考虑管路美观和室内水箱位置来确定,穿墙孔位置大约距离集热器上边缘100㎜,左右位置视实际情况而确定。根据墙外孔的位置,测量室内墙面孔的位置并作标记,在标记处用划规画φ75㎜的圆,拿水钻对准所划位置打φ75㎜过墙孔,为了防止雨水从孔内倒灌,一般要求穿墙孔带5度的斜度。在墙孔的两端加装饰盖。1.2.9吊装、固定集热器把集热器从包装箱里取出,查看集热器在运输过程中有无损坏、磕碰,确认完好后用吊装的大绳或者专用的吊装工具,开始吊装集热器。把大绳栓集热器横框的两端(固定牢固,严禁滑动).均匀提升,保证集热器不倾斜,同时用一根小绳系在上横框上,在提升集热器时,下面有一人拉着小绳,以防集热器磕碰下面楼层的阳台或有障碍物阻挡集热器的上升。在吊装到用手能拉到横框的时候,用手抓住横框提起,把集热器的下横框放...

1、当您付费下载文档后,您只拥有了使用权限,并不意味着购买了版权,文档只能用于自身使用,不得用于其他商业用途(如 [转卖]进行直接盈利或[编辑后售卖]进行间接盈利)。
2、本站所有内容均由合作方或网友上传,本站不对文档的完整性、权威性及其观点立场正确性做任何保证或承诺!文档内容仅供研究参考,付费前请自行鉴别。
3、如文档内容存在违规,或者侵犯商业秘密、侵犯著作权等,请点击“违规举报”。

碎片内容

太阳能安装规范

确认删除?
VIP
微信客服
  • 扫码咨询
会员Q群
  • 会员专属群点击这里加入QQ群
客服邮箱
回到顶部