电脑桌面
添加小米粒文库到电脑桌面
安装后可以在桌面快捷访问

2024年造价员土建卷真题和答案VIP免费

2024年造价员土建卷真题和答案_第1页
1/19
2024年造价员土建卷真题和答案_第2页
2/19
2024年造价员土建卷真题和答案_第3页
3/19
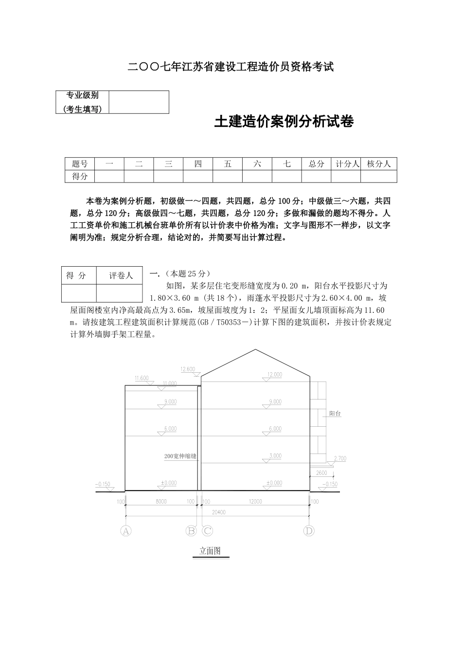
二○○七年江苏省建设工程造价员资格考试土建造价案例分析试卷题号一二三四五六七总分计分人核分人得分本卷为案例分析题,初级做一~四题,共四题,总分100分;中级做三~六题,共四题,总分120分;高级做四~七题,共四题,总分120分;多做和漏做的题均不得分。人工工资单价和施工机械台班单价所有以计价表中价格为准;文字与图形不一样步,以文字阐明为准;规定分析合理,结论对的,并简要写出计算过程。一.(本题25分)如图,某多层住宅变形缝宽度为0.20m,阳台水平投影尺寸为1.80×3.60m(共18个),雨蓬水平投影尺寸为2.60×4.00m,坡屋面阁楼室内净高最高点为3.65m,坡屋面坡度为1:2;平屋面女儿墙顶面标高为11.60m。请按建筑工程建筑面积计算规范(GB/T50353-)计算下图的建筑面积,并按计价表规定计算外墙脚手架工程量。阳台200宽伸缩缝专业级别(考生填写)得分评卷人建筑面积和工程量计算表序号项目名称计算公式二.(本题25分)如图,某单位办公楼屋面现浇钢筋砼有梁板,板厚为100mm,A、B、1、4轴截面尺寸为240×500mm,2、3轴截面尺寸为240×350mm,柱截面尺寸为400×400mm。请根据计价表的有关规定,计算现浇钢筋砼有梁板的砼工程量、模板工程量(按接触面积计算)。得分评卷人工程量计算表序号项目名称单位计算公式数量三.(本题25分)根据下表提供的子目名称及做法,请按04计价表填写所列子目的计价表编号和综合单价,其他未阐明的,按计价表执行。(人工、材料、机械单价和管理费费率、利润费率按计价表子目不做调整,项目未注明者均位于标高20m如下)计价表编号子目名称及做法单位有换算的列简要换算过程综合单价(元)自卸汽车运土,运距2Km(正铲挖掘机装车)胶泥接桩断面350*350M10混合砂浆KP1粘土多孔砖240×115×901砖墙得分评卷人C25现浇自拌钢筋砼平板,板坡度15º(砼工程)C20细石砼刚性防水屋面无分隔缝50mm厚水泥砂浆贴大理石踢脚线120mm高外墙面水泥砂浆贴釉面砖150*90(勾缝,面砖0.5元/块)基础梁复合木模板(梁底有垫层)四.(本题25分)如图,某单位传达室基础平面图和剖面图。根据地质勘探汇报,土壤类别为三类,无地下水。该工程设计室外地坪标高为-0.30米,室内地坪标高为±0.00米,防潮层标高-0.06米,防潮层做法为C20抗渗砼P10以内,防潮层如下用M7.5水泥砂浆砌原则砖基础,防潮层以上为多孔砖墙身,C20钢筋砼条形基础,砼构造柱截面尺寸240×240mm,从钢筋砼条形基础中伸出。请按计价表规定计算土方人工开挖、砼基础、砖基础、防潮层、模板工程量,并套用计价表对应子目。(模板按含模量计算)得分评卷人工程量计算表序号项目名称计算公式计量单位数量工程预算表序号定额编号项目名称计量单位数量综合单价(元)五.(本题35分)如图,某单独招标打桩工程编制标底。设计钻孔灌注砼桩25根,桩径Φ900mm,设计桩长28m,入岩(Ⅴ类)1.5m,自然地面标高-0.6m,桩顶标高-2.60m,C30砼现场自拌,根据地质状况土孔砼充盈系数为1.25,岩石孔砼充盈系数为1.1,每根桩钢筋用量为0.750t。以自身的粘土及灌入的自来水进行护壁,砌得分评卷人泥浆池,泥浆外运按8KM,桩头不需凿除。请按上述条件和04计价表的规定计算该打桩工程的分部分项工程费,并计算总造价(机械进退场费10000元,检查试验费费率0.18%,临时设施费费率1.5%,安全文明施工措施费按不创立省市文明工地原则计取,劳动保险费率1.6%,税金费率:3.44%,其他未列项目不计取)。工程预算表序号定额编号项目名称计量单位数量综合单价合价(元)工程量计算表序号项目名称计算公式计量单位数量工程造价计算程序表序号费用名称计算公式金额(元)一分部分项工程费二措施项目费三其他项目费招标人部分投标人部分四规费五税金六工程造价六.(本题35分)框架梁KL,如图所示,砼强度等级为C20,二级抗震设计,钢筋定尺为8m,当梁通筋d>22mm时,选择焊接接头,柱的断面均为500mm×500mm,保护层25mm,次梁断面200mm×300mm。审核该梁所列的钢筋重量,未列出的不考虑。错误的部分划线删去,在下一行对应空格处给出对的得分评卷人解答即可,本来对的的部分不需要反复抄写。(钢筋理论重量ф25=3.85kg/m,ф18=1.998kg/m,φ10...

1、当您付费下载文档后,您只拥有了使用权限,并不意味着购买了版权,文档只能用于自身使用,不得用于其他商业用途(如 [转卖]进行直接盈利或[编辑后售卖]进行间接盈利)。
2、本站所有内容均由合作方或网友上传,本站不对文档的完整性、权威性及其观点立场正确性做任何保证或承诺!文档内容仅供研究参考,付费前请自行鉴别。
3、如文档内容存在违规,或者侵犯商业秘密、侵犯著作权等,请点击“违规举报”。

碎片内容

2024年造价员土建卷真题和答案

您可能关注的文档

确认删除?
VIP
微信客服
  • 扫码咨询
会员Q群
  • 会员专属群点击这里加入QQ群
客服邮箱
回到顶部