电脑桌面
添加小米粒文库到电脑桌面
安装后可以在桌面快捷访问

中文模块风冷双速风机控制说明书VIP免费

中文模块风冷双速风机控制说明书_第1页
1/10
中文模块风冷双速风机控制说明书_第2页
2/10
中文模块风冷双速风机控制说明书_第3页
3/10
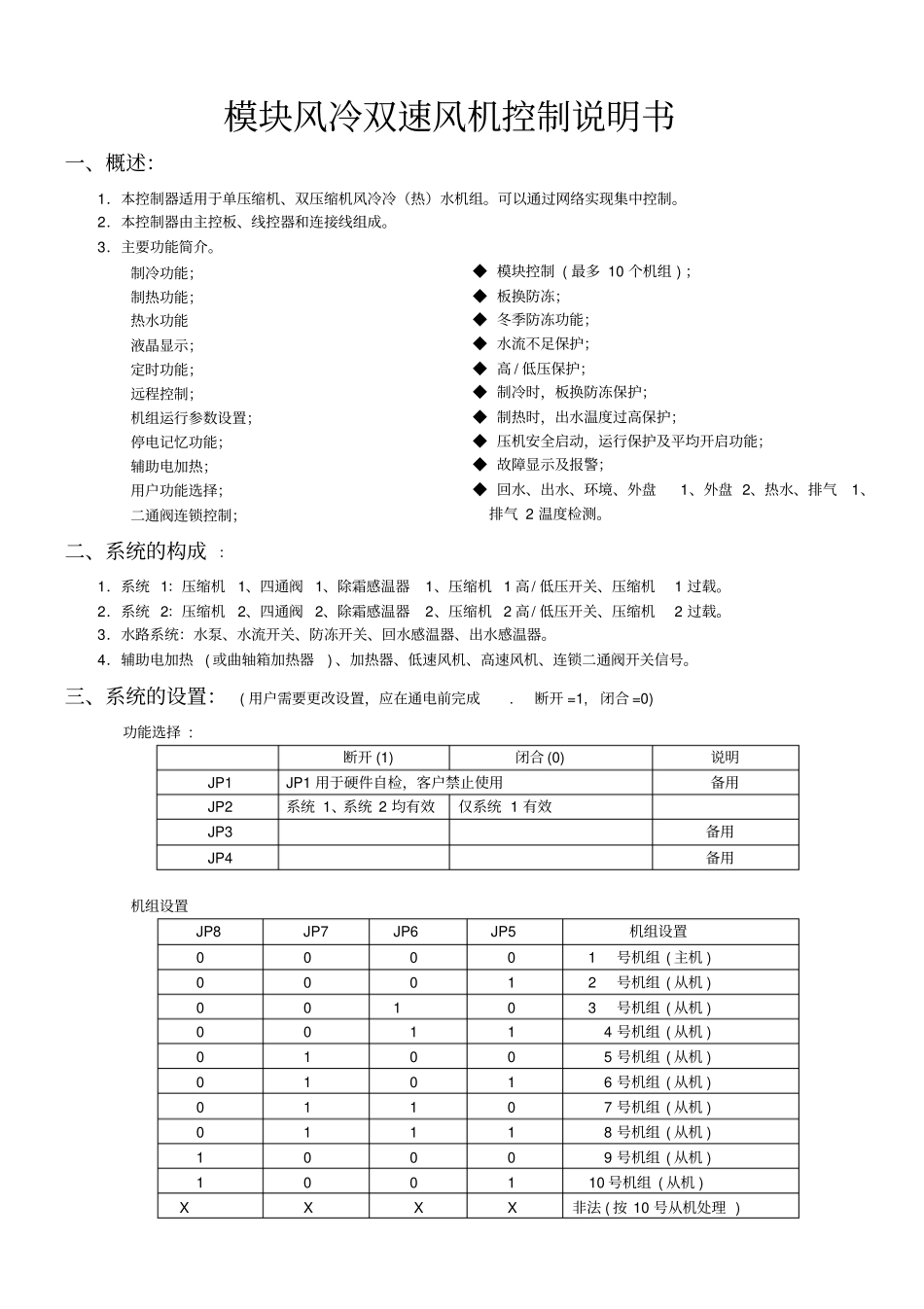
gg,佛山汇生采模块风冷双速风机控制说明书(型号:LS-2405-W-XLK)佛山市汇生采电子有限公司模块风冷双速风机控制说明书一、概述:1.本控制器适用于单压缩机、双压缩机风冷冷(热)水机组。可以通过网络实现集中控制。2.本控制器由主控板、线控器和连接线组成。3.主要功能简介。制冷功能;制热功能;热水功能液晶显示;定时功能;远程控制;机组运行参数设置;停电记忆功能;辅助电加热;用户功能选择;二通阀连锁控制;◆模块控制(最多10个机组);◆板换防冻;◆冬季防冻功能;◆水流不足保护;◆高/低压保护;◆制冷时,板换防冻保护;◆制热时,出水温度过高保护;◆压机安全启动,运行保护及平均开启功能;◆故障显示及报警;◆回水、出水、环境、外盘1、外盘2、热水、排气1、排气2温度检测。二、系统的构成:1.系统1:压缩机1、四通阀1、除霜感温器1、压缩机1高/低压开关、压缩机1过载。2.系统2:压缩机2、四通阀2、除霜感温器2、压缩机2高/低压开关、压缩机2过载。3.水路系统:水泵、水流开关、防冻开关、回水感温器、出水感温器。4.辅助电加热(或曲轴箱加热器)、加热器、低速风机、高速风机、连锁二通阀开关信号。三、系统的设置:(用户需要更改设置,应在通电前完成.断开=1,闭合=0)功能选择:断开(1)闭合(0)说明JP1JP1用于硬件自检,客户禁止使用备用JP2系统1、系统2均有效仅系统1有效JP3备用JP4备用机组设置JP8JP7JP6JP5机组设置00001号机组(主机)00012号机组(从机)00103号机组(从机)00114号机组(从机)01005号机组(从机)01016号机组(从机)01107号机组(从机)01118号机组(从机)10009号机组(从机)100110号机组(从机)XXXX非法(按10号从机处理)四、控制器的操作及参数设定:面板图:模式减增定时设置MODERESETTIMERSETON/OFFLANG机号回复按键操作及设置:1、开/关键(ON/OFF):按此键一次,控制系统在待机状态和运行状态切换。2、模式键(MODE):按此键一次,控制系统在“制冷→制热→自动→制冷”间切换。(模式选择,必须在停压机状态下才有效,延时10秒后转换到设置模式。)3、回复键(RESET):有故障报警时,当故障排除后,按此键可清除故障显示代码,使控制系统恢复正常运行状态。4、增键(∧):直接按此键一次,设定温度在原来的基础上加1℃,如果设定温度已经为最大值,再按此键则进入最小值,循环操作。5、减键(∨):直接按此键一次,设定温度在原来的基础上减1℃,如果设定温度已经为最小值,再按此键则进入最大值,循环操作。“开/关”键关机状态下按住此键5S,则进入强制除霜。6、设置键(SET):直接按此键,则进行参数查询,而此时如机组为1号机,则显示查询主机数据,否则为从机数据。按此键10秒钟,则进入参数设置,经“增/减”键可调整参数设置。(进入以上设置后,如果停止操作按键达10秒钟,则自动退出设置。)7、定时键(TIMER):单操作此键,则进入主机定时开/关机设置;定时开小时位闪烁,闪烁时操作增/减键调整定时开的小时;再按该键,则定时开分钟位闪烁,闪烁时操作增/减键调整定时开的分钟;再按该键,则定时关小时位闪烁,闪烁时操作增/减键调整定时关的小时;再按该键,则定时关分钟位闪烁,闪烁时操作增/减键调整定时关的分钟;再按该键,则退出定时时间设置。*:定时开和定时关时间是以控制器当前显示时间为基准的。*:当定时开和定时关时间完全设置相同时则取消定时功能。*:当定时开和定时关功能有效时,则每天执行其定时开关机功能。长按此键5S则进入时钟调整,然后配合增/减键将时钟调整到当前时间。8、机组选择键(LANG):按此键,则进入数据查询机组选择(机组1~10号),不操作时10S自动退出。五、功能说明:1.制冷模式:制冷运行流程:开机→选择制冷模式→液晶显示回水温度→水泵运行→风机开,压缩机1运行→延时10秒钟→压缩机2运行。制冷关闭流程:关机→液晶显示回水温度→压缩机1关闭→延时10秒钟→压缩机2关闭→风机关闭→水泵始终运行。压缩机启停条件:回水温度≥制冷设置温度+P14回差,启动压缩机。回水温度≤制冷设置温度,关闭压缩机。两台压缩机不能同时启动,前一台压机启动后延时10秒启动另一台压机。2.制热模式:●制热运...

1、当您付费下载文档后,您只拥有了使用权限,并不意味着购买了版权,文档只能用于自身使用,不得用于其他商业用途(如 [转卖]进行直接盈利或[编辑后售卖]进行间接盈利)。
2、本站所有内容均由合作方或网友上传,本站不对文档的完整性、权威性及其观点立场正确性做任何保证或承诺!文档内容仅供研究参考,付费前请自行鉴别。
3、如文档内容存在违规,或者侵犯商业秘密、侵犯著作权等,请点击“违规举报”。

碎片内容

中文模块风冷双速风机控制说明书

您可能关注的文档

爱的疯狂+ 关注
实名认证
内容提供者

该用户很懒,什么也没介绍

确认删除?
VIP
微信客服
  • 扫码咨询
会员Q群
  • 会员专属群点击这里加入QQ群
客服邮箱
回到顶部