电脑桌面
添加小米粒文库到电脑桌面
安装后可以在桌面快捷访问

(江苏专用)高考物理大一轮复习 第五章 机械能及其守恒定律 第6讲 实验六 验证机械能守恒定律-人教版高三物理试题VIP免费

(江苏专用)高考物理大一轮复习 第五章 机械能及其守恒定律 第6讲 实验六 验证机械能守恒定律-人教版高三物理试题_第1页
1/4
(江苏专用)高考物理大一轮复习 第五章 机械能及其守恒定律 第6讲 实验六 验证机械能守恒定律-人教版高三物理试题_第2页
2/4
(江苏专用)高考物理大一轮复习 第五章 机械能及其守恒定律 第6讲 实验六 验证机械能守恒定律-人教版高三物理试题_第3页
3/4
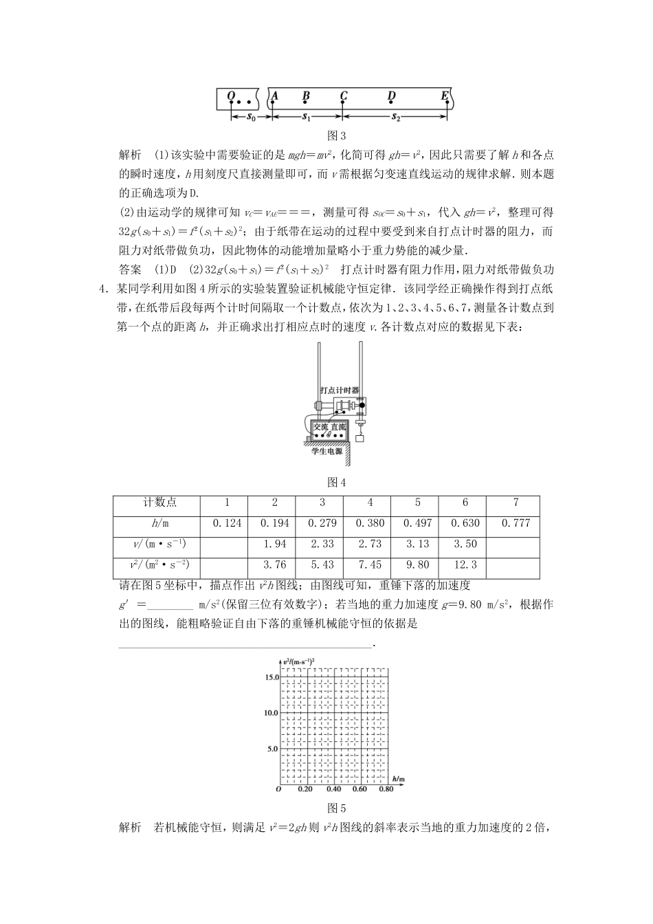
第6讲实验六验证机械能守恒定律1.用如图1所示实验装置验证机械能守恒定律.图1通过电磁铁控制的小铁球从A点自由下落,下落过程中经过光电门B时,毫秒计时器(图中未画出)记录下挡光时间t,测出AB之间的距离h.实验前应调整光电门位置使小球下落过程中球心通过光电门中的激光束.(1)为了验证机械能守恒定律,还需要测量下列哪些物理量________.A.A点与地面间的距离HB.小铁球的质量mC.小铁球从A到B的下落时间tABD.小铁球的直径d(2)小铁球通过光电门时的瞬时速度v=________,若下落过程中机械能守恒,则与h的关系式为=________.解析(1)要验证机械能守恒定律,除知道小铁球下落的高度外,还需要计算小铁球通过光电门时的速度v,因此需要测量出小铁球的直径d.(2)小铁球通过光电门时的瞬时速度v=.若下落过程中机械能守恒,则mgh=mv2,解得=h.答案(1)D(2)h2.某研究性学习小组利用气垫导轨验证机械能守恒定律,实验装置如图2甲所示.在气垫导轨上相隔一定距离的两处安装两个光电传感器A、B,滑块P上固定一遮光条,若光线被遮光条遮挡,光电传感器会输出高电压,两光电传感器采集数据后与计算机相连.滑块在细线的牵引下向左加速运动,遮光条经过光电传感器A、B时,通过计算机可以得到如图乙所示的电压U随时间t变化的图象.图2(1)实验前,接通气源,将滑块(不挂钩码)置于气垫导轨上,轻推滑块,当图乙中的Δt1________Δt2(选填“>”“=”或“<”)时,说明气垫导轨已经水平.(2)用螺旋测微器测遮光条宽度d,测量结果如图丙所示,则d=________mm.(3)滑块P用细线跨过气垫导轨左端的定滑轮与质量为m的钩码Q相连,将滑块P由图甲所示位置释放,通过计算机得到的图象如图乙所示,若Δt1、Δt2和d已知,要验证滑块和钩码组成的系统机械能是否守恒,还应测出________和________(写出物理量的名称及符号).(4)若上述物理量间满足关系式__________________,则表明在上述过程中,滑块和钩码组成的系统机械能守恒.答案(1)=(2)8.474(在8.473~8.475之间均算对)(3)滑块质量M两光电门间距离L(4)mgL=(M+m)2-(M+m)23.在利用打点计时器验证做自由落体运动的物体机械能守恒的实验中.(1)需要测量物体由静止开始自由下落到某点时的瞬时速度v和下落高度h.某小组的同学利用实验得到的纸带,共设计了以下四种测量方案,其中正确的是________.A.用刻度尺测出物体下落的高度h,并测出下落时间t,通过v=gt计算出瞬时速度vB.用刻度尺测出物体下落的高度h,并通过v=计算出瞬时速度vC.根据做匀变速直线运动时纸带上某点的瞬时速度,等于这点前、后相邻两点间的平均速度,测算出瞬时速度v,并通过h=计算出高度hD.用刻度尺测出物体下落的高度h,根据做匀变速直线运动时纸带上某点的瞬时速度,等于这点前、后相邻两点间的平均速度,测算出瞬时速度v(2)已知当地重力加速度为g,使用交流电的频率为f.在打出的纸带上选取连续打出的五个点A、B、C、D、E,如图3所示.测出A点距离起始点O的距离为s0,A、C两点间的距离为s1,C、E两点间的距离为s2,根据前述条件,如果在实验误差允许的范围内满足关系式________________________,即验证了物体下落过程中机械能是守恒的.而在实际的实验结果中,往往会出现物体的动能增加量略小于重力势能的减少量,出现这样结果的主要原因是__________________________.图3解析(1)该实验中需要验证的是mgh=mv2,化简可得gh=v2,因此只需要了解h和各点的瞬时速度,h用刻度尺直接测量即可,而v需根据匀变速直线运动的规律求解.则本题的正确选项为D.(2)由运动学的规律可知vC=vAE===,测量可得sOC=s0+s1,代入gh=v2,整理可得32g(s0+s1)=f2(s1+s2)2;由于纸带在运动的过程中要受到来自打点计时器的阻力,而阻力对纸带做负功,因此物体的动能增加量略小于重力势能的减少量.答案(1)D(2)32g(s0+s1)=f2(s1+s2)2打点计时器有阻力作用,阻力对纸带做负功4.某同学利用如图4所示的实验装置验证机械能守恒定律.该同学经正确操作得到打点纸带,在纸带后段每两个计时间隔取一个计数点,依次为1、2、3、4、5、6、7,测量各计数点到第一个点的距离h,并正确求出打相...

1、当您付费下载文档后,您只拥有了使用权限,并不意味着购买了版权,文档只能用于自身使用,不得用于其他商业用途(如 [转卖]进行直接盈利或[编辑后售卖]进行间接盈利)。
2、本站所有内容均由合作方或网友上传,本站不对文档的完整性、权威性及其观点立场正确性做任何保证或承诺!文档内容仅供研究参考,付费前请自行鉴别。
3、如文档内容存在违规,或者侵犯商业秘密、侵犯著作权等,请点击“违规举报”。

碎片内容

(江苏专用)高考物理大一轮复习 第五章 机械能及其守恒定律 第6讲 实验六 验证机械能守恒定律-人教版高三物理试题

文章天下+ 关注
实名认证
内容提供者

各种文档应有尽有

确认删除?
VIP
微信客服
  • 扫码咨询
会员Q群
  • 会员专属群点击这里加入QQ群
客服邮箱
回到顶部