电脑桌面
添加小米粒文库到电脑桌面
安装后可以在桌面快捷访问

化工企业绩效考核全案(1)VIP免费

化工企业绩效考核全案(1)_第1页
1/24
化工企业绩效考核全案(1)_第2页
2/24
化工企业绩效考核全案(1)_第3页
3/24
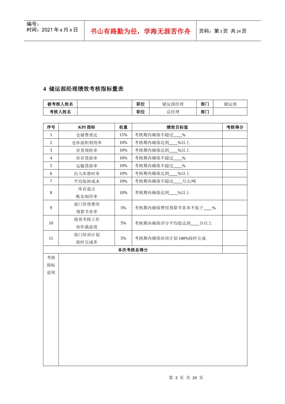
第1页共24页编号:时间:2021年x月x日书山有路勤为径,学海无涯苦作舟页码:第1页共24页化工企业绩效考核全案1生产部关键绩效考核指标序号KPI指标考核周期指标定义/公式资料来源1生产计划达成率季/年度实际产量计划产量×100%生产部2内部利润达成率季/年度实际完成的内部利润额计划完成的内部利润额×100%财务部3劳动生产效率季/年度产出数量×标准工时日工作小时×直接人工数量−损失工时×100%生产部4交期达成率季/年度交货期无误次数交货总次数×100%销售部5产品抽检合格率月/季/年度实际合格数抽样产品总数×100%品管部6生产成本下降率季/年度上期生产成本−当期生产成本上期生产成本×100%财务部7生产设备完好率年度正常使用设备数设备总数×100%设备部8生产安全事故次数季/年度考核期内生产安全事故发生的次数合计安全部2技术部关键绩效考核指标序号KPI指标考核周期指标定义/公式资料来源1开发计划完成准时率季/年度实际开发周期计划开发周期×100%技术部2项目申请成功率季/年度项目申请成功数项目申请总数×100%技术部3技术成果转化成功率季/年度成功转化的成果项数现有的技术成果项数×100%技术部生产部4技术方案差错率月/季/年度考核期内技术方案出现严重错误的次数技术部5工艺改进成本降低率月/季/年度改进前生产成本−改进后生产成本工艺改进前生产成本×100%财务部6技改工作按计划完成率季/年度实际完成的技术项目项数计划开展的技术项目项数×100%技术部7实验室安全事故发生次数月/季/年度指实验室出现的损害员工人身安全和设备安全的事故次数及所造成的经济损失技术部8售后技术服务满意度月/季/年度用接受调研的对象对售后技术服务满意度评分的算术平均值来表示销售部第2页共24页第1页共24页编号:时间:2021年x月x日书山有路勤为径,学海无涯苦作舟页码:第2页共24页9项目成本预算达成率季/年度实际研发及技术改造等费用成本预算×100%财务部3采购部关键绩效考核指标序号KPI指标考核周期指标定义/公式资料来源1采购订单按时完成率月/季/年度实际按时完成订单数采购订单总数×100%采购部2采购物资合格率月/季/年度经检验合格的物资数量采购物资总数量×100%品管部3采购成本预算差异率季/年度(1−实际采购成本预算采购成本)×100%财务部4物资短缺时间月/季/年度指原辅材料未能及时到库而影响到生产进度的小时数生产部5应付账款周转率年度年赊购金额年应付账款余额×100%财务部6供应商交货及时率月/季/年度(1−供应商延误交货次数供应商交货总次数)×100%生产部第3页共24页第2页共24页编号:时间:2021年x月x日书山有路勤为径,学海无涯苦作舟页码:第3页共24页4储运部经理绩效考核指标量表被考核人姓名职位储运部经理部门储运部考核人姓名职位总经理部门序号KPI指标权重绩效目标值考核得分1仓储费效比15%考核期内确保不超过%2仓库面积利用率10%考核期内确保达到%以上3存货周转率10%考核期内确保达到%以上4库存货损率10%考核期内确保不超过%5运输货损率10%考核期内确保不超过%6出入库准时率10%考核期内确保达到%以上7平均装卸成本10%考核期内确保不超过万元/吨8库存盘点账实相符率10%考核期内确保达到%以上9部门管理费用预算节省率5%考核期内确保费用预算节省率不低于%10绩效考核工作协作满意度5%考核期内确保评分平均值达到分以上11部门培训计划按时完成率5%考核期内确保培训计划100%按时完成本次考核总得分考核指标说明第4页共24页第3页共24页编号:时间:2021年x月x日书山有路勤为径,学海无涯苦作舟页码:第4页共24页被考核人考核人复核人签字:日期:签字:日期:签字:日期:5设备部经理绩效考核指标量表被考核人姓名职位设备部经理部门设备部考核人姓名职位总经理部门序号KPI指标权重绩效目标值考核得分1设备有效利用率15%考核期内确保达到%以上2设备负荷率15%考核期内确保达到%3设备保养率15%考核期内确保达到%以上4设备故障频率10%考核期内确保不超过次/台时5大宗设备采购成本节约率10%考核期内确保达到%以上6设备故障报修及时率10%考核期内确保设备故障100%按时报修7动力供应及时性10%考核期内动力供应不到位或中断的累计小时数不得超过小时8部门管理费用预...

1、当您付费下载文档后,您只拥有了使用权限,并不意味着购买了版权,文档只能用于自身使用,不得用于其他商业用途(如 [转卖]进行直接盈利或[编辑后售卖]进行间接盈利)。
2、本站所有内容均由合作方或网友上传,本站不对文档的完整性、权威性及其观点立场正确性做任何保证或承诺!文档内容仅供研究参考,付费前请自行鉴别。
3、如文档内容存在违规,或者侵犯商业秘密、侵犯著作权等,请点击“违规举报”。

碎片内容

化工企业绩效考核全案(1)

您可能关注的文档

确认删除?
VIP
微信客服
  • 扫码咨询
会员Q群
  • 会员专属群点击这里加入QQ群
客服邮箱
回到顶部