电脑桌面
添加小米粒文库到电脑桌面
安装后可以在桌面快捷访问

数控车床操作加工仿真实验分析VIP专享VIP免费

数控车床操作加工仿真实验分析_第1页
1/27
数控车床操作加工仿真实验分析_第2页
2/27
数控车床操作加工仿真实验分析_第3页
3/27
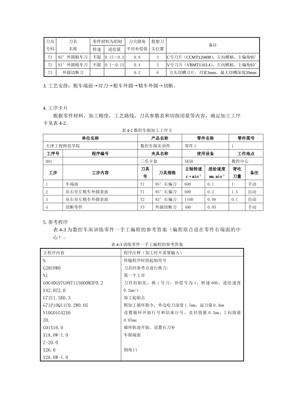
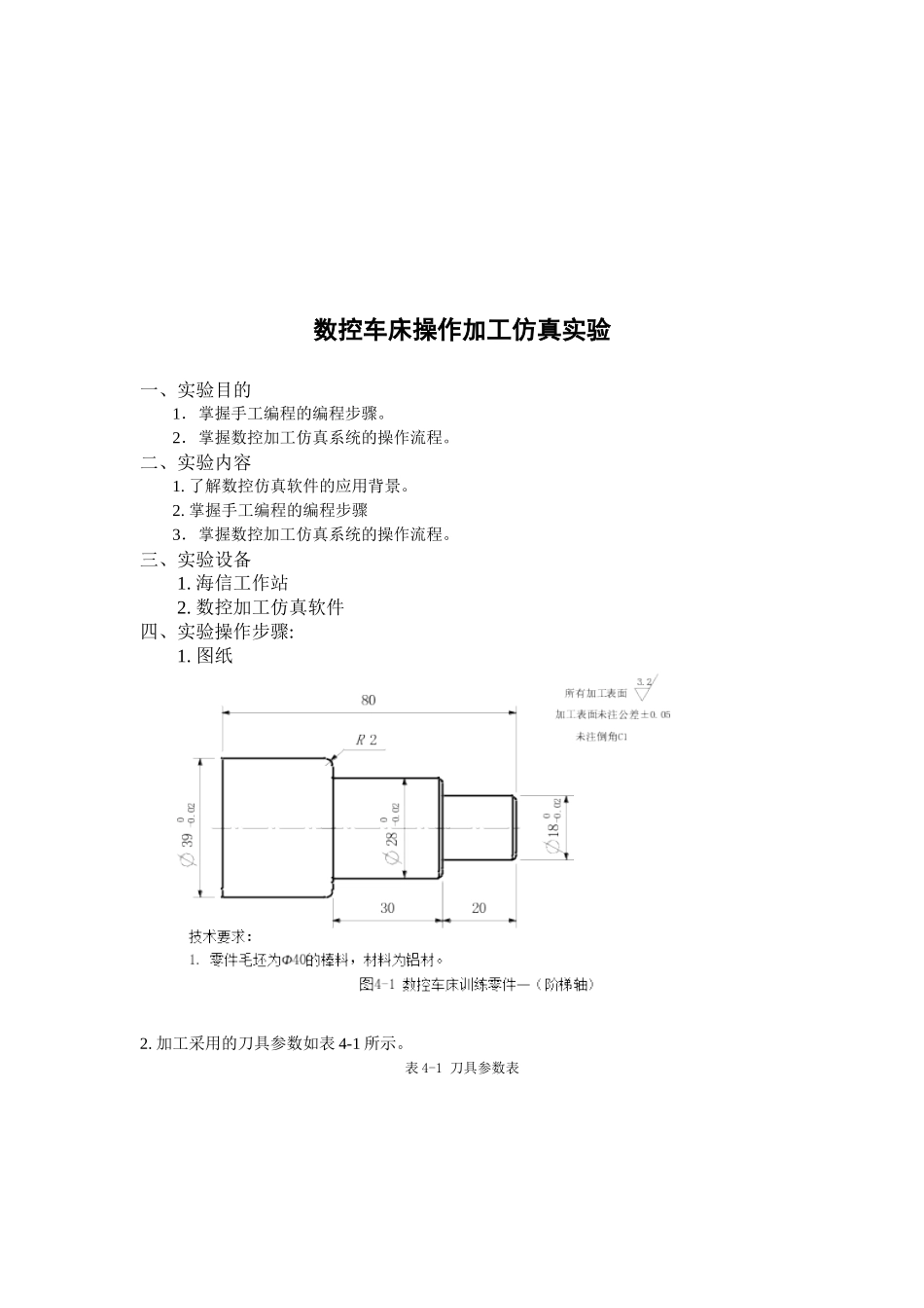
数控车床操作加工仿真实验一、实验目的1.掌握手工编程的编程步骤。2.掌握数控加工仿真系统的操作流程。二、实验内容1.了解数控仿真软件的应用背景。2.掌握手工编程的编程步骤3.掌握数控加工仿真系统的操作流程。三、实验设备1.海信工作站2.数控加工仿真软件四、实验操作步骤:1.图纸2.加工采用的刀具参数如表4-1所示。表4-1刀具参数表3.工艺安排:粗车端面→对刀→粗车外圆→精车外圆→切断。4.工序卡片根据零件材料,加工精度,工艺路线,刀具参数表和切削用量等内容,确定加工工序卡见表4-2。表4-2数控车削加工工序卡单位名称产品名称零件名称零件图号天津工程师范学院数控车削实训件零件11工序号程序编号夹具名称使用设备工作地点001三爪卡盘SK50数控中心工步工步内容刀具号刀具规格主轴转速r·min-1进给速度mm.min-1背吃刀量备注1车端面T195°右偏刀6000.11手动2从右至左粗车外圆表面T195°右偏刀6000.21.5自动3从右至左精车外圆表面T293°右偏刀11000.080.1自动4切断零件T3外圆切断刀4000.05手动5.参考程序表4-3为数控车床训练零件一手工编程的参考答案(编程原点设在零件右端面的中心)。表4-3训练零件一手工编程的参考答案主程序内容程序注释(加工时不需要输入)%G28U0W0N1G0G40G97G99T11S600M3F0.2X42.0Z2.0G71U1.5R0.3G71P10Q11U0.2W0.05N10G01G42X0Z0.G01X16.0X18.0W-1.0Z-20.0X26.0X28.0W-1.0传输程序时的起始符号刀具回参考点进行换刀。第一个工步刀具初始化,换1号刀,补偿号为1,转速600,进给速度0.2mm/r加工起始点粗加工循环指令,单边吃刀深度1.5mm,退刀量0.3mm设置循环开始行号和结束行号,直径留量0.2mm,Z向留量0.05mm循环轨迹开始,设置右刀补车削端面倒角C1零件材料为铝材刀具号码刀具名称转速进给量刀尖圆角半径补偿值假想刀尖位置备注T195°外圆粗车刀不限0.15~0.20.83C号刀片(CCMT120408),左向横柄,主偏角95°T293°外圆精车刀不限0.1~0.150.43V号刀片(VBMT1103.4),左向横柄,主偏角93°T3外圆切断刀0.26方头切槽刀片,刃宽3mm,最大切槽深度20mmZ-50.0X35.0G03X39.0Z-52.0R2.0G01Z-81.0N11G1G40X42.0G0X200.0Z100.0M05N2G0G40G97G99T22S1100M3F0.08X42.0Z2.0G70P10Q11F0.08G28U0W0M05M30%倒角C1倒R2的圆角循环轨迹结束,取消刀补回到换刀点,第二个工步刀具初始化,换2号刀,补偿号为2,转速1100,进给速度0.08mm/r加工起始点精加工循环指令,开始行号为N10,结束行号为N11加工结束,回到参考点程序结束传输程序时的结束符号6.在数控加工仿真系统中加工训练零件一的操作步骤数控加工仿真系统的启动:点击“开始→程序→数控加工仿真系统”,在弹出的登录用户对话框中,选择快速登录,就进入了数控加工仿真系统。1.选择机床如图4-2所示,点击菜单“机床/选择机床…”(图中P1),出现选择机床对话框,在选择机床对话框中控制系统选择FANUC(图中P2)和FANUC0(图中P3),机床类型选择车床(图中P4),型号是宝鸡机床厂SK50,平床身前置刀架(图中P5),并按确定按钮,此时仿真系统界面如下图所示(图中P6),机床选择结束。对应于实际机床操作,相当于选择操作机床,打开操作机床的空气开关,打开机床的总电源。2.机床操作初始化选择机床后,机床处于锁定状态,需要进行机床初始化操作,即解除锁定状态。在仿真系统中,不同型号的机床,其机床的初始化操作也不相同。对于数控仿真系统宝鸡机床厂SK50数控车来说,初始化操作是打开数控系统的电源。具体操作步骤是:按下数控系统的电源按钮(图中P1)即可。3.机床回零机床回零操作是建立机床坐标系的过程。回零操作是实际机床在打开机床电源后,首先要作的操作。即在X轴、Z轴通过与限位开关的接触,机床找到这两个方向的极限值后,将机床坐标系的值清零,建立机床坐标系的零点。由于控制系统的延迟特性,如果机床主轴的实际位置,即X轴、Z轴的位置距离机床零点太近,为了避免主轴与限位开关发生碰撞,一般数控机床都规定在进行机床回零操作前,机床主轴的X轴、Y轴、Z轴的位置距离机床零点必须大于100mm。仿真系统的具体操作是:1)查看是否满足回零条件。如图4-4所示,用鼠标按下【POS】(图中...

1、当您付费下载文档后,您只拥有了使用权限,并不意味着购买了版权,文档只能用于自身使用,不得用于其他商业用途(如 [转卖]进行直接盈利或[编辑后售卖]进行间接盈利)。
2、本站所有内容均由合作方或网友上传,本站不对文档的完整性、权威性及其观点立场正确性做任何保证或承诺!文档内容仅供研究参考,付费前请自行鉴别。
3、如文档内容存在违规,或者侵犯商业秘密、侵犯著作权等,请点击“违规举报”。

碎片内容

数控车床操作加工仿真实验分析

确认删除?
VIP
微信客服
  • 扫码咨询
会员Q群
  • 会员专属群点击这里加入QQ群
客服邮箱
回到顶部