电脑桌面
添加小米粒文库到电脑桌面
安装后可以在桌面快捷访问

(江苏选考)高考物理二轮复习 第一部分 专题五 物理实验 专题跟踪检测(二十二)力学实验与创新-人教版高三全册物理试题VIP免费

(江苏选考)高考物理二轮复习 第一部分 专题五 物理实验 专题跟踪检测(二十二)力学实验与创新-人教版高三全册物理试题_第1页
1/7
(江苏选考)高考物理二轮复习 第一部分 专题五 物理实验 专题跟踪检测(二十二)力学实验与创新-人教版高三全册物理试题_第2页
2/7
(江苏选考)高考物理二轮复习 第一部分 专题五 物理实验 专题跟踪检测(二十二)力学实验与创新-人教版高三全册物理试题_第3页
3/7
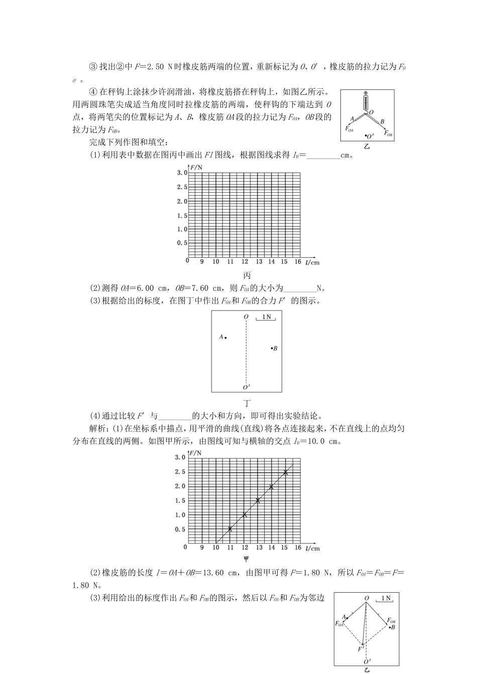
专题跟踪检测(二十二)力学实验与创新1.(2016·天津高考)某同学利用图甲所示装置研究小车的匀变速直线运动。(1)(多选)实验中,必须的措施是________。A.细线必须与长木板平行B.先接通电源再释放小车C.小车的质量远大于钩码的质量D.平衡小车与长木板间的摩擦力(2)他实验时将打点计时器接到频率为50Hz的交流电源上,得到一条纸带,打出的部分计数点如图乙所示(每相邻两个计数点间还有4个点,图中未画出)。s1=3.59cm,s2=4.41cm,s3=5.19cm,s4=5.97cm,s5=6.78cm,s6=7.64cm。则小车的加速度a=________m/s2(要求充分利用测量的数据),打点计时器在打B点时小车的速度vB=________m/s。(结果均保留两位有效数字)解析:(1)利用打点计时器研究小车的匀变速直线运动时,为顺利完成实验,保证实验效果,细线与长木板要平行,否则小车受力会发生变化,选项A正确;为打的点尽量多些,需先接通电源,再释放小车,选项B正确;本题中只要保证小车做匀变速运动即可,无需保证小车质量远大于钩码的质量,选项C错误;同理,小车与长木板间可以有不变的摩擦力,无需平衡摩擦力,选项D错误。故必要的措施是A、B选项。(2)由s4-s1=3aT2、s5-s2=3aT2、s6-s3=3aT2知加速度a==0.80m/s2,打B点时小车的速度vB==0.40m/s。答案:(1)AB(2)0.800.402.(2015·山东高考)某同学通过下述实验验证力的平行四边形定则。实验步骤:①将弹簧秤固定在贴有白纸的竖直木板上,使其轴线沿竖直方向。②如图甲所示,将环形橡皮筋一端挂在弹簧秤的秤钩上,另一端用圆珠笔尖竖直向下拉,直到弹簧秤示数为某一设定值时,将橡皮筋两端的位置标记为O1、O2,记录弹簧秤的示数F,测量并记录O1、O2间的距离(即橡皮筋的长度l)。每次将弹簧秤示数改变0.50N,测出所对应的l,部分数据如下表所示:F/N00.501.001.502.002.50l/cml010.9712.0213.0013.9815.05③找出②中F=2.50N时橡皮筋两端的位置,重新标记为O、O′,橡皮筋的拉力记为FOO′。④在秤钩上涂抹少许润滑油,将橡皮筋搭在秤钩上,如图乙所示。用两圆珠笔尖成适当角度同时拉橡皮筋的两端,使秤钩的下端达到O点,将两笔尖的位置标记为A、B,橡皮筋OA段的拉力记为FOA,OB段的拉力记为FOB。完成下列作图和填空:(1)利用表中数据在图丙中画出Fl图线,根据图线求得l0=________cm。丙(2)测得OA=6.00cm,OB=7.60cm,则FOA的大小为________N。(3)根据给出的标度,在图丁中作出FOA和FOB的合力F′的图示。丁(4)通过比较F′与________的大小和方向,即可得出实验结论。解析:(1)在坐标系中描点,用平滑的曲线(直线)将各点连接起来,不在直线上的点均匀分布在直线的两侧。如图甲所示,由图线可知与横轴的交点l0=10.0cm。(2)橡皮筋的长度l=OA+OB=13.60cm,由图甲可得F=1.80N,所以FOA=FOB=F=1.80N。(3)利用给出的标度作出FOA和FOB的图示,然后以FOA和FOB为邻边的平行四边形,对角线即为合力F′,如图乙。(4)FOO′的作用效果和FOA、FOB两个力的作用效果相同,F′是FOA、FOB两个力的合力,所以只要比较F′和FOO′的大小和方向,即可得出实验结论。答案:(1)见解析图甲10.0(9.8、9.9、10.1均正确)(2)1.80(1.70~1.90均正确)(3)见解析图乙(4)FOO′3.(2017·宿迁二模)如图甲所示,一位同学利用光电计时器等器材做“验证机械能守恒定律”的实验。有一直径为d、质量为m的金属小球从A处由静止释放,下落过程中能通过A处正下方、固定于B处的光电门,测得A、B间的距离为H(H≫d),计时器记录下小球通过光电门的时间为t,当地的重力加速度为g。则:(1)如图乙所示,用游标卡尺测得小球的直径d=________mm。(2)小球经过光电门B时的速度表达式为v=________。(3)多次改变高度H,重复上述实验,作出随H的变化图像如图丙所示,当图中已知量t0、H0和重力加速度g及小球的直径d满足表达式____________时,可判断小球下落过程中机械能守恒。(4)实验中发现动能增加量ΔEk总是稍小于重力势能减少量ΔEp,增加下落高度后,则ΔEp-ΔEk将________(选填“增加”、“减小”或“不变”)。解析:(1)由题图乙可知,主尺的刻度为7mm;游标尺对齐的刻度为5;故读数为:(7+5×0.05)mm=7....

1、当您付费下载文档后,您只拥有了使用权限,并不意味着购买了版权,文档只能用于自身使用,不得用于其他商业用途(如 [转卖]进行直接盈利或[编辑后售卖]进行间接盈利)。
2、本站所有内容均由合作方或网友上传,本站不对文档的完整性、权威性及其观点立场正确性做任何保证或承诺!文档内容仅供研究参考,付费前请自行鉴别。
3、如文档内容存在违规,或者侵犯商业秘密、侵犯著作权等,请点击“违规举报”。

碎片内容

(江苏选考)高考物理二轮复习 第一部分 专题五 物理实验 专题跟踪检测(二十二)力学实验与创新-人教版高三全册物理试题

您可能关注的文档

确认删除?
VIP
微信客服
  • 扫码咨询
会员Q群
  • 会员专属群点击这里加入QQ群
客服邮箱
回到顶部