电脑桌面
添加小米粒文库到电脑桌面
安装后可以在桌面快捷访问

WHVK-QP-16-03顾客满意调查程序VIP专享VIP免费

WHVK-QP-16-03顾客满意调查程序_第1页
1/4
WHVK-QP-16-03顾客满意调查程序_第2页
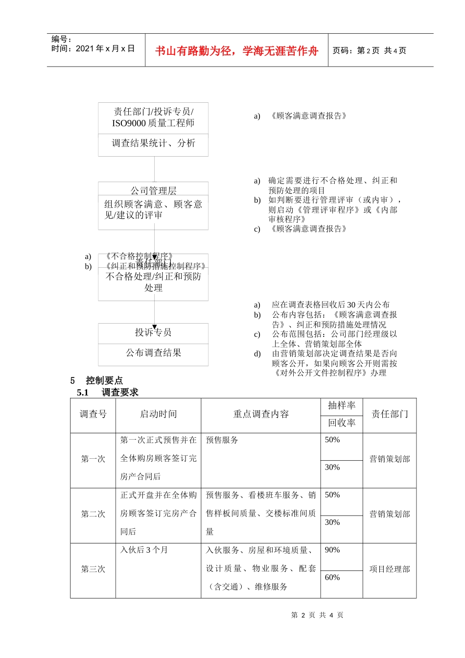
2/4
WHVK-QP-16-03顾客满意调查程序_第3页
3/4
第1页共4页编号:时间:2021年x月x日书山有路勤为径,学海无涯苦作舟页码:第1页共4页1目的调查和了解顾客对房地产开发、施工、销售及售后服务过程中发展商服务、工作质量以及工程实体质量的满意度,并采取针对性的措施,确保持续满足顾客需要和期望。2适用范围2.1顾客对房地产开发、施工、销售及售后服务过程中发展商和配合单位产生的服务和工作质量的满意度的调查。2.2顾客对住宅及配套工程实体质量的满意度。3职责3.1营销策划部负责调查顾客对公司整个开发、销售及售后服务的工作质量及服务的满意度。3.2工程管理部和项目经理部调查顾客对实体质量的满意度。4工作程序责任部门设计顾客满意调查方案a)见控制要点5.2b)《顾客满意调查方案》责任部门主管领导审核调查方案a)同意后,在方案上签字b)《顾客满意调查方案》a)执行《顾客满意调查方案》投诉专员向责任部门提出调查要求a)提出时间、调查重点、进度要求见控制要点5.1b)应根据调查前的实际情况对调查提出具体要求c)《顾客满意调查要求》投诉专员审批a)同意后,在方案上签字b)《顾客满意调查方案》责任部门调查实施第2页共4页第1页共4页编号:时间:2021年x月x日书山有路勤为径,学海无涯苦作舟页码:第2页共4页5控制要点5.1调查要求调查号启动时间重点调查内容抽样率责任部门回收率第一次第一次正式预售并在全体购房顾客签订完房产合同后预售服务50%营销策划部30%第二次正式开盘并在全体购房顾客签订完房产合同后预售服务、看楼班车服务、销售样板间质量、交楼标准间质量50%营销策划部30%第三次入伙后3个月入伙服务、房屋和环境质量、设计质量、物业服务、配套(含交通)、维修服务90%项目经理部60%a)确定需要进行不合格处理、纠正和预防处理的项目b)如判断要进行管理评审(或内审),则启动《管理评审程序》或《内部审核程序》c)《顾客满意调查报告》责任部门/投诉专员/ISO9000质量工程师调查结果统计、分析a)《顾客满意调查报告》公司管理层组织顾客满意、顾客意见/建议的评审责任部门不合格处理/纠正和预防处理a)《不合格控制程序》b)《纠正和预防措施控制程序》投诉专员公布调查结果a)应在调查表格回收后30天内公布b)公布内容包括:《顾客满意调查报告》、纠正和预防措施处理情况c)公布范围包括:公司部门经理级以上全体、营销策划部全体d)由营销策划部决定调查结果是否向顾客公开,如果向顾客公开则需按《对外公开文件控制程序》办理第3页共4页第2页共4页编号:时间:2021年x月x日书山有路勤为径,学海无涯苦作舟页码:第3页共4页第四次入伙后1年房屋和环境质量、设计质量、物业服务、配套(含交通)、保修服务90%营销策划部60%第五、六、七、八次入伙后1-5年内每年底一次房屋质量、保修服务40%工程管理部50%第、、、次入伙5年后每两年一次房屋质量30%工程管理部20%说明:回收率=实际回收数量/实际抽样数量5.2调查方案5.2.1依据《顾客满意调查要求》、公司的经营目标、《项目经营计划书》、顾客投诉重点等内容确定调查方案。5.2.2调查方案包括:调查目标(目的)、调查范围、调查进度计划、调查方式、抽样方案、问卷设计、调查实施过程控制要求、调查结果评定方法等。5.2.3调查方式包括:网上调查、问卷发放、入户调查、拦截访问等。5.2.4问卷设计应包括对我公司和我公司分包单位的服务和工作质量、实体质量等内容,如和物业公司调查内容重复,可直接引用物业公司调查数据。5.2.5调查评定方法应规定调查结果统计分析的详细方法,包括:各满意梯级的分值规则、各满意因子的权重系数、满意度计算规则/公式、满意率计算规则/公式、特殊问卷处理(例如部分问题未回答的问卷)、以及判定调查结果有效的准则。5.3调查报告5.3.1调查报告的内容应包括:调查目标和范围、调查方案的执行情况(总样本数、抽查率、回收率等)、调查结果统计与分析、顾客建议或投诉重点、改进建议(包括不合格的处理、纠正和预防的处理),以及相关附件(调查问卷、数据图表)。6相关文件6.1管理评审程序WHVK/QP-05-026.2不合格控制程序WHVK/QP-11-086.3预防和纠正措施控制程序WHVK/QP-17-026.4对外公开文件控制程序WHVK/QP-03-037相关记录7.1顾客满意...

1、当您付费下载文档后,您只拥有了使用权限,并不意味着购买了版权,文档只能用于自身使用,不得用于其他商业用途(如 [转卖]进行直接盈利或[编辑后售卖]进行间接盈利)。
2、本站所有内容均由合作方或网友上传,本站不对文档的完整性、权威性及其观点立场正确性做任何保证或承诺!文档内容仅供研究参考,付费前请自行鉴别。
3、如文档内容存在违规,或者侵犯商业秘密、侵犯著作权等,请点击“违规举报”。

碎片内容

WHVK-QP-16-03顾客满意调查程序

确认删除?
VIP
微信客服
  • 扫码咨询
会员Q群
  • 会员专属群点击这里加入QQ群
客服邮箱
回到顶部