电脑桌面
添加小米粒文库到电脑桌面
安装后可以在桌面快捷访问

中山市某住宅建筑节能设计VIP免费

中山市某住宅建筑节能设计_第1页
1/14
中山市某住宅建筑节能设计_第2页
2/14
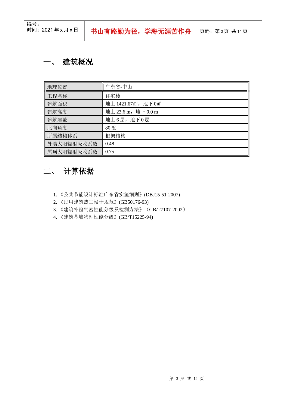
中山市某住宅建筑节能设计_第3页
3/14
建筑节能计算报告书(公共建筑-规定性指标)工程名称:住宅楼建设单位:设计单位:中山市南粤市设计有限公司计算人:校对人:审核人:计算日期:2010年1月29日计算软件名称建筑节能设计分析软件TH-BECS2008鉴定情况建设部科技项目验收证书建科验字[2005]第008号软件版本Build090604第2页共14页编号:时间:2021年x月x日书山有路勤为径,学海无涯苦作舟页码:第2页共14页软件开发单位深圳市斯维尔科技有限公司服务热线全国统一服务热线95105705第3页共14页第2页共14页编号:时间:2021年x月x日书山有路勤为径,学海无涯苦作舟页码:第3页共14页一、建筑概况地理位置广东省-中山工程名称住宅楼建筑面积地上1421.67㎡,地下0㎡建筑高度地上23.6m,地下0.0m建筑层数地上6层,地下0层北向角度80度所属结构体系框架结构外墙太阳辐射吸收系数0.48屋顶太阳辐射吸收系数0.75二、计算依据1.《公共节能设计标准广东省实施细则》(DBJ15-51-2007)2.《民用建筑热工设计规范》(GB50176-93)3.《建筑外窗气密性能分级及检测方法》(GB/T7107-2002)4.《建筑幕墙物理性能分级》(GB/T15225-94)第4页共14页第3页共14页编号:时间:2021年x月x日书山有路勤为径,学海无涯苦作舟页码:第4页共14页三、工程材料材料名称编号导热系数λ蓄热系数S密度ρ比热容Cp蒸汽渗透系数u备注W/(m.K)W/(㎡.K)Kg/m3J/(Kg.K)g/(m.h.kPa)水泥砂浆10.93011.3701800.01050.00.0210来源:《民用建筑热工设计规范(GB50176-93)》石灰砂浆180.81010.0701600.01050.00.0443来源:《民用建筑热工设计规范(GB50176-93)》钢筋混凝土41.74017.2002500.0920.00.0158来源:《民用建筑热工设计规范(GB50176-93)》碎石、卵石混凝土(ρ=2300)101.51015.3602300.0920.00.0173来源:《民用建筑热工设计规范(GB50176-93)》挤塑聚苯板(ρ=25-32)220.0300.32028.51647.00.0162加气混凝土、泡沫混凝土(ρ=700)260.2203.590700.01050.00.0998来源:《民用建筑热工设计规范(GB50176-93)》混凝土多孔砖(190六孔砖)270.7507.4901450.0709.40.0000四、窗墙比1、窗墙比朝向窗面积(㎡)墙面积(㎡)窗墙比限值结论东向39.78303.130.130.30满足第5页共14页第4页共14页编号:时间:2021年x月x日书山有路勤为径,学海无涯苦作舟页码:第5页共14页西向38.25310.200.120.30满足南向72.43283.330.260.50满足北向41.85286.410.150.45满足平均192.311183.060.160.45满足《标准》依据《标准1》第4.1.4条和表4.1.7-2标准要求各朝向窗墙比和平均窗墙比不超过限值结论满足2、外窗表朝向编号尺寸楼层数量单个面积合计面积东向39.78FC11.80×1.501,632.708.10FC11.80×0.60611.081.08FC21.50×1.202~541.807.20FC40.90×1.202~6211.0822.68FC61.20×0.60610.720.72西向38.25FC11.80×1.501,642.7010.80FC31.50×1.501~552.2511.25FC40.90×1.202~5151.0816.20南向72.43C11.80×1.502~6102.7027.00C51.20×1.502~541.807.20JM-17.20×2.501118.0018.00JM-25.50×2.501113.7513.75Mc-22.40×2.70616.486.48北向41.85C21.50×1.202~541.807.20C31.50×1.501~672.2515.75C40.90×1.202~651.085.40C51.20×1.502~541.807.20FM11.50×2.10123.156.30五、可见光透射比朝向窗墙比最不利窗编号最不利透射比透射比限值东向0.13FC60.800.40西向0.12FC10.800.40南向0.26C10.800.40北向0.15C30.800.40标准依据《标准1》第4.2.4条标准要求当窗墙面积比小于0.40时,玻璃的可见光透射比不应当小于第6页共14页第5页共14页编号:时间:2021年x月x日书山有路勤为径,学海无涯苦作舟页码:第6页共14页0.4结论满足六、天窗(一)天窗屋顶比无天窗(二)天窗类型标准依据:《标准1》第4.2.2条标准要求:K≤3.5,SC≤0.31结论:无七、屋顶构造1.挤塑聚苯板20+加气砼80+钢筋砼120材料名称(由外到内)材料编号序号厚度δ导热系数λ蓄热系数S修正系数热阻R热惰性指标(mm)W/(m.K)W/(㎡.K)α(㎡K)/WD=R*S碎石、卵石混凝土(ρ=2300)101401.51015.3601.000.0260.407挤塑聚苯板(ρ=25-32)222200.0300.3201.200.5560.213水泥砂浆13200.93011.3701.000.0220.245加气混凝土、泡沫混凝土(ρ=70...

1、当您付费下载文档后,您只拥有了使用权限,并不意味着购买了版权,文档只能用于自身使用,不得用于其他商业用途(如 [转卖]进行直接盈利或[编辑后售卖]进行间接盈利)。
2、本站所有内容均由合作方或网友上传,本站不对文档的完整性、权威性及其观点立场正确性做任何保证或承诺!文档内容仅供研究参考,付费前请自行鉴别。
3、如文档内容存在违规,或者侵犯商业秘密、侵犯著作权等,请点击“违规举报”。

碎片内容

中山市某住宅建筑节能设计

您可能关注的文档

确认删除?
VIP
微信客服
  • 扫码咨询
会员Q群
  • 会员专属群点击这里加入QQ群
客服邮箱
回到顶部