电脑桌面
添加小米粒文库到电脑桌面
安装后可以在桌面快捷访问

高中生物第一节 降低化学反应活化能的酶教案新人教版必修一VIP免费

高中生物第一节 降低化学反应活化能的酶教案新人教版必修一_第1页
1/9
高中生物第一节 降低化学反应活化能的酶教案新人教版必修一_第2页
2/9
高中生物第一节 降低化学反应活化能的酶教案新人教版必修一_第3页
3/9
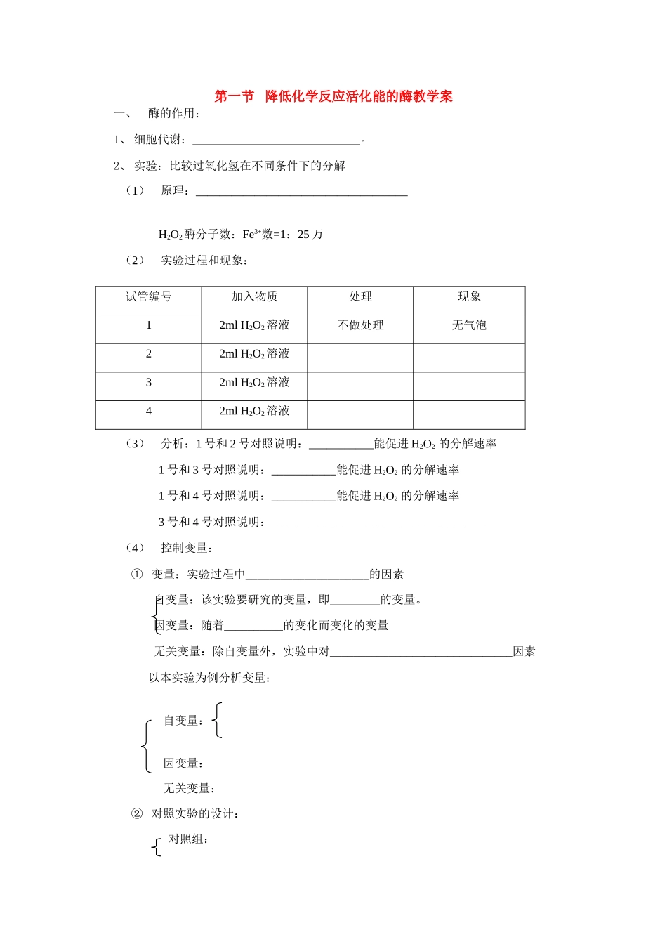
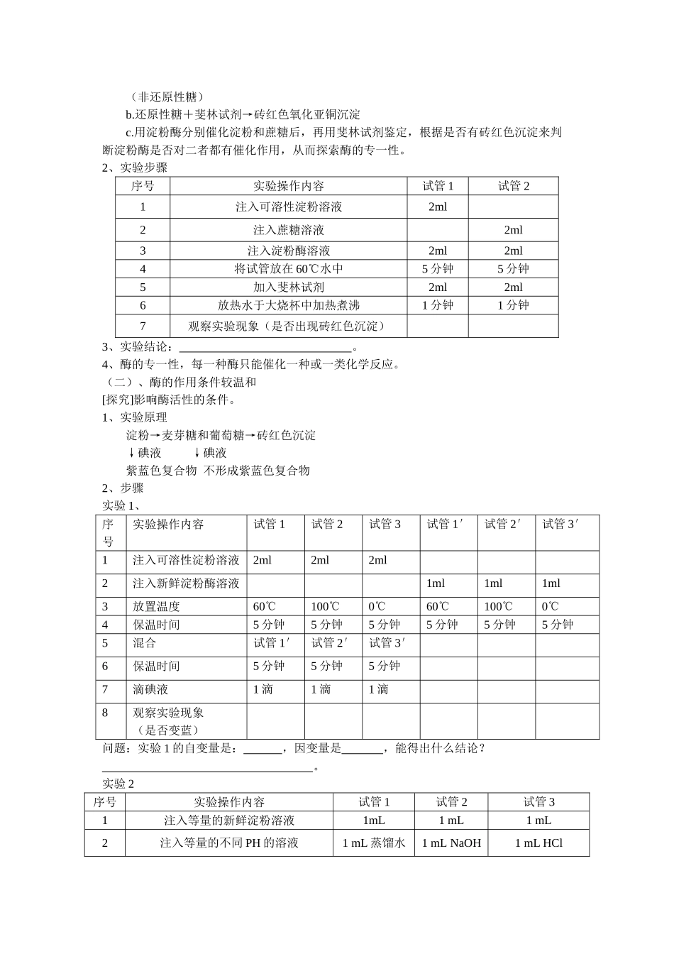
第一节降低化学反应活化能的酶教学案一、酶的作用:1、细胞代谢:。2、实验:比较过氧化氢在不同条件下的分解(1)原理:____________________________________H2O2酶分子数:Fe3+数=1:25万(2)实验过程和现象:(3)分析:1号和2号对照说明:___________能促进H2O2的分解速率1号和3号对照说明:___________能促进H2O2的分解速率1号和4号对照说明:___________能促进H2O2的分解速率3号和4号对照说明:____________________________________(4)控制变量:①变量:实验过程中_____________________的因素自变量:该实验要研究的变量,即的变量。因变量:随着__________的变化而变化的变量无关变量:除自变量外,实验中对_______________________________因素以本实验为例分析变量:自变量:因变量:无关变量:②对照实验的设计:对照组:试管编号加入物质处理现象12mlH2O2溶液不做处理无气泡22mlH2O2溶液32mlH2O2溶液42mlH2O2溶液实验组:在对照实验中,除了要观察的变量外,其它条件均相同,即遵循____________原则。以本实验为例分析:________试管为对照组;________试管为实验组。3、酶的作用原理:(1)活化能:分子从______转变为___________________________状态所需要的能量(2)原理:_________化学反应所需的____________更显著,因而_________更高(3)意义:使细胞代谢在______________条件下快速进行二、酶的本质:1、探索历程:(阅读资料分析,回答下列问题)①巴斯德的观点是。②李比希的观点是。③毕希纳研究的的结论是什么?。④萨姆纳研究的成果是什么?。⑤所有酶都是蛋白质吗?为什么?。⑥试给酶下一个较完整的定义?。2、酶的本质:酶是__________产生的具有_____________的有机物,其中绝大多数的酶是________少数酶是_________。三、酶的特性导言:酶作为催化剂,与无机催化剂相比有什么不同呢?通过教材P78实验,我们已经知道加肝脏研磨液的4号试管放出的O2远多于加FeCl3溶液的3号试管。从而说明了酶具有高效性。(一)、酶具有高效性酶的催化效率大约是无机催化剂的1017——1013倍(思考:这对细胞有什么意义?)(二)、酶具有专一性补充“探索淀粉酶对淀粉和蔗糖水解的作用”实验。1、实验原理a.淀粉麦芽糖(非还原性糖)还原性糖蔗糖葡萄糖+果糖(非还原性糖)b.还原性糖+斐林试剂→砖红色氧化亚铜沉淀c.用淀粉酶分别催化淀粉和蔗糖后,再用斐林试剂鉴定,根据是否有砖红色沉淀来判断淀粉酶是否对二者都有催化作用,从而探索酶的专一性。2、实验步骤序号实验操作内容试管1试管21注入可溶性淀粉溶液2ml2注入蔗糖溶液2ml3注入淀粉酶溶液2ml2ml4将试管放在60℃水中5分钟5分钟5加入斐林试剂2ml2ml6放热水于大烧杯中加热煮沸1分钟1分钟7观察实验现象(是否出现砖红色沉淀)3、实验结论:。4、酶的专一性,每一种酶只能催化一种或一类化学反应。(二)、酶的作用条件较温和[探究]影响酶活性的条件。1、实验原理淀粉→麦芽糖和葡萄糖→砖红色沉淀↓碘液↓碘液紫蓝色复合物不形成紫蓝色复合物2、步骤实验1、序号实验操作内容试管1试管2试管3试管1′试管2′试管3′1注入可溶性淀粉溶液2ml2ml2ml2注入新鲜淀粉酶溶液1ml1ml1ml3放置温度60℃100℃0℃60℃100℃0℃4保温时间5分钟5分钟5分钟5分钟5分钟5分钟5混合试管1′试管2′试管3′6保温时间5分钟5分钟5分钟7滴碘液1滴1滴1滴8观察实验现象(是否变蓝)问题:实验1的自变量是:,因变量是,能得出什么结论?。实验2序号实验操作内容试管1试管2试管31注入等量的新鲜淀粉溶液1mL1mL1mL2注入等量的不同PH的溶液1mL蒸馏水1mLNaOH1mLHCl3注入等量的可溶性淀粉溶液2mL2mL2mL4放60℃热水中相等时间5分钟5分钟5分钟5加等量斐林试剂并摇匀2mL2mL2mL6放热水中用酒精灯加热煮沸1分钟1分钟1分钟7观察实验现象(是否出现砖红色沉淀)问题:实验2的自变量是:,因变量是,能得出什么结论?。3、分析教材⑴组织学生讨论完成教材P84相关问题。⑵教师结合教材P85相关图讲解。①在一定温度范围内,酶活性随温度升高而增强,其中酶的活性最高时的温度,即为该种酶的最适温度。若超过最适温度,酶的活性逐渐下降,甚至丧失。(低...

1、当您付费下载文档后,您只拥有了使用权限,并不意味着购买了版权,文档只能用于自身使用,不得用于其他商业用途(如 [转卖]进行直接盈利或[编辑后售卖]进行间接盈利)。
2、本站所有内容均由合作方或网友上传,本站不对文档的完整性、权威性及其观点立场正确性做任何保证或承诺!文档内容仅供研究参考,付费前请自行鉴别。
3、如文档内容存在违规,或者侵犯商业秘密、侵犯著作权等,请点击“违规举报”。

碎片内容

高中生物第一节 降低化学反应活化能的酶教案新人教版必修一

您可能关注的文档

;绿洲书城+ 关注
实名认证
内容提供者

从事历史教学,热爱教育,高度负责。

确认删除?
VIP
微信客服
  • 扫码咨询
会员Q群
  • 会员专属群点击这里加入QQ群
客服邮箱
回到顶部