电脑桌面
添加小米粒文库到电脑桌面
安装后可以在桌面快捷访问

(整理)互换性与技术测量期末试题含答案.VIP免费

(整理)互换性与技术测量期末试题含答案._第1页
1/14
(整理)互换性与技术测量期末试题含答案._第2页
2/14
(整理)互换性与技术测量期末试题含答案._第3页
3/14
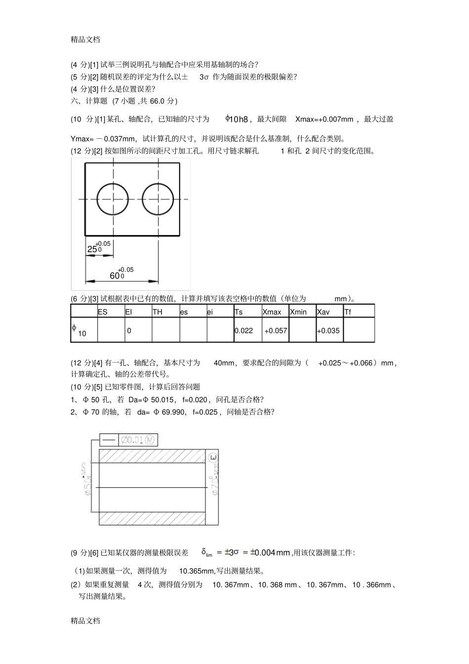
精品文档精品文档题目部分,(卷面共有23题,100.0分,各大题标有题量和总分)一、判断题(5小题,共5.0分)(1分)[1]选用派生系列时应优先选用公比较小和延伸项含有项值1的数列。()(1分)[2]孔和轴的加工精度越高,其配合精度就越高。()(1分)[3]为提高测量的准确性,应尽量选用高等级量块作为基准进行测量。()(1分)[4]滚动轴承内圈与轴的配合,采用基轴制。()(1分)[5]利用同一种加工方法加工轴,设计尺寸为507h的轴比306f的轴加工困难。()二、填空题(5小题,共10.0分)(2分)[1]基本尺寸相同的轴上有几处配合,当两端的配合要求紧固而中间的配合要求较松时,宜采用()制配合。(2分)[2]对于除配合要求外,还有极高形位精度要求的要素,其尺寸公差和形位公差的关系应采用()。(2分)[3]在同一公差组内各项公差与极限偏差应保持()相同或不同的精度等级。(2分)[4]检测是()和()的统称,它是组织互换性生产不可缺少的重要措施。(2分)[5]量块按“级”使用时,以量块的标称长度作为(),该尺寸包含了量块的()误差。三、单项选择题(2小题,共4.0分)(2分)[1]利用同一种加工方法,加工506H孔和1007H孔,应理解为A、前者加工困难B、后者加工困难C、两者加工难易相同D无法比较(2分)[2]一般来说,下列哪一个表面粗糙度要求最高。A、307hB、907HC、607hD、807h四、多项选择题(1小题,共2.0分)(2分)[1]如图所示尺寸链,封闭环A0合格的尺寸有。A、6.10mmB、5.90mmC、5.10mmD、5.70mm五、简答题(3小题,共13.0分)精品文档精品文档(4分)[1]试举三例说明孔与轴配合中应采用基轴制的场合?(5分)[2]随机误差的评定为什么以±3σ作为随面误差的极限偏差?(4分)[3]什么是位置误差?六、计算题(7小题,共66.0分)(10分)[1]某孔、轴配合,已知轴的尺寸为108h,最大间隙Xmax=+0.007mm,最大过盈Ymax=-0.037mm,试计算孔的尺寸,并说明该配合是什么基准制,什么配合类别。(12分)[2]按如图所示的间距尺寸加工孔。用尺寸链求解孔1和孔2间尺寸的变化范围。25+0.05060+0.050(6分)[3]试根据表中已有的数值,计算并填写该表空格中的数值(单位为mm)。ESEITHeseiTsXmaxXminXavTf1000.022+0.057+0.035(12分)[4]有一孔、轴配合,基本尺寸为40mm,要求配合的间隙为(+0.025~+0.066)mm,计算确定孔、轴的公差带代号。(10分)[5]已知零件图,计算后回答问题1、Φ50孔,若Da=Φ50.015,f=0.020,问孔是否合格?2、Φ70的轴,若da=Φ69.990,f=0.025,问轴是否合格?(9分)[6]已知某仪器的测量极限误差lim30.004mm,用该仪器测量工件:(1)如果测量一次,测得值为10.365mm,写出测量结果。(2)如果重复测量4次,测得值分别为10.367mm、10.368mm、10.367mm、10.366mm、写出测量结果。精品文档精品文档(3)要使测量结果的极限误差汽lim()x不超过0.001mm,应重复测量多少次?(7分)[7]分析、计算图所示零件两孔中心距的变化范围。====================答案====================答案部分,(卷面共有23题,100.0分,各大题标有题量和总分)一、判断题(5小题,共5.0分)(1分)[1]错(1分)[2]对(1分)[3]错(1分)[4]错(1分)[5]错二、填空题(5小题,共10.0分)(2分)[1]基轴(2分)[2]独立原则(2分)[3]相同(2分)[4]检验;测量(2分)[5]工作尺寸;制造三、单项选择题(2小题,共4.0分)(2分)[1]A(2分)[2]A四、多项选择题(1小题,共2.0分)(2分)[1]AB五、简答题(3小题,共13.0分)(4分)[1]冷拉钢材;活塞销与连杆小头孔、活塞上的两个销孔的配合;与滚动轴承外圈配合的外壳孔等。(5分)[2]随机误差超出±3σ的概率只有0.0027,即进行370次等精度测量中,可能只有一次测得值超出±3σ的范围,而在随机测量时一般测量次数都不会很多,所以超出±3σ的随机误差就很难出现,因此把其定义为极限偏差。(4分)[3]零件的实际几何要素向对其理想要素的变动量,其理想要素的方向(和)或位置由基准和(或)基准与理论正确尺寸确定。六、计算题(7小题,共66.0分)(10分)[1]该配合为基轴制配合,轴的上偏差es=0,下偏差为-0.022;因为Ymax=EI-es,所以EI=Ymax+es=0+(-0.037)=-0.037因为Xmax=ES-ei,所以ES=Xmax+ei=(+0.007)+(-0.022)=-0.015所以孔的尺寸为0.0150....

1、当您付费下载文档后,您只拥有了使用权限,并不意味着购买了版权,文档只能用于自身使用,不得用于其他商业用途(如 [转卖]进行直接盈利或[编辑后售卖]进行间接盈利)。
2、本站所有内容均由合作方或网友上传,本站不对文档的完整性、权威性及其观点立场正确性做任何保证或承诺!文档内容仅供研究参考,付费前请自行鉴别。
3、如文档内容存在违规,或者侵犯商业秘密、侵犯著作权等,请点击“违规举报”。

碎片内容

(整理)互换性与技术测量期末试题含答案.

确认删除?
VIP
微信客服
  • 扫码咨询
会员Q群
  • 会员专属群点击这里加入QQ群
客服邮箱
回到顶部