电脑桌面
添加小米粒文库到电脑桌面
安装后可以在桌面快捷访问

110KV降压变电站一次部分设计设计说明书VIP免费

110KV降压变电站一次部分设计设计说明书_第1页
1/21
110KV降压变电站一次部分设计设计说明书_第2页
2/21
110KV降压变电站一次部分设计设计说明书_第3页
3/21
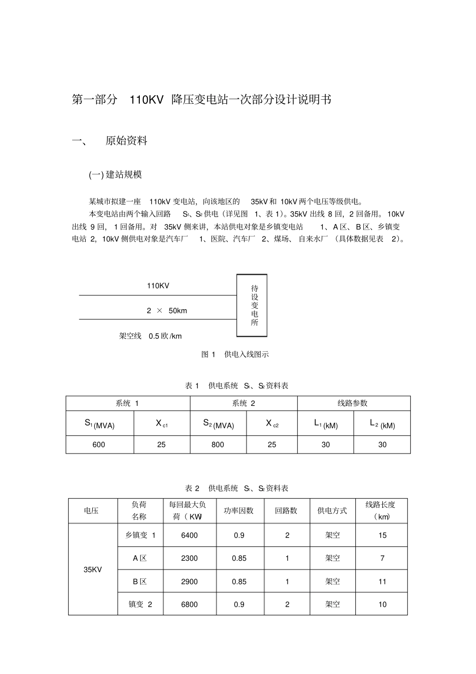
目录第一部分110KV降压变电站一次部分设计说明书....................................................................1一、原始资料...................................................................................................................1(一)建站规模...............................................................................................................1(二)环境条件...............................................................................................................2(三)短路阻抗...............................................................................................................2二、电气主接线设计.......................................................................................................2(一)电气主接线设计的原则.......................................................................................2(二)220kV电气主接线方案确定...............................................................................3(三)35kV电气主接线方案确定.................................................................................5(四)10kV电气主接线方案确定.................................................................................7三、主变的选择...............................................................................................................9(一)主变容量SN和台数的选择................................................................................9(二)主变压器型式和结构的选择...............................................................................9四、站(所)用电设计.................................................................................................10(一)站用变压器的选择的基本原则.........................................................................10五、高压电气设备选择.................................................................................................10(一)高压断路器.........................................................................................................10(二)隔离开关.............................................................................................................12(三)电流互感器的选择及校验.................................................................................13(四)电压互感器的选择及校验.................................................................................14(五)高压熔断器的选择及校验.................................................................................15(六)母线选择及校验.................................................................................................16(七)各主要电气设备选择结果一览表见附录2。..................................................16六、防雷及过电压保护装置设计.................................................................................16(一)变电站(所)直击雷防护.................................................................................16(二)侵入波过电压防护.............................................................................................17(三)进线段保护.........................................................................................................17(四)三绕组变电器和变压器中性点的防雷保护.....................................................18(五)接地装置设计.....................................................................................................18(六)避雷器的选择...........

1、当您付费下载文档后,您只拥有了使用权限,并不意味着购买了版权,文档只能用于自身使用,不得用于其他商业用途(如 [转卖]进行直接盈利或[编辑后售卖]进行间接盈利)。
2、本站所有内容均由合作方或网友上传,本站不对文档的完整性、权威性及其观点立场正确性做任何保证或承诺!文档内容仅供研究参考,付费前请自行鉴别。
3、如文档内容存在违规,或者侵犯商业秘密、侵犯著作权等,请点击“违规举报”。

碎片内容

110KV降压变电站一次部分设计设计说明书

您可能关注的文档

确认删除?
VIP
微信客服
  • 扫码咨询
会员Q群
  • 会员专属群点击这里加入QQ群
客服邮箱
回到顶部