电脑桌面
添加小米粒文库到电脑桌面
安装后可以在桌面快捷访问

中国第四冶金建设公司隧道监控量测方案VIP专享VIP免费

中国第四冶金建设公司隧道监控量测方案_第1页
1/11
中国第四冶金建设公司隧道监控量测方案_第2页
2/11
中国第四冶金建设公司隧道监控量测方案_第3页
3/11
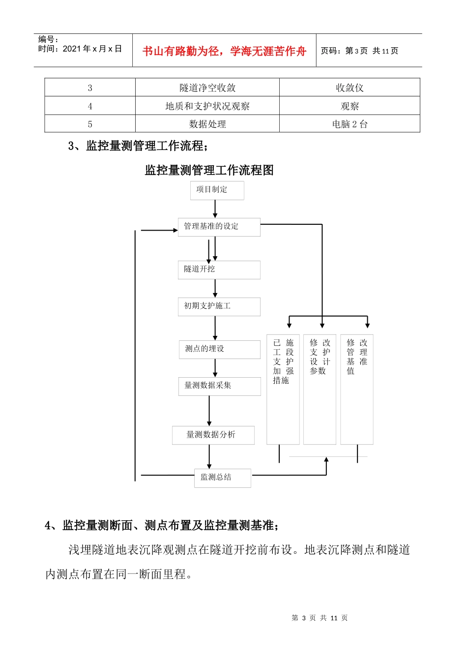
第1页共11页编号:时间:2021年x月x日书山有路勤为径,学海无涯苦作舟页码:第1页共11页监控量测方案监控量测是在隧道施工过程中对围岩、地表、支护变形和稳定状态,以及周边环境动态进行经常性观察和量测的工作。一、监控量测的技术(一)监控量测目的1、确保施工安全及结构的长期稳定性;2、研究监测工程状况,积累量测数据,并通过观测数据与理论上的工程特性指标进行比较,以便了解设计的合理程度及围岩活动状况,为施工提供依据;3、通过监控量测了解该工程条件下所表现、反映出来的一些地下工程规律和特点,为今后类似工程积累施工经验;4、观察隧洞支护结构和周围岩体的变形及应力状态及其稳定情况,隧道支护结构和周围岩体的各种破坏形式产生之前通常有大的位移、变形、受力异常等,通过观测结果及时发现这些危险因素,杜绝塌方、冒顶等重大地质灾害事故;5、确定二次衬砌合理的施作时间。(二)编制监控量测实施细则主要内容1、监控量测项目;监控量测分为必测项目和选测项目两类。必测项目是隧道工程应进行的日常监控量测项目。选测项目应根据隧道建设规模、围岩的性质、第2页共11页第1页共11页编号:时间:2021年x月x日书山有路勤为径,学海无涯苦作舟页码:第2页共11页隧道埋置深度、开挖方式等特殊要求进行的监控量测项目。根据本合同段的施工合同,制定本方案;本方案只叙述必测项目,具体见下图。监控项目表序号项目名称方法及工具布置断面数布置位置量测间隔时间1-15天16-1月1月-3月3个月以后必测项目1地质和支护状况观察岩性、结构面产状及支护裂缝观察或描述,开挖后及初期支护后进行每次爆破后2周边位移拱顶下沉收敛计,水平仪及水平尺具体量测断面详见左右洞监控量测桩号表1次/天1次/天1次/周2次/月3地表下沉水平仪及水平尺隧道进出口浅埋段落。具体量测断面详见左右洞监控量测桩号表开挖面距量测断面<2B时,1-2次/天开挖面距量测断面<5B时,1次/2天开挖面距量测断面>5B时,1次/周2、人员组织及投入的仪器设备表(1)人员组织根据我单位承接着天马岭、岩前两条隧道,线长,面广的情况下,项目部组织了精干人员认真组织实施,能够按照技术标准等有关规定,制定全线的测量工作,制定测量方案:组长:刘晓东(项目副经理)副组长:汤兴华;组员:张文国、周国强、刘浩然、侯郡廷(2)监控量测设备配置表序号监测项目监测仪器1地表沉降水准仪、水平尺2隧道拱顶下沉水准仪第3页共11页第2页共11页项目制定管理基准的设定隧道开挖初期支护施工测点的埋设量测数据采集监测总结编号:时间:2021年x月x日书山有路勤为径,学海无涯苦作舟页码:第3页共11页3隧道净空收敛收敛仪4地质和支护状况观察观察5数据处理电脑2台3、监控量测管理工作流程;监控量测管理工作流程图4、监控量测断面、测点布置及监控量测基准;浅埋隧道地表沉降观测点在隧道开挖前布设。地表沉降测点和隧道内测点布置在同一断面里程。量测数据分析已施工段支护加强措施修改支护设计参数修改管理基准值第4页共11页第3页共11页编号:时间:2021年x月x日书山有路勤为径,学海无涯苦作舟页码:第4页共11页(1)地表下沉浅埋隧道地表沉降测点在隧道开挖前布设。每个断面埋置五个点位具体分布在沉陷槽埋置一个点位,以沉陷槽为中各左右方向8米、20至25米处各埋一个点位,同时在每个隧道的沉陷区以外设置一个水准点,作为观测的基点,具体埋设桩号见桩号表;地表下沉埋设桩号一览表序号位置桩号表1天马岭隧道左洞ZK27+650、ZK27+660、ZK27+670、ZK27+680、2天马岭隧道右洞YK27+637、YK27+647、YK27+660、YK27+6703岩前隧道左洞ZK31+010、ZK31+020、ZK31+030、ZK31+040、4岩前隧道右洞YK31+000、YK31+010、YK31+020、YK31+030、测点的布置:(2)周边位移、拱顶下沉(具体布置的测点及桩号表):a:测点的布置第5页共11页第4页共11页编号:时间:2021年x月x日书山有路勤为径,学海无涯苦作舟页码:第5页共11页Ⅰ、拱顶下沉测点原则上设置在拱顶轴线附近。当隧道跨度较大时,结合施工方法在拱部增设测点;Ⅱ、不同断面的测点布置在相同部位,测点做到尽量对称布置,以便数据的相互验证。b、隧道量...

1、当您付费下载文档后,您只拥有了使用权限,并不意味着购买了版权,文档只能用于自身使用,不得用于其他商业用途(如 [转卖]进行直接盈利或[编辑后售卖]进行间接盈利)。
2、本站所有内容均由合作方或网友上传,本站不对文档的完整性、权威性及其观点立场正确性做任何保证或承诺!文档内容仅供研究参考,付费前请自行鉴别。
3、如文档内容存在违规,或者侵犯商业秘密、侵犯著作权等,请点击“违规举报”。

碎片内容

中国第四冶金建设公司隧道监控量测方案

确认删除?
VIP
微信客服
  • 扫码咨询
会员Q群
  • 会员专属群点击这里加入QQ群
客服邮箱
回到顶部