电脑桌面
添加小米粒文库到电脑桌面
安装后可以在桌面快捷访问

中国建筑标准设计研究所工程设计图纸图幅&图签&首页管理规定VIP免费

中国建筑标准设计研究所工程设计图纸图幅&图签&首页管理规定_第1页
1/8
中国建筑标准设计研究所工程设计图纸图幅&图签&首页管理规定_第2页
2/8
中国建筑标准设计研究所工程设计图纸图幅&图签&首页管理规定_第3页
3/8
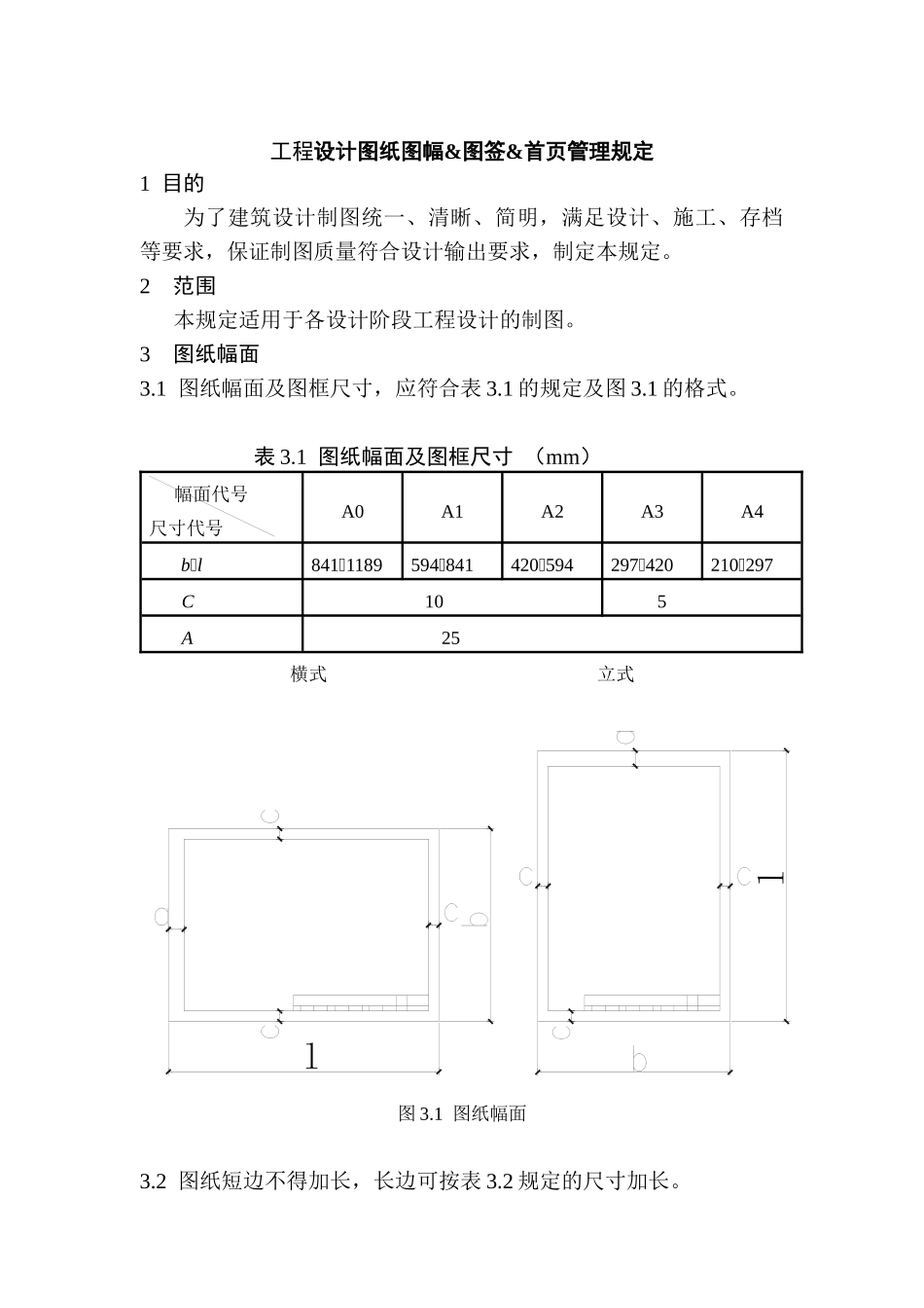
工程设计图纸图幅&图签&首页管理规定1目的为了建筑设计制图统一、清晰、简明,满足设计、施工、存档等要求,保证制图质量符合设计输出要求,制定本规定。2范围本规定适用于各设计阶段工程设计的制图。3图纸幅面3.1图纸幅面及图框尺寸,应符合表3.1的规定及图3.1的格式。表3.1图纸幅面及图框尺寸(mm)幅面代号尺寸代号A0A1A2A3A4bl8411189594841420594297420210297C105A25横式立式图3.1图纸幅面3.2图纸短边不得加长,长边可按表3.2规定的尺寸加长。ll表3.2图纸长边加长尺寸(mm)幅面代号长边尺寸长边加长后尺寸A01189133814871635178419322081A1841105112611472168218922102A25947438921041118913381487A342063184110511261147216823.3A0—A2图一般宜横式使用,必要时也可立式使用。3.4一个专业所用图纸,不宜多于两种幅面。4标题栏与会签栏4.1标题栏均设置在图纸的右下角(见图2.1)。4.2标题栏的尺寸为18040,按图3.2的格式分区。审定、审核、校对、设计主持人、工种负责人及设计,除本人签字外,还应有宋体字打印的实名栏。标题采用黑体字(图4.2)。4.3会签栏的格式见图3.3。会签人的姓名也设置为实名栏和签名栏。一个会签栏不够时,可并列两个。不需会签的图纸可不设会签栏。图4.2标题栏图4.3会签栏5图线、字体、比例、符号、定位轴线、常用建筑材料图例、画法及尺寸注法等,均按《房《屋建筑制图统一标准》的规定执行。6图号图号的编写按以下规定:首字以“总、建、结、水、暖、电、弱、动、讯”标注。后面文字根据设计阶段确定:初步设计为“初”;施工图设计为“施”。特殊的编号方式应在图纸目录备注中加以说明。7扉页中国建筑标准设计研究所交付的方案设计和初步设计,均应有扉页。7.1扉页格式见图7.1。7.2扉页上的签字7.2.1重要项目的方案设计和初步设计,扉页上应有所长、总建筑(工程)师、设计主持人和方案设计人的签名,签署必须完备。7.2.2.一般项目的方案设计和初步设计,扉页上应有室主任、主任建筑(工程)师、设计主持人和方案设计人的签名,签署必须完备。8图纸目录8.1作为报批图纸的初步设计图纸,在装订本的所有图纸前应填写全部图纸目录。8.2施工图设计,各专业在施工图中应列出图纸目录,格式见图8.2。方案设计(所标)(初步设计)中国建筑标准设计研究所工程名称所长工程设计证号:甲级总建筑师签章:设计主持人方案设计人年月日方案设计(所标)(初步设计)中国建筑标准设计研究所工程名称室主任工程设计证号:甲级主任建筑师签章:设计主持人方案设计人年月日图7.1扉页格式图纸目录序号图号图纸名称规格备注附录A(工程设计项目名称)(设计阶段名称)中国建筑标准设计研究所年月北京(外封面格式)附录B工程编号:(工程设计项目名称)(设计阶段名称)中国建筑标准设计研究所工程设计证书:0100411年月(内封面格式)附录C(工程设计项目名称)(设计阶段名称)所长:总建筑师:设计主持人:方案设计人:(适用于方案设计)(扉页格式)

1、当您付费下载文档后,您只拥有了使用权限,并不意味着购买了版权,文档只能用于自身使用,不得用于其他商业用途(如 [转卖]进行直接盈利或[编辑后售卖]进行间接盈利)。
2、本站所有内容均由合作方或网友上传,本站不对文档的完整性、权威性及其观点立场正确性做任何保证或承诺!文档内容仅供研究参考,付费前请自行鉴别。
3、如文档内容存在违规,或者侵犯商业秘密、侵犯著作权等,请点击“违规举报”。

碎片内容

中国建筑标准设计研究所工程设计图纸图幅&图签&首页管理规定

您可能关注的文档

确认删除?
VIP
微信客服
  • 扫码咨询
会员Q群
  • 会员专属群点击这里加入QQ群
客服邮箱
回到顶部