电脑桌面
添加小米粒文库到电脑桌面
安装后可以在桌面快捷访问

卸料平台方案VIP免费

卸料平台方案_第1页
1/11
卸料平台方案_第2页
2/11
卸料平台方案_第3页
3/11
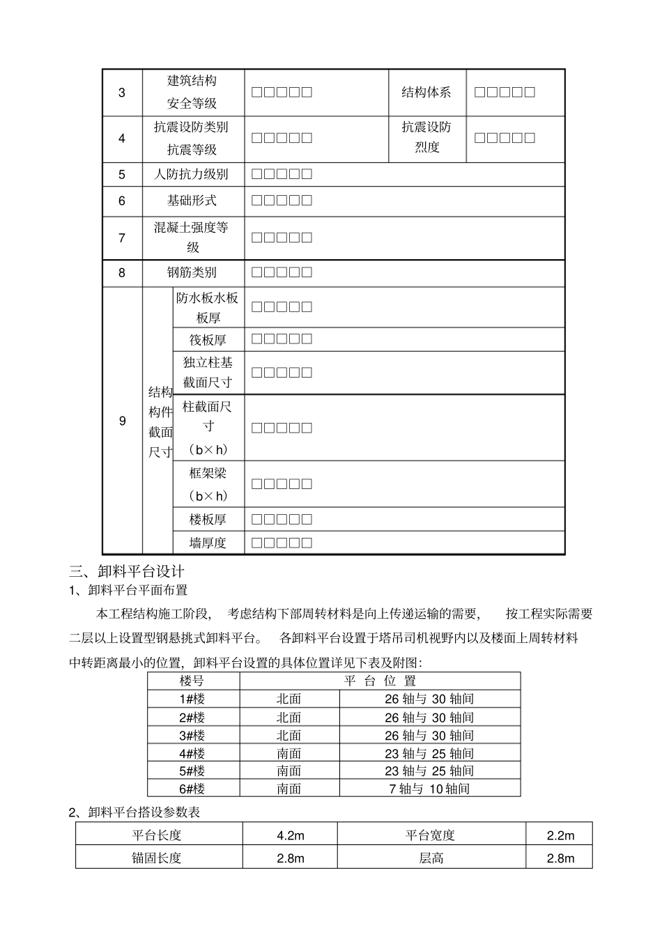
目录卸料平台施工方案一、编制依据1、设计文件;2、《建筑结构荷载规范》GB50009;3、《混凝土结构设计规范》GB50010;4、《混凝土结构工程施工规范》GB50666;5、《混凝土结构工程施工质量验收规范》GB50204;6、《钢结构设计规范》GB50017;7、《钢结构工程施工规范》GB50755;8、《钢结构工程施工质量验收规范》GB50205;9、《钢丝绳标准》GB/T8918;10、《重要用途钢丝绳国家标准》GB8918;11、《建筑施工安全检查标准》JGJ59;12《建筑施工高处作业安全技术规范》JGJ80;13、危险性较大的分部分项工程安全管理办法(建质[2009]87号文);14、《浙江省长城建设集团有限公司企业标准》ZTB104;15、本工程施工组织设计;注:上述规范填写最新版本号。二、工程概况1、工程简介序号项目主要内容1工程名称□□□□□2工程地点□□□□□3建设单位□□□□□4设计单位□□□□□5监理单位□□□□□6施工总承包单位□□□□□6建设规模□□□□□7质量标准□□□□□8工期要求□□□□□9安全文明施工要求□□□□□2、设计概况建筑概况特征序号项目名称内容1总建筑面积□□□□□2层数□□□□□3耐火等级□□□□□4防水等级□□□□□5设计使用年限□□□□□6高程□□□□□结构概况特征序号结构概况1主体结构□□□□□地下室层数□□□□□3建筑结构安全等级□□□□□结构体系□□□□□4抗震设防类别抗震等级□□□□□抗震设防烈度□□□□□5人防抗力级别□□□□□6基础形式□□□□□7混凝土强度等级□□□□□8钢筋类别□□□□□9结构构件截面尺寸防水板水板板厚□□□□□筏板厚□□□□□独立柱基截面尺寸□□□□□柱截面尺寸(b×h)□□□□□框架梁(b×h)□□□□□楼板厚□□□□□墙厚度□□□□□三、卸料平台设计1、卸料平台平面布置本工程结构施工阶段,考虑结构下部周转材料是向上传递运输的需要,按工程实际需要二层以上设置型钢悬挑式卸料平台。各卸料平台设置于塔吊司机视野内以及楼面上周转材料中转距离最小的位置,卸料平台设置的具体位置详见下表及附图:楼号平台位置1#楼北面26轴与30轴间2#楼北面26轴与30轴间3#楼北面26轴与30轴间4#楼南面23轴与25轴间5#楼南面23轴与25轴间6#楼南面7轴与10轴间2、卸料平台搭设参数表平台长度4.2m平台宽度2.2m锚固长度2.8m层高2.8m吊筋直径20mm锚筋直径18mm钢丝绳6*37Ф20钢丝绳夹个数3内侧次梁离墙水平距离(m)外侧钢丝绳离墙水平距离(m)主梁16b#槽钢(U口水平)主梁间距L1(m)次梁14a#槽钢(U口水平)次梁根数4根(间距1000mm)3、悬挑式卸料平台构造要求本工程二层以上悬挑式卸料平台采用型钢装配式设计。其平台尺寸采用4200mm×2200mm,允许堆载m2,最大堆放材料荷载()。主梁采用[16a@2200,悬挑长度4200mm,锚固长度2800mm;次梁采用[14a@1m,平台上铺5厚花纹钢板。主梁上设两道直径不小于20mm的钢丝绳拉结(吊环采用钢板与型钢焊接,注意其连接质量),拉结点离墙距离分别是2.8m与4.0m(距平台最外端200mm),钢丝绳与结构拉环采用A20预埋拉环,锚固长度为800mm,拉结位置与下层平台对应。平台设置300高踢脚栏杆和1.20m高扶手栏杆。型钢抱箍采用直径为φ18预埋压环。⑴悬挑式槽钢卸料平台应按现行的相应规范进行设计,其结构构造应能防止左右晃动,计算书及图纸应编入施工方案。⑵悬挑式槽钢卸料平台的搁支点与上部拉接点,必须位于建筑物上,不得设置在脚手架等施工设备上。⑶钢丝绳构造上两边各设前后两道,两道中的每一道均应作单道受力计算。⑷应设置4个经过验算的吊环。吊运平台时应使用卡环,不得使用吊钩直接钩挂吊环。吊环应用圆钢制作。⑸平台吊装时,钢丝绳应采用专用的挂钩挂牢,采取其他方式时卡头的卡子不得少于3个。建筑物锐角利口围系钢丝绳处应加衬软垫物,钢平台外口应略高于内口。⑹平台左右两侧必须装置固定的防护栏杆。平台上的脚手板应铺严绑牢,平台周围须设置不低于1.2m高的防护围栏,围栏里侧用铁丝网封严,下口设置180mm挡脚板,护栏上严禁搭设物品。⑺平台吊装,需待横梁支撑点电焊固定,接好钢丝绳,调整完毕,经过检查验收,方可松卸起重吊钩,上下操作。⑻平台使用时,应有专...

1、当您付费下载文档后,您只拥有了使用权限,并不意味着购买了版权,文档只能用于自身使用,不得用于其他商业用途(如 [转卖]进行直接盈利或[编辑后售卖]进行间接盈利)。
2、本站所有内容均由合作方或网友上传,本站不对文档的完整性、权威性及其观点立场正确性做任何保证或承诺!文档内容仅供研究参考,付费前请自行鉴别。
3、如文档内容存在违规,或者侵犯商业秘密、侵犯著作权等,请点击“违规举报”。

碎片内容

卸料平台方案

您可能关注的文档

确认删除?
VIP
微信客服
  • 扫码咨询
会员Q群
  • 会员专属群点击这里加入QQ群
客服邮箱
回到顶部