电脑桌面
添加小米粒文库到电脑桌面
安装后可以在桌面快捷访问

冲压模具常用标准件VIP免费

冲压模具常用标准件_第1页
1/44
冲压模具常用标准件_第2页
2/44
冲压模具常用标准件_第3页
3/44
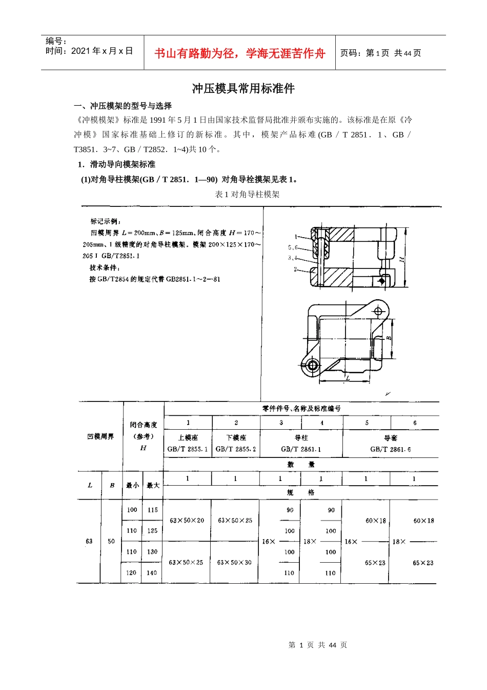
第1页共44页编号:时间:2021年x月x日书山有路勤为径,学海无涯苦作舟页码:第1页共44页冲压模具常用标准件一、冲压模架的型号与选择《冲模模架》标准是1991年5月1日由国家技术监督局批准并颁布实施的。该标准是在原《冷冲模》国家标准基础上修订的新标准。其中,模架产品标难(GB/T2851.1、GB/T3851.3~7、GB/T2852.1~4)共10个。1.滑动导向模架标准(1)对角导柱模架(GB/T2851.1—90)对角导栓摸架见表1。表1对角导柱模架第2页共44页第1页共44页编号:时间:2021年x月x日书山有路勤为径,学海无涯苦作舟页码:第2页共44页(续)第3页共44页第2页共44页编号:时间:2021年x月x日书山有路勤为径,学海无涯苦作舟页码:第3页共44页(续)第4页共44页第3页共44页编号:时间:2021年x月x日书山有路勤为径,学海无涯苦作舟页码:第4页共44页(续)第5页共44页第4页共44页编号:时间:2021年x月x日书山有路勤为径,学海无涯苦作舟页码:第5页共44页(续)第6页共44页第5页共44页编号:时间:2021年x月x日书山有路勤为径,学海无涯苦作舟页码:第6页共44页后侧导柱模架(GB/T2851.3——90)第7页共44页第6页共44页编号:时间:2021年x月x日书山有路勤为径,学海无涯苦作舟页码:第7页共44页第8页共44页第7页共44页编号:时间:2021年x月x日书山有路勤为径,学海无涯苦作舟页码:第8页共44页(续)第9页共44页第8页共44页编号:时间:2021年x月x日书山有路勤为径,学海无涯苦作舟页码:第9页共44页(续)第10页共44页第9页共44页编号:时间:2021年x月x日书山有路勤为径,学海无涯苦作舟页码:第10页共44页第11页共44页第10页共44页编号:时间:2021年x月x日书山有路勤为径,学海无涯苦作舟页码:第11页共44页(续)第12页共44页第11页共44页编号:时间:2021年x月x日书山有路勤为径,学海无涯苦作舟页码:第12页共44页后侧导柱窄形模架(mm)第13页共44页第12页共44页编号:时间:2021年x月x日书山有路勤为径,学海无涯苦作舟页码:第13页共44页第14页共44页第13页共44页编号:时间:2021年x月x日书山有路勤为径,学海无涯苦作舟页码:第14页共44页中间导柱模架(mm)第15页共44页第14页共44页编号:时间:2021年x月x日书山有路勤为径,学海无涯苦作舟页码:第15页共44页(续)第16页共44页第15页共44页编号:时间:2021年x月x日书山有路勤为径,学海无涯苦作舟页码:第16页共44页第17页共44页第16页共44页编号:时间:2021年x月x日书山有路勤为径,学海无涯苦作舟页码:第17页共44页(续)第18页共44页第17页共44页编号:时间:2021年x月x日书山有路勤为径,学海无涯苦作舟页码:第18页共44页(续)第19页共44页第18页共44页编号:时间:2021年x月x日书山有路勤为径,学海无涯苦作舟页码:第19页共44页(续)中间导柱圆形模架(mm)第20页共44页第19页共44页编号:时间:2021年x月x日书山有路勤为径,学海无涯苦作舟页码:第20页共44页(续)第21页共44页第20页共44页编号:时间:2021年x月x日书山有路勤为径,学海无涯苦作舟页码:第21页共44页第22页共44页第21页共44页编号:时间:2021年x月x日书山有路勤为径,学海无涯苦作舟页码:第22页共44页(续)四导柱模架(GB/T2851.7—90)(mm)第23页共44页第22页共44页编号:时间:2021年x月x日书山有路勤为径,学海无涯苦作舟页码:第23页共44页(续)第24页共44页第23页共44页编号:时间:2021年x月x日书山有路勤为径,学海无涯苦作舟页码:第24页共44页第25页共44页第24页共44页编号:时间:2021年x月x日书山有路勤为径,学海无涯苦作舟页码:第25页共44页第26页共44页第25页共44页编号:时间:2021年x月x日书山有路勤为径,学海无涯苦作舟页码:第26页共44页第27页共44页第26页共44页编号:时间:2021年x月x日书山有路勤为径,学海无涯苦作舟页码:第27页共44页第28页共44页第27页共44页编号:时间:2021年x月x日书山有路勤为径,学海无涯苦作舟页码:第28页共44页第29页共44页第28页共44页编号:时间:2021年x月x日书山有路勤为径,学海无涯苦作舟页码:第29页共44页第30页共44页第29页共44页编号:时间:2021年x月x日书山有路勤...

1、当您付费下载文档后,您只拥有了使用权限,并不意味着购买了版权,文档只能用于自身使用,不得用于其他商业用途(如 [转卖]进行直接盈利或[编辑后售卖]进行间接盈利)。
2、本站所有内容均由合作方或网友上传,本站不对文档的完整性、权威性及其观点立场正确性做任何保证或承诺!文档内容仅供研究参考,付费前请自行鉴别。
3、如文档内容存在违规,或者侵犯商业秘密、侵犯著作权等,请点击“违规举报”。

碎片内容

冲压模具常用标准件

确认删除?
VIP
微信客服
  • 扫码咨询
会员Q群
  • 会员专属群点击这里加入QQ群
客服邮箱
回到顶部