电脑桌面
添加小米粒文库到电脑桌面
安装后可以在桌面快捷访问

《CNC控制软件的研制及其在五轴联动数控工具磨床上的应用》可VIP专享VIP免费

《CNC控制软件的研制及其在五轴联动数控工具磨床上的应用》可_第1页
1/21
《CNC控制软件的研制及其在五轴联动数控工具磨床上的应用》可_第2页
2/21
《CNC控制软件的研制及其在五轴联动数控工具磨床上的应用》可_第3页
3/21
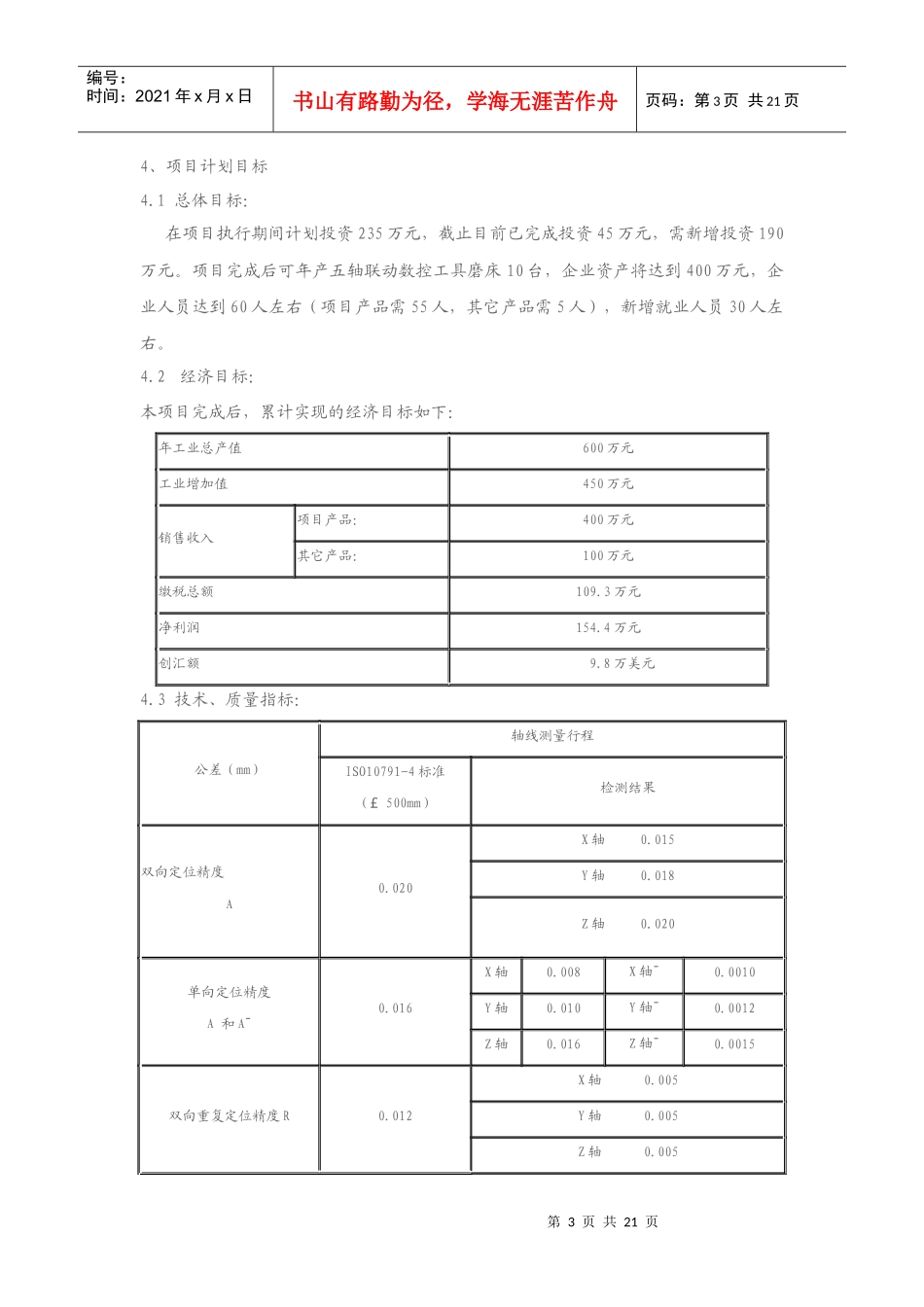
第1页共21页编号:时间:2021年x月x日书山有路勤为径,学海无涯苦作舟页码:第1页共21页《CNC控制软件的研制及其在五轴联动数控工具磨床上的应用》可行性报告一、总论1、概述1.1项目名称:CNC控制软件的研制及其在五轴联动数控工具磨床上的应用1.2项目的主要内容:我厂研制的MKW6014五轴联动CNC工具磨床,利用“刃点跟踪法”计算软件,实现了五轴联动,目前国内尚无其他厂家生产,填补了国内空白。磨床采用工控机控制,广泛应用于航空、航天、机械、模具等行业,编程加工一次磨削完成曲面复杂的精密特型刀具。属于本年度创新基金重点支持项目(见《2001年度科技型中小企业技术创新基金若干重点项目指南》P44:“数控系统高性能、结构化、商品化软件包”)。2、项目的社会经济意义、目前进展情况、申请创新基金的必要性2.1项目的社会经济意义2.1.1数控技术及计算机辅助设计与制造(CAD/CAM)技术的迅速发展,使传统的机械设计与制造进入现代制造技术的行列。特别是CNC机床、加工中心和柔性制造单元的普及应用,大幅度缩短了产品制造周期,提高了产品竞争力,同时对所需要刀具的形状、尺寸、精度及性能一致性提出更高的要求。由于飞机、模具、汽车和机电一体化等精密制造业采用数控加工,出现了一大批轮廓复杂的特型数控刀具。有关资料显示,在发达国家,特型刀具实现了不经铣削直接采用数控磨削一次加工成形的工艺,并生产出相应的强力磨削数控工具磨床,实现了加工各种特型刀具的功能转换,为刀具制造工艺带来大变革、大突破。2.1.2在国内,由于国产五轴联动数控工具磨床制造为一空白,影响了特型刀具的生产制造,使国产特型刀具性能差,质量不稳定,使用寿命低,众多企业在数控加工中为了解决生产急需,只好花巨资购买德国Walter公司的五轴联动数控工具磨床。该机床每台售价30万美元(合人民币240万元),价格昂贵,由于国内没有替代产品,所以Walter公司的五轴联动数控工具磨床售价一直居高不下,这对我国大力发展和促进数控技术的应用非常不利。为了振兴民族工业,用自己生产的数控磨床替代进口设备,使国产刀具早日走出国门迈向世界,我们和西安交通大学机械制造及自动化研究所联第2页共21页第1页共21页编号:时间:2021年x月x日书山有路勤为径,学海无涯苦作舟页码:第2页共21页合开发了五轴联动CNC数控工具磨床。2.2项目的进展情况我厂在1999年初提出项目设想,然后收集各方面资料,向有关大专院校和研究所咨询,查阅资料,获取国内外动态,然后详细确定方案并请专家论证,在得到肯定的情况下,1999年下半年开始试制,2000年3月制成样机,五月份在上海机床博览会上展出并进行现场加工表演,得到国内外同行的一致好评和国外专家的赞赏。后来我们进一步完善了软件功能,调试更换了部分硬件,使机床的机械性能和软硬件性能完全接近国外同行企业德国Walter公司的工具磨床HelitRomiMiniPower的水准。2.3申请创新基金的必要性两年来为了研制该设备,企业“以副养主”自筹资金45万元,全部用于开发研制,生产出样机才使这朵高科技奇葩含苞待放。现在我们集中人力、物力、财力,正在全力以赴加快软件的开发提高机床性能的步伐,力争一年左右时间形成小批量生产能力,但需补充资金,故申请科技创新基金。3、项目实施的优势及风险3.1项目实施的优势咸阳台式机床厂始建于1991年,其前身为咸阳中山通用机械厂,主导产品为台式钻铣机床,万能刀具刃具磨床。多年来,厂领导始终把技术进步和新产品开发放在首位,每年用于高新技术研究的经费约占销售额的10%。从1997年开始,我厂投入大量人力、物力与天津大学进行厂校合作开发单片机控制的五轴四联动数控工具磨床,过度到今天的工控机五轴联动数控工具磨床,对数控工具磨床的制造积累了丰富的经验。同时我们和西安交通大学进行了产学研联合,转化科研成果,使项目实施的优势更加明显。更重要的是国家对高科技产业的扶持和西部开发的政策增强了我们把该项目进行到底的决心和信心。3.2项目实施的风险投资大,科技含量高,市场营销网络不完善是该项目实施的风险。我们投入大量资金经过两年的努力,生产出功能齐全的样机,已经将大部分风险化解...

1、当您付费下载文档后,您只拥有了使用权限,并不意味着购买了版权,文档只能用于自身使用,不得用于其他商业用途(如 [转卖]进行直接盈利或[编辑后售卖]进行间接盈利)。
2、本站所有内容均由合作方或网友上传,本站不对文档的完整性、权威性及其观点立场正确性做任何保证或承诺!文档内容仅供研究参考,付费前请自行鉴别。
3、如文档内容存在违规,或者侵犯商业秘密、侵犯著作权等,请点击“违规举报”。

碎片内容

《CNC控制软件的研制及其在五轴联动数控工具磨床上的应用》可

确认删除?
VIP
微信客服
  • 扫码咨询
会员Q群
  • 会员专属群点击这里加入QQ群
客服邮箱
回到顶部