电脑桌面
添加小米粒文库到电脑桌面
安装后可以在桌面快捷访问

互联网搜索在电工电子技能实训三中的应用VIP免费

互联网搜索在电工电子技能实训三中的应用_第1页
1/10
互联网搜索在电工电子技能实训三中的应用_第2页
2/10
互联网搜索在电工电子技能实训三中的应用_第3页
3/10
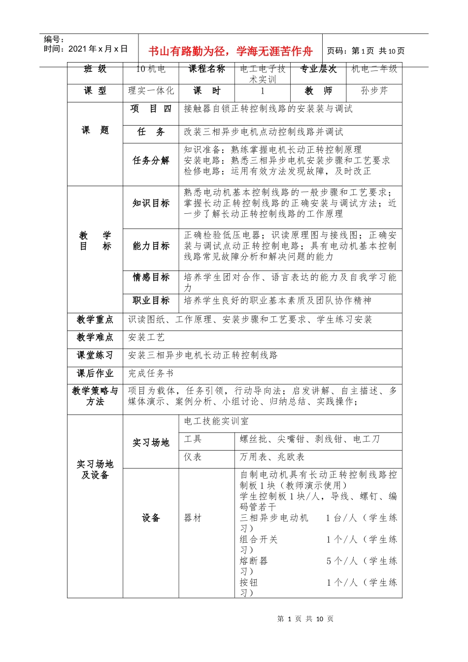
第1页共10页编号:时间:2021年x月x日书山有路勤为径,学海无涯苦作舟页码:第1页共10页班级10机电课程名称电工电子技术实训专业层次机电二年级课型理实一体化课时1教师孙步芹课题项目四接触器自锁正转控制线路的安装装与调试任务改装三相异步电机点动控制线路并调试任务分解知识准备:熟练掌握电机长动正转控制原理安装电路:熟悉三相异步电机安装步骤和工艺要求检修电路:运用有效方法发现故障,及时改正教学目标知识目标熟悉电动机基本控制线路的一般步骤和工艺要求;掌握长动正转控制线路的正确安装与调试方法;近一步了解长动正转控制线路的工作原理能力目标正确检验低压电器;识读原理图与接线图;正确安装与调试点动正转控制电路;具有电动机基本控制线路常见故障分析和解决问题的能力情感目标培养学生团对合作、语言表达的能力及自我学习能力职业目标培养学生良好的职业基本素质及团队协作精神教学重点识读图纸、工作原理、安装步骤和工艺要求、学生练习安装教学难点安装工艺课堂练习安装三相异步电机长动正转控制线路课后作业完成任务书教学策略与方法项目为载体,任务引领,行动导向法;启发讲解、自主描述、多媒体演示、案例分析、小组讨论、归纳总结、实践操作;实习场地及设备实习场地电工技能实训室工具螺丝批、尖嘴钳、剥线钳、电工刀仪表万用表、兆欧表设备器材自制电动机具有长动正转控制线路控制板1块(教师演示使用)学生控制板1块/人,导线、螺钉、编码管若干三相异步电动机1台/人(学生练习)组合开关1个/人(学生练习)熔断器5个/人(学生练习)按钮1个/人(学生练习)第2页共10页第1页共10页编号:时间:2021年x月x日书山有路勤为径,学海无涯苦作舟页码:第2页共10页端子板1个/人(学生练习)第3页共10页第2页共10页编号:时间:2021年x月x日书山有路勤为径,学海无涯苦作舟页码:第3页共10页【教材分析】【学生情况分析】【教学方法】【课前准备】三相异步电机点动正转控制是所用教材的重点实训内容。本课题打破了传统学科知识体系的结构,理论联系实际,向工作过程系统化发展。采用让学生学会完成完整的工作过程的课程模式,紧紧围绕工作任务完成的需要来选择课程内容。充分体现了对学科知识的系统把握,体现了以工作任务为导向的教学改革的深刻领会。把系统、繁琐、难以理解的电气理论知识通过实践课题分解开来,便于学生理解与掌握。每个实训任务包含完整的完成任务的操作过程,使学生可以一步步的完成任务。每次任务的完成,均给学生适当的评分结果。大大激发了学生的兴趣和成就感。为以后学习较复杂的电力拖动控制奠定了坚实的基础。此班学生学习积极性高,动手能力较强,大部分同学都能识别电气原理图,能够掌握电路安装、调试与检修。少部分同学对综合性问题的理解能力稍差。本课题采用学生分组的学习模式。运用讲解法、演示法、练习法、任务驱动法、师生互动法、分层教学法的多种直观教学方法。通过一体化教学,以自主、合作、探究的学习方式,引导学生主动参与,勤于思考。整个教学过程以工作任务为导向,把理论形象化、简单化,从而达到传授学生知识之目的。激发了学生探求新知识的兴趣和动机,为突破难点提供了良好的情境。1、准备好教具:三相异步电机的工作原理图、电拖实验板、摇表、万用表、电动机等。2、将学生按照学习层次进行分组,共分为八个组,尽量让每组学生的学习能力都是层次搭配,以便学生讨论问题和完成工作任务。第4页共10页第3页共10页编号:时间:2021年x月x日书山有路勤为径,学海无涯苦作舟页码:第4页共10页项目名称:三相异步电动机长动正转控制线路任务:安装三相异步电动机长动正转控制线路主线路连接组织教学活动总过程的设计:1、师生问好2、班长清点人数教师活动:问好环顾学生学生活动:起立问好端正坐姿班长清点人数向老师报告活动达到的目的时间分配使学生注意力集中,进入学习状态1分钟课题导入课题导入:课件展示视频【百度搜索】http://v.youku.com/v_show/id_XMTQzNjQxMzQw.html教师提问:从中我们可以看到什么在起重要的作用?因利势导:我们继续看下面的几张图片,能看出他们的共同点吗?电动车车轮的旋...

1、当您付费下载文档后,您只拥有了使用权限,并不意味着购买了版权,文档只能用于自身使用,不得用于其他商业用途(如 [转卖]进行直接盈利或[编辑后售卖]进行间接盈利)。
2、本站所有内容均由合作方或网友上传,本站不对文档的完整性、权威性及其观点立场正确性做任何保证或承诺!文档内容仅供研究参考,付费前请自行鉴别。
3、如文档内容存在违规,或者侵犯商业秘密、侵犯著作权等,请点击“违规举报”。

碎片内容

互联网搜索在电工电子技能实训三中的应用

您可能关注的文档

确认删除?
VIP
微信客服
  • 扫码咨询
会员Q群
  • 会员专属群点击这里加入QQ群
客服邮箱
回到顶部