电脑桌面
添加小米粒文库到电脑桌面
安装后可以在桌面快捷访问

PET碳酸饮料瓶化验作业指导书VIP免费

PET碳酸饮料瓶化验作业指导书_第1页
1/11
PET碳酸饮料瓶化验作业指导书_第2页
2/11
PET碳酸饮料瓶化验作业指导书_第3页
3/11
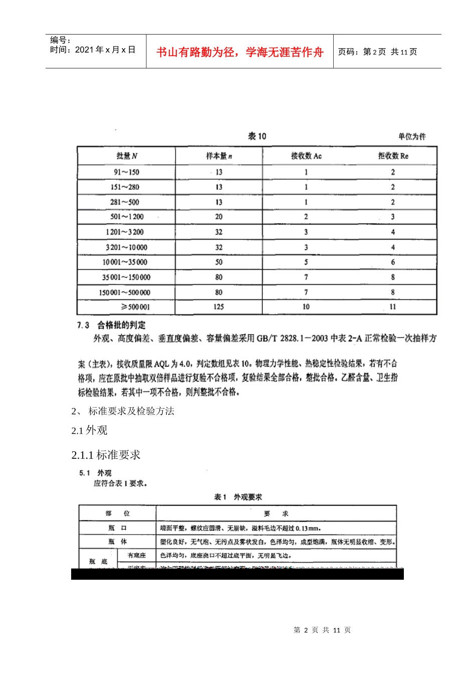
第1页共11页编号:时间:2021年x月x日书山有路勤为径,学海无涯苦作舟页码:第1页共11页第一节、PET瓶坯进货检验参照GB13113-1991执行第二节、塑料防盗盖进货检验参照GB2460-99执行第三节、PET碳酸饮料瓶产品参照GB1868-2004执行1、检验规则第2页共11页第1页共11页编号:时间:2021年x月x日书山有路勤为径,学海无涯苦作舟页码:第2页共11页2、标准要求及检验方法2.1外观2.1.1标准要求第3页共11页第2页共11页编号:时间:2021年x月x日书山有路勤为径,学海无涯苦作舟页码:第3页共11页2.1.2试验方法2.2高度偏差2.2.1标准要求2.2.2试验方法2.3容量偏差2.3.1标准要求第4页共11页第3页共11页编号:时间:2021年x月x日书山有路勤为径,学海无涯苦作舟页码:第4页共11页2.3.2试验方法第5页共11页第4页共11页编号:时间:2021年x月x日书山有路勤为径,学海无涯苦作舟页码:第5页共11页3、跌落性能相关记录:《瓶盖进货检验记录》《瓶坯进货检验记录》《PET碳酸饮料瓶产品出厂检验合格单》《委托型式检验报告》《PET主要检测仪器一览表》(见附录1)第6页共11页第5页共11页编号:时间:2021年x月x日书山有路勤为径,学海无涯苦作舟页码:第6页共11页瓶盖进货检验记录编号:SEP-QI-PK-003-01A质检员/日期:审批/日期:瓶坯进货检验记录供应商名称检验日期数量检验数量检验地点检验标准:序号检验项目标准要求检验结果判定1外观色泽均匀,与标准样品颜色一致,产品成型饱满,结构完整,表面无明显收缩、毛边、缺损。2衬垫成型完整、无缺胶溢料、无密断裂3合格证/检验报告有不合格品处理记录结论第7页共11页第6页共11页编号:时间:2021年x月x日书山有路勤为径,学海无涯苦作舟页码:第7页共11页编号:SEP-QI-PK-003-02A供应商名称检验日期数量检验数量检验地点检验标准:序号项目标准结果判定单位最大值平均值最小值范围最大值平均值最小值1外观色泽均匀,成型饱满,表面无明显拉丝,飞边2重量克24.324.023.70.303瓶口外径毫米25.0724.9424.810.134瓶口内径毫米21.8721.7421.610.135瓶口高度毫米21.1321.0020.870.136合格证/检验报告7不合格品处理记录结论质检员/日期:审批/日期:第8页共11页第7页共11页编号:时间:2021年x月x日书山有路勤为径,学海无涯苦作舟页码:第8页共11页PET碳酸饮料瓶产品出厂检验合格单编号:SEP-QI-PK-003-03A品名规格批次生产日期:生产数量:抽样数:检验项目标准要求检验结果外观瓶口端面平整,螺纹应圆滑、无崩缺,溢料毛边不超过0.13mm。瓶体塑化良好,无气泡、无污点及雾状发白,色泽均匀,成型饱满,瓶体无明显收缩、变形。瓶底(无底座)注入碳酸饮料后浇口不超过底面,瓶能稳定地站立。高度偏差/mm(>300)极限偏差±1.8容量偏差/mL(501-1000)极限偏差+11,-6平均偏差≥0垂直载压/N≥200跌落性能从2m高处跌落瓶体应不破裂,可稳定地站立耐内压力/MPa≥1本批产品废品率(%)本批产品原料报检号:评定:检验有效日期自:年月日至年月日检验员授权签字人第9页共11页第8页共11页编号:时间:2021年x月x日书山有路勤为径,学海无涯苦作舟页码:第9页共11页委托型式检验报告编号:SEP-QI-PK-003-04A取样日期:委托单位:送样日期:品名规格批次生产日期生产数量(箱)抽样数(瓶)1、瓶口规格及尺寸偏差应符合表3(PCO瓶口)要求。第10页共11页第9页共11页编号:时间:2021年x月x日书山有路勤为径,学海无涯苦作舟页码:第10页共11页检验结果及评定2、物理力学性能、热稳定性检验项目标准要求检验结果物理力学性能密封性能/%≤17.5透射比/%≥85注:有色瓶不考虑透射比。热稳定性高度偏差/%≤3.0液面下降/mm≤16.0垂直度偏差/mm≤9.0D部位直径偏差/%≤2.5第11页共11页第10页共11页编号:时间:2021年x月x日书山有路勤为径,学海无涯苦作舟页码:第11页共11页3、乙醛含量乙醛含量应符合表9要求。检验结果及评定4、卫生标准检验项目标准要求检验结果蒸发残渣4%乙酸,60℃,0.5h≤30mg/L水,60℃,0.5h≤30mg/L65%乙醇,室温,1h≤30mg/L正己烷,室温,1h≤30mg/L高锰酸钾消耗量水,60℃,0.5h≤10mg/L重金属(以Pb计)4%乙酸,60℃,0.5h≤1.0mg/L锑(以Sb计)%乙酸,60℃,0.5h≤0.05mg/L脱色实验乙醇阴性冷餐油或无色油脂阴性浸泡液阴性本批产品废品率(%)本批产品原料报检号:评定:检验有效日期自:年月日至年月日检验员授权签字人

1、当您付费下载文档后,您只拥有了使用权限,并不意味着购买了版权,文档只能用于自身使用,不得用于其他商业用途(如 [转卖]进行直接盈利或[编辑后售卖]进行间接盈利)。
2、本站所有内容均由合作方或网友上传,本站不对文档的完整性、权威性及其观点立场正确性做任何保证或承诺!文档内容仅供研究参考,付费前请自行鉴别。
3、如文档内容存在违规,或者侵犯商业秘密、侵犯著作权等,请点击“违规举报”。

碎片内容

PET碳酸饮料瓶化验作业指导书

您可能关注的文档

确认删除?
VIP
微信客服
  • 扫码咨询
会员Q群
  • 会员专属群点击这里加入QQ群
客服邮箱
回到顶部