电脑桌面
添加小米粒文库到电脑桌面
安装后可以在桌面快捷访问

临建施工技术交底VIP免费

临建施工技术交底_第1页
1/9
临建施工技术交底_第2页
2/9
临建施工技术交底_第3页
3/9
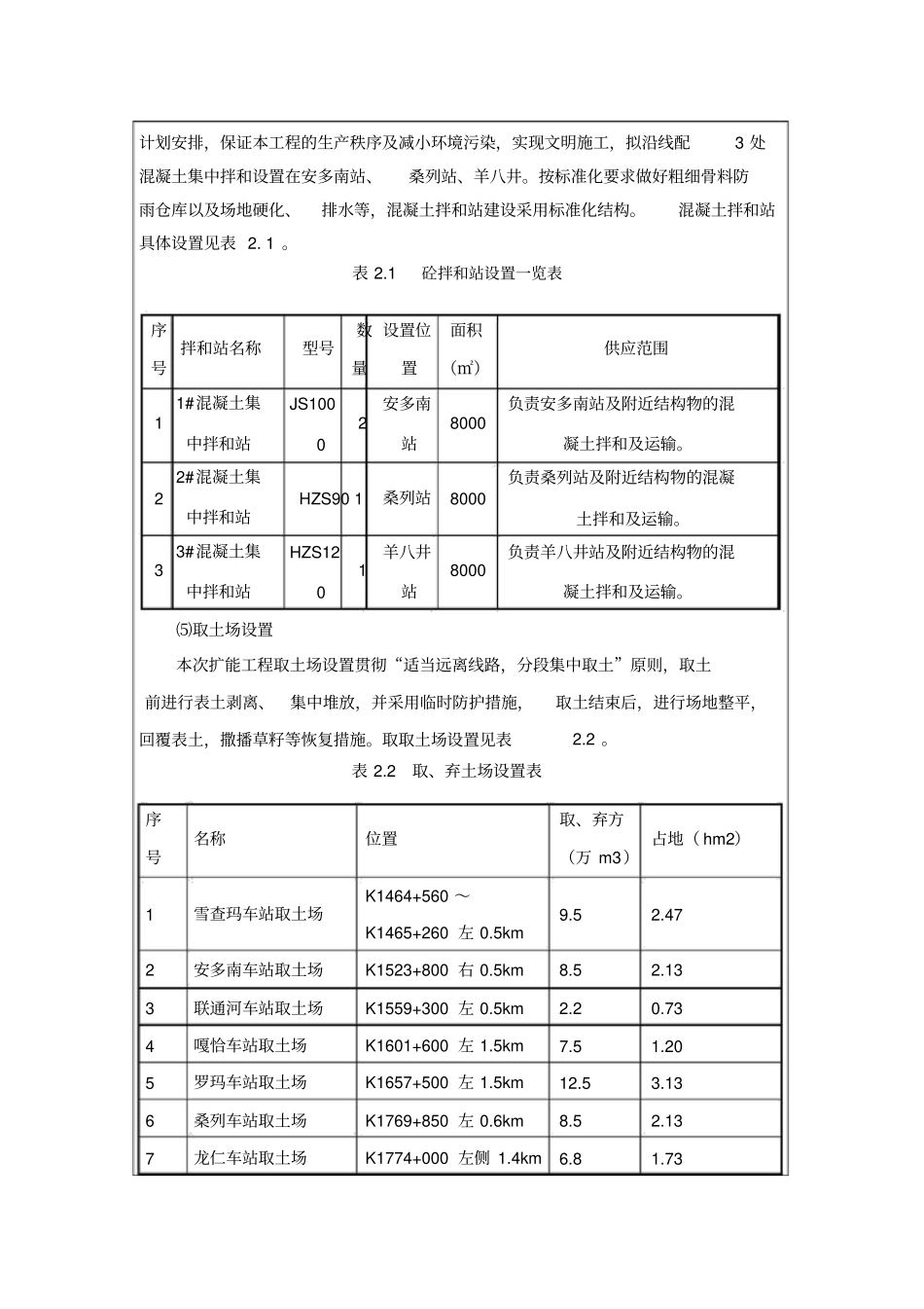
中铁十二局集团有限公司格拉3标指挥部技术交底施工单位:中铁十二局格拉指挥部编号:工程名称青藏铁路格拉段扩能改造日期2016年4工程交底内容临建施工编制依据施工图及相关技术规范及标准交底内容:一、总体规划1.1总体布局⑴临时设施本着“优先考虑永临结合、综合利用、减少用地数量、便于管理、注重环保、服务施工”的原则进行布置。⑵施工现场的道路保证畅通,并与现场的存放场、仓库、施工设备等位置相协调,符合现行铁路大型临时工程设计有关标准的规定,满足施工车辆的行车速度、密度、载重量等要求。充分利用既有道路,便道宽度按设计要求控制,便道设计考虑综合利用,修筑至站场、桥涵、混凝土拌和站等工点,施工便道满足重型车辆与工程机械通行要求,晴雨畅通。⑶生产和生活设施、电力、通信、供水、便道要按标准化执行,严禁随意设置并满足施工高峰期需求,一次建设成型,符合环保要求,适合当地气候条件。⑷精心做好取弃土调配设计工作,尽量减少弃土场面积,严格按照土石方调配方案做好挖方与填方,弃砟场设在设计指定位置,按环保要求高标准做好相应防护。⑸场地使用期要精心规划,在满足工程需要的前提下,确定经济合理的使用面积和使用期限,使用后及时做好恢复和复垦。⑹网络系统要体现高科技的优势,完全满足内外信息沟通传输和工程施工监控管理的需要。⑺临时用地结束后,按标准及时复垦。1.2临时用地与施工用电计划1.2.1临时用地计划根据标段施工需要,现场规划大中型临时设施,主要包括临时施工便道、材料场(钢筋及钢构件加工场、机械设备修理及存放场、混凝土集中拌和站等)、变电站、生活及办公区等。本着节约用地、少占或不占农田、保护环境的原则。临时占地内,注重环境保护工作的实施,施工现场采取硬化、排水、环境绿化相关措施。对混凝土生产场、材料存放场采取降尘、防尘措施,建立生产、生活垃圾集中堆放池、沉淀池。设立专职环保工程师,采取专人管理,专用车辆输送。废水经沉淀达标排放,废物排入指定允许地点。临时用地区域内,设置围墙并进行标识。临时用地结束后,妥善存放和处置设备和剩余材料,进行场内临时设施的清理,并运走所有设备、材料、残物、垃圾等,恢复原状;对临时工程中的地面嵌入物采取挖移处理工作,满足复耕要求后,向当地有关部门进行移交。1.2.2外部电力需求计划本段途经线路地方电源较为匮乏,本项目扩能改造无隧道及特大桥,用电分散,故本线施工用电按自发电考虑。二、大临设施布局⑴施工便道施工便道:进场后需整修便道8km。便道进场后加强维护,保证晴雨畅通。⑵施工、生活用水本工程线路多与河流并行,大部分水质较好,符合工程用水的标准。施工可就近取水。拟在1#、2#混凝土拌和站设置150m3的蓄水池,3#拌合站钻井一孔,满足施工需要。⑶施工、生活用电施工、生活用电:本段途经线路地方电源较为匮乏,本项目扩能改造无隧道及特大桥,用电分散,故本线施工用电按自发电考虑。每个工点配备2台250KW发电机进行自发电。⑷混凝土拌和站为确保青藏铁路格拉段扩能改造工程的混凝土供应,满足混凝土浇筑的施工计划安排,保证本工程的生产秩序及减小环境污染,实现文明施工,拟沿线配3处混凝土集中拌和设置在安多南站、桑列站、羊八井。按标准化要求做好粗细骨料防雨仓库以及场地硬化、排水等,混凝土拌和站建设采用标准化结构。混凝土拌和站具体设置见表2.1。表2.1砼拌和站设置一览表序数设置位面积拌和站名称型号供应范围号量置(㎡)1#混凝土集JS100安多南负责安多南站及附近结构物的混128000中拌和站0站凝土拌和及运输。2#混凝土集HZS901负责桑列站及附近结构物的混凝2桑列站8000中拌和站土拌和及运输。3#混凝土集HZS12羊八井负责羊八井站及附近结构物的混318000中拌和站0站凝土拌和及运输。⑸取土场设置本次扩能工程取土场设置贯彻“适当远离线路,分段集中取土”原则,取土前进行表土剥离、集中堆放,并采用临时防护措施,取土结束后,进行场地整平,回覆表土,撒播草籽等恢复措施。取取土场设置见表2.2。表2.2取、弃土场设置表序名称位置取、弃方占地(hm2)号(万m3)1雪查玛车站取土场K1464+560~9.52.47K1465+260左...

1、当您付费下载文档后,您只拥有了使用权限,并不意味着购买了版权,文档只能用于自身使用,不得用于其他商业用途(如 [转卖]进行直接盈利或[编辑后售卖]进行间接盈利)。
2、本站所有内容均由合作方或网友上传,本站不对文档的完整性、权威性及其观点立场正确性做任何保证或承诺!文档内容仅供研究参考,付费前请自行鉴别。
3、如文档内容存在违规,或者侵犯商业秘密、侵犯著作权等,请点击“违规举报”。

碎片内容

临建施工技术交底

您可能关注的文档

确认删除?
VIP
微信客服
  • 扫码咨询
会员Q群
  • 会员专属群点击这里加入QQ群
客服邮箱
回到顶部