电脑桌面
添加小米粒文库到电脑桌面
安装后可以在桌面快捷访问

农村低压电力网的基本技术要求VIP免费

农村低压电力网的基本技术要求_第1页
1/44
农村低压电力网的基本技术要求_第2页
2/44
农村低压电力网的基本技术要求_第3页
3/44
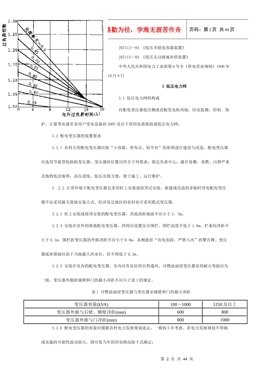
第1页共44页编号:时间:2021年x月x日书山有路勤为径,学海无涯苦作舟页码:第1页共44页范围本标准规定了农村低压电力网的基本技术要求,适用于380V及以下农村电力网的设计、安装、运行及检修。对用电有特殊要求的农村电力用户应执行其他相关标准。各级电力管理部门从事农电的工作人员、电力企业从事农电的工作人员、农村电力网中用户单位的电气工作人员应熟悉并执行本标准。2引用标准下列标准所包含的条文,通过在本标准中引用而构成为本标准的条文。本标准出版时,所示版本均为有效。所有标准都会被修订,使用本标准的各方应探讨使用下列标准最新版本的可能性。GBl2527—1990《额定电压1kV及以下架空绝缘电缆》GBl3955—1992《漏电保护器安装和运行》GB50173—1992《电气装置安装工程35kV及以下架空电力线路施工及验收规范》GB4623—1994《环形预应力混凝土电杆》GB6829—1995《剩余电流动作保护器的一般要求》GB/T6915—1986《高原电力电容器》GB/T773—1993《低压绝缘子瓷件技术条件》GB/T1386.1—1997《低压电力线路绝缘子第1部分:低压架空电力线路绝缘子》GB/T16934—1997《电能计量柜》GB/T6916—1997《湿热带电力电容器》GB/T1179一1999《圆线同心绞架空导线》GB/T17886.1—1999《标称电压1kV及以下交流电力系统用非自愈式并联电容器,第一部分:总则—性能试验~安全要求—安装和运行导则》GB/T11032—2000《交流无间隙金属氧化物避雷器》GBJ63—1990《电力装置的电测量仪表装置设计规范》GBJ149—1990《电气装置安装工程母线装置施工及验收规范》DL/T601—1996《架空绝缘配电线路设计技术规程》DL/T602—1996《架空绝缘配电线路施工及验收规程》JB2171—85《额定电压450/750V及以下农用直埋铝芯塑料绝缘塑料护套电线》第2页共44页第1页共44页编号:时间:2021年x月x日书山有路勤为径,学海无涯苦作舟页码:第2页共44页JB7113—93《低压并联电容器装置》JB7115—93《低压无功就地补偿装置》中华人民共和国电力工业部第8号令《供电营业规则》1996年10月8日3低压电力网3.1低压电力网的构成自配电变压器低压侧或直配发电机母线,经由监测、控制、保护、计量等电器至各用户受电设备的380V及以下供用电系统组成低压电力网。3.2配电变压器的装置要求3.2.1农村公用配电变压器应按“小容量、密布点、短半径”的原则进行建设与改造,配电变压器应选用节能型低损耗变压器,变压器的位置应符合下列要求:靠近负荷中心;避开易爆、易燃、污秽严重及地势低洼地带;高压进线、低压出线方便;便于施工、运行维护。3.2.2正常环境下配电变压器宜采用柱上安装或屋顶式安装,新建或改造的非临时用电配电变压器不宜采用露天落地安装方式。经济发达地区的农村也可采用箱式变压器。3.2.3柱上安装或屋顶安装的配电变压器,其底座距地面不应小于2,5m。3.2.4安装在室外的落地配电变压器,四周应设置安全围栏,围栏高度不低于1.8m,栏条间净距不大于0.1m,围栏距变压器的外廓净距不应小于0.8m,各侧悬挂“有电危险,严禁入内”的警告牌。变压器底座基础应高于当地最大洪水位,但不得低于0.3m。3.2.5安装在室内的配电变压器,室内应有良好的自然通风。可燃油油浸变压器室的耐火等级应为一级。变压器外廓距墙壁和门的最小净距不应小于表1的规定。表1可燃油油浸变压器与变压器室墙壁和门的最小净距变压器容量(kVA)100~10001250及以上变压器外廓与后壁、侧壁净距(mm)600800变压器外廓与门净距(mm)80010003.2.6配电变压器的容量应根据农村电力发展规划选定,一般按5年考虑。若电力发展规划不明确或实施的可能性波动很大,则可依当年的用电情况按下式确定:第3页共44页第2页共44页编号:时间:2021年x月x日书山有路勤为径,学海无涯苦作舟页码:第3页共44页S=RsP式中S——配电变压器在计划年限内(5年)所需容量(kVA);P——一年内最高用电负荷(kW);Rs——容载比,一般取1.5~2。3.2.7配电变压器应在铭牌规定的冷却条件下运行。油浸式变压器运行中的顶层油温不得高于95℃,温升不得超过55K。图1变压器负荷率小于1允许过负荷时间和倍数3.2.8配电变压器连接组别宜采用为Y,yn0或D,yn11。配电变压器的三相...

1、当您付费下载文档后,您只拥有了使用权限,并不意味着购买了版权,文档只能用于自身使用,不得用于其他商业用途(如 [转卖]进行直接盈利或[编辑后售卖]进行间接盈利)。
2、本站所有内容均由合作方或网友上传,本站不对文档的完整性、权威性及其观点立场正确性做任何保证或承诺!文档内容仅供研究参考,付费前请自行鉴别。
3、如文档内容存在违规,或者侵犯商业秘密、侵犯著作权等,请点击“违规举报”。

碎片内容

农村低压电力网的基本技术要求

您可能关注的文档

教育教学文库+ 关注
实名认证
内容提供者

本店有大量的教育教学资料,课件

确认删除?
VIP
微信客服
  • 扫码咨询
会员Q群
  • 会员专属群点击这里加入QQ群
客服邮箱
回到顶部