电脑桌面
添加小米粒文库到电脑桌面
安装后可以在桌面快捷访问

化工工艺实训doc-石油化工工艺实训基地VIP免费

化工工艺实训doc-石油化工工艺实训基地_第1页
1/5
化工工艺实训doc-石油化工工艺实训基地_第2页
2/5
化工工艺实训doc-石油化工工艺实训基地_第3页
3/5
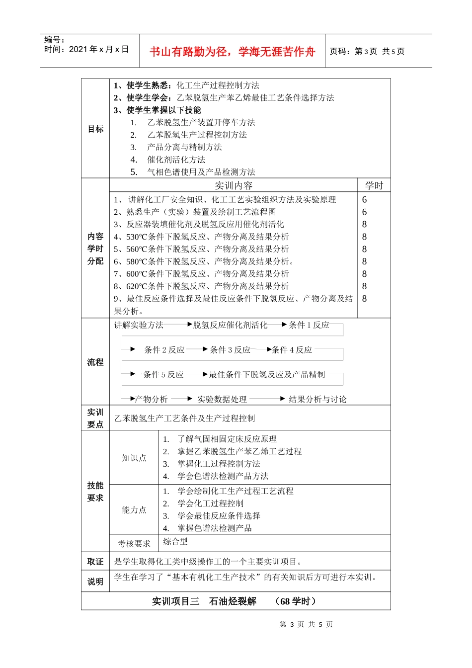
第1页共5页编号:时间:2021年x月x日书山有路勤为径,学海无涯苦作舟页码:第1页共5页返回首页石油化工工艺实训基地化工工艺实验室概况功能实训位置炼化楼3楼建立年份1993资产140万元设备台件20面积600师资高职5人中职7人双师型3人适应专业及岗位群专业:应用化工生产技术类各专业、精细化工生产技术、石油化工生产技术、高分子工艺岗位:石油化工操作、精细化工操作、化工工艺操作化工工艺过程设计及流程安装主要设备压缩机、真空泵、管式电炉、控制装置、反应装置、精馏装置、色谱实训项目一乙醇脱水生产乙烯(68学时)项目代码SH020102实训性质技能型学分2教材《化工工艺实验讲义》自编目标1.使学生熟悉:常用各类化学反应器、化学反应加热方法2.使学生学会:化工过程设计、化工过程控制、原料、产品分析方法3.使学生掌握以下技能(1)工生产过程管道布置,在实验室用玻璃管布置与安排方法(2)化工过程加热方法和温控方法(3)化工过程系统置(氮扫)方法。(4)混合物分离方法及分离装置(5)主要分析仪器的使用及主要分析溶液的配制内容实训内容学时第2页共5页第1页共5页编号:时间:2021年x月x日书山有路勤为径,学海无涯苦作舟页码:第2页共5页学时分配1.安全及注意事项,反应原理及化工过程设计方法讲解2.主要仪器的使用及流量计校正流程安装3.流量计校正系统、试漏4.催化剂Al2O3、H2O制备5.安装催化剂活化流程6.催化剂活化7.安装脱水反应流程及系统试、排漏8.乙醇脱水生产乙烯9.配制分析溶液及产品分析6666681686实训项目二乙苯脱氢生产苯乙烯(68学时)项目代码SH020103实训性质操作型学分2教材《化工工艺实验讲义》自编流程讲解过程设计方法绘制生产流程设计生产过程安装校正流程实施流量计校正制备催化剂催化剂活化安装反应系统生产流程反应系统试排漏及氮扫乙醇脱水生产乙烯配制分析溶液及产品分析实训总结及测试实训要点化工过程设计及过程操作技能要求知识点1.了解工艺实验室的性质及实验目的2.熟悉反应原理及常用反应器3.学会化工过程设计方法4.掌握化工操作过程控制方法能力点1.根据过程设计绘制工艺流程图2.安装相关过程生产流程3.产品分析方法考核要求过程考核+结果考核取证是学生取得化工类中级操作工的一个主要实训项目。说明学生在学习了“基本有机化工生产技术”的有关知识后方可进行本实训。第3页共5页第2页共5页编号:时间:2021年x月x日书山有路勤为径,学海无涯苦作舟页码:第3页共5页目标1、使学生熟悉:化工生产过程控制方法2、使学生学会:乙苯脱氢生产苯乙烯最佳工艺条件选择方法3、使学生掌握以下技能1.乙苯脱氢生产装置开停车方法2.乙苯脱氢生产过程控制方法3.产品分离与精制方法4.催化剂活化方法5.气相色谱使用及产品检测方法内容学时分配实训内容学时1、讲解化工厂安全知识、化工工艺实验组织方法及实验原理2、熟悉生产(实验)装置及绘制工艺流程图3、反应器装填催化剂及脱氢反应用催化剂活化4、530℃条件下脱氢反应、产物分离及结果分析5、560℃条件下脱氢反应、产物分离及结果分析6、580℃条件下脱氢反应、产物分离及结果分析。7、600℃条件下脱氢反应、产物分离及结果分析8、620℃条件下脱氢反应、产物分离及结果分析9、最佳反应条件选择及最佳反应条件下脱氢反应、产物分离及结果分析。668888888流程讲解实验方法脱氢反应催化剂活化条件1反应条件2反应条件3反应条件4反应一条件5反应最佳条件下脱氢反应及产品精制产物分析实验数据处理结果分析与讨论实训要点乙苯脱氢生产工艺条件及生产过程控制技能要求知识点1.了解气固相固定床反应原理2.掌握乙苯脱氢生产苯乙烯工艺过程3.掌握化工过程控制方法4.学会色谱法检测产品方法能力点1.学会绘制化工生产过程工艺流程2.学会化工过程控制3.学会最佳反应条件选择4.掌握色谱法检测产品考核要求综合型取证是学生取得化工类中级操作工的一个主要实训项目。说明学生在学习了“基本有机化工生产技术”的有关知识后方可进行本实训。实训项目三石油烃裂解(68学时)第4页共5页第3页共5页编号:时间:2021年x月x日书山有路勤为径,学海无涯苦作舟页码:第4页共5页项目代码SH020103实训性质操作型学分2教...

1、当您付费下载文档后,您只拥有了使用权限,并不意味着购买了版权,文档只能用于自身使用,不得用于其他商业用途(如 [转卖]进行直接盈利或[编辑后售卖]进行间接盈利)。
2、本站所有内容均由合作方或网友上传,本站不对文档的完整性、权威性及其观点立场正确性做任何保证或承诺!文档内容仅供研究参考,付费前请自行鉴别。
3、如文档内容存在违规,或者侵犯商业秘密、侵犯著作权等,请点击“违规举报”。

碎片内容

化工工艺实训doc-石油化工工艺实训基地

确认删除?
VIP
微信客服
  • 扫码咨询
会员Q群
  • 会员专属群点击这里加入QQ群
客服邮箱
回到顶部