电脑桌面
添加小米粒文库到电脑桌面
安装后可以在桌面快捷访问

北京交通大学模拟电子技术习题及解答第七章负反馈放大电路VIP免费

北京交通大学模拟电子技术习题及解答第七章负反馈放大电路_第1页
1/15
北京交通大学模拟电子技术习题及解答第七章负反馈放大电路_第2页
2/15
北京交通大学模拟电子技术习题及解答第七章负反馈放大电路_第3页
3/15
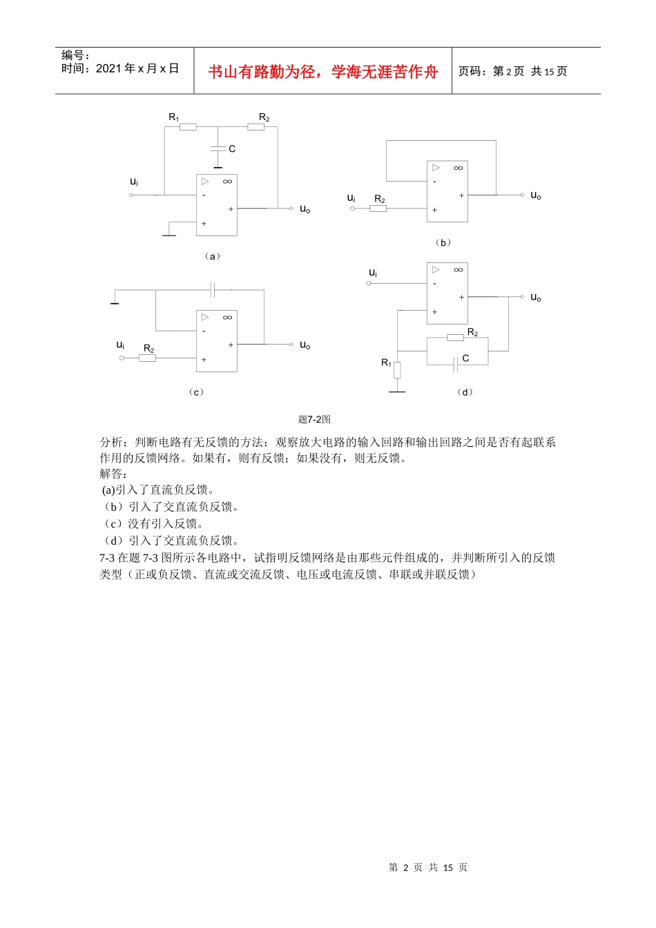
第1页共15页编号:时间:2021年x月x日书山有路勤为径,学海无涯苦作舟页码:第1页共15页第七章负反馈放大电路7-1选择填空1.当反馈量与放大电路的输入量的极性_______,因而使________减小的反馈称为________。a.相同b.相反c.净输入量d.负反馈e.正反馈2.为了稳定静态工作点,应该引入_______。为了改善放大器性能,应该引入_______。为了稳定输出电压,应该引入_______。为了稳定输出电流,应该引入_______。a.直流负反馈b.交流负反馈c.电压负反馈d.电流负反馈e.串联负反馈f.并联负反馈3.为了减小输入电阻,应该引入_______。为了增大输入电阻,应该引入_______。为了减小输出电阻,应该引入_______。为了增大输出电阻,应该引入_______。a.电压负反馈b.电流负反馈c.串联负反馈d.并联负反馈4.负反馈所能够抑制的干扰和噪声是__________。a.外界对输入信号的干扰和噪声b.外界对输出信号的干扰和噪声c.反馈环内的干扰和噪声d.反馈环外的干扰和噪声5.为了得到一个由电流控制的电压源,应选择_______负反馈放大电路。为了得到一个由电压控制的电流源,应选择_______负反馈放大电路。a.电压串联负反馈b.电压并联负反馈c.电流串联负反馈d.电流并联负反馈6.为了得到一个由电流控制的电流源,应选择_______负反馈放大电路。a.电压串联负反馈b.电压并联负反馈c.电流串联负反馈d.电流并联负反馈7.为了增大从电流源索取的电流并增大带负载的能力,应选择_______负反馈放大电路。为了减小从电压源索取的电流并增大带负载的能力,应选择_______负反馈放大电路。a.电压串联负反馈b.电压并联负反馈c.电流串联负反馈d.电流并联负反馈8.负反馈放大电路产生自激的条件是_______。a.AB=1b.AB=-1c.AB=0d.AB=∞9.单管共射放大电路如果通过电阻引入负反馈,则__________。如果单管共集放大电路如果通过电阻引入负反馈,则__________。a.一定会产生高频自激b.一定不会产生高频自激c.一般不会产生高频自激d.可能产生高频自激10.多级负反馈放大电路容易引起自激振荡的原因是____________。a.电路增益Af过大b.反馈系数B过大c.反馈深度F过大d.各级放大电路的参数分散答:1.bcd2.abcd3.dcab4.c5.bc6.d7.ba8.b9.bd10d7-2判断题7-2图中各放大电路是否引入了反馈。如果引入,判断是直流反馈、交流反馈、交直流反馈?是正反馈还是负反馈?假设所有电容对交流信号均可视为短路。第2页共15页第1页共15页编号:时间:2021年x月x日书山有路勤为径,学海无涯苦作舟页码:第2页共15页分析:判断电路有无反馈的方法:观察放大电路的输入回路和输出回路之间是否有起联系作用的反馈网络。如果有,则有反馈;如果没有,则无反馈。解答:(a)引入了直流负反馈。(b)引入了交直流负反馈。(c)没有引入反馈。(d)引入了交直流负反馈。7-3在题7-3图所示各电路中,试指明反馈网络是由那些元件组成的,并判断所引入的反馈类型(正或负反馈、直流或交流反馈、电压或电流反馈、串联或并联反馈)题7-2图(a)-+∞(b)R2+uoui-+∞R2+uoui(c)-+∞R1+uouiR2C(d)-+∞R2+uouiCR1第3页共15页第2页共15页编号:时间:2021年x月x日书山有路勤为径,学海无涯苦作舟页码:第3页共15页VT1Rc+VccRBRE2RE1RfVT2+uo-(a)R1VCCVT1R2R3VT2R4R5R6+uo-(b)VT2+Vcc+ui-R2R1+uo-(c)VT3VT1R4R3+ui-(d)+VCC-VEE(e)+uo-VT2VT1RcRcREEui1ui2VT1+ui-R2R1VT2+uo-(f)R3R4R5VCC+VCC-VEE(g)VT2VT1R3ui1ui2VT5VT4VT3R1R2R5R4R6uoVT1+VCC+ui-R1VT2+uo-(h)R2R3R5R6RB1RCRLC2VCC+us-+uo-RSRB2CEC1VT+ui-RER4第4页共15页第3页共15页编号:时间:2021年x月x日书山有路勤为径,学海无涯苦作舟页码:第4页共15页分析:1.反馈网络(元器件)判断方法:与输入回路有关,又与输出回路有关的网络。2.直流或交流反馈判断方法—电容观察法:(1)反馈通路如存在隔直电容,则为交流反馈。(2)反馈通路如存在旁路电容,则为直流反馈。(3)反馈通路不存在电容,则为交直流混合反馈。3.正或负反馈判断方法—瞬时极性法:在放大电路的输入端,假设输入信号的电压极性,可用“+”、“-”表示,信号瞬时极性按如下传输方向变化:基本放大器输入®基本放大器输出...

1、当您付费下载文档后,您只拥有了使用权限,并不意味着购买了版权,文档只能用于自身使用,不得用于其他商业用途(如 [转卖]进行直接盈利或[编辑后售卖]进行间接盈利)。
2、本站所有内容均由合作方或网友上传,本站不对文档的完整性、权威性及其观点立场正确性做任何保证或承诺!文档内容仅供研究参考,付费前请自行鉴别。
3、如文档内容存在违规,或者侵犯商业秘密、侵犯著作权等,请点击“违规举报”。

碎片内容

北京交通大学模拟电子技术习题及解答第七章负反馈放大电路

您可能关注的文档

教育教学文库+ 关注
实名认证
内容提供者

本店有大量的教育教学资料,课件

确认删除?
VIP
微信客服
  • 扫码咨询
会员Q群
  • 会员专属群点击这里加入QQ群
客服邮箱
回到顶部