电脑桌面
添加小米粒文库到电脑桌面
安装后可以在桌面快捷访问

XX年江苏造价员考试(市政工程)案例模拟试题(含答案)VIP免费

XX年江苏造价员考试(市政工程)案例模拟试题(含答案)_第1页
1/17
XX年江苏造价员考试(市政工程)案例模拟试题(含答案)_第2页
2/17
XX年江苏造价员考试(市政工程)案例模拟试题(含答案)_第3页
3/17
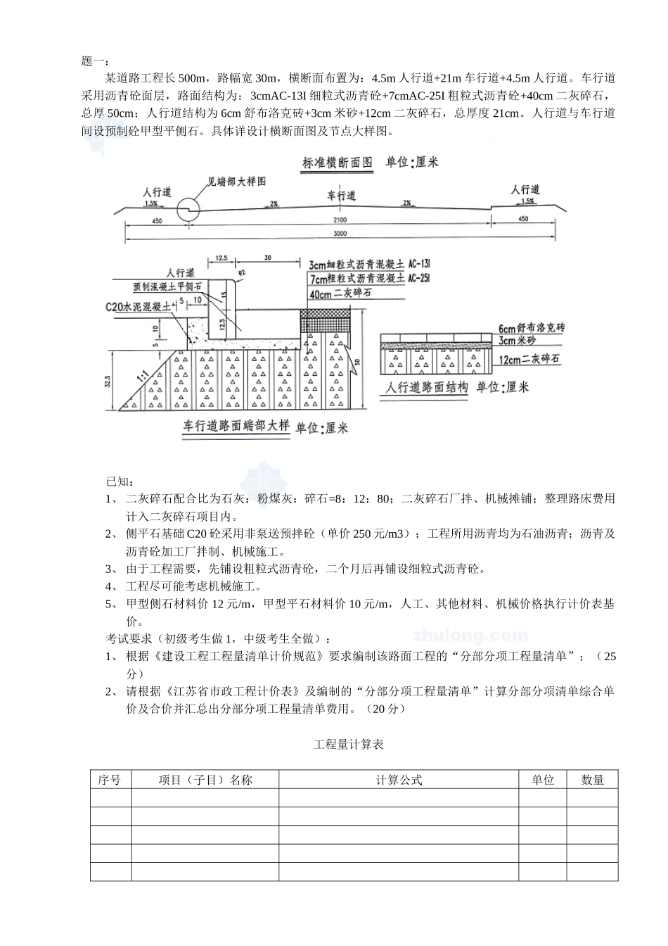
题一:某道路工程长500m,路幅宽30m,横断面布置为:4.5m人行道+21m车行道+4.5m人行道。车行道采用沥青砼面层,路面结构为:3cmAC-13I细粒式沥青砼+7cmAC-25I粗粒式沥青砼+40cm二灰碎石,总厚50cm;人行道结构为6cm舒布洛克砖+3cm米砂+12cm二灰碎石,总厚度21cm。人行道与车行道间设预制砼甲型平侧石。具体详设计横断面图及节点大样图。已知:1、二灰碎石配合比为石灰:粉煤灰:碎石=8:12:80;二灰碎石厂拌、机械摊铺;整理路床费用计入二灰碎石项目内。2、侧平石基础C20砼采用非泵送预拌砼(单价250元/m3);工程所用沥青均为石油沥青;沥青及沥青砼加工厂拌制、机械施工。3、由于工程需要,先铺设粗粒式沥青砼,二个月后再铺设细粒式沥青砼。4、工程尽可能考虑机械施工。5、甲型侧石材料价12元/m,甲型平石材料价10元/m,人工、其他材料、机械价格执行计价表基价。考试要求(初级考生做1,中级考生全做):1、根据《建设工程工程量清单计价规范》要求编制该路面工程的“分部分项工程量清单”;(25分)2、请根据《江苏省市政工程计价表》及编制的“分部分项工程量清单”计算分部分项清单综合单价及合价并汇总出分部分项工程量清单费用。(20分)工程量计算表序号项目(子目)名称计算公式单位数量第2页共17页编号:时间:2021年x月x日书山有路勤为径,学海无涯苦作舟页码:第2页共17页分部分项工程量清单工程名称:某道路路面工程序号项目编码项目名称项目特征计量单位工程数量1M22345分部分项工程量清单综合单价分析表工程名称:某道路路面工程序号项目编码(定额编号)项目(子目)名称及说明计量单位工程数量金额(元)(综合)单价合价第3页共17页第2页共17页编号:时间:2021年x月x日书山有路勤为径,学海无涯苦作舟页码:第3页共17页1合计题二(25分):某新建污水工程,长200m,设计采用D1000mm钢筋砼平口管(钢丝网水泥砂浆接口)、省标135度C15砼基础、省标丙型窨井(混凝土流槽式,假设为240度流槽)。纵断面、管基断面图、窨井图(假设A=1.6m)如下所示。1第4页共17页第3页共17页编号:时间:2021年x月x日书山有路勤为径,学海无涯苦作舟页码:第4页共17页已知:工程现状为农田,土质为三类干土;为减少土方工作量采用支撑直槽开挖,机械施工,所挖土方推土机推放于沟槽20米外堆放,回填时再用推土机推回,余方就地弃置;设计要求沟槽土方回填密实度为93%(重型击实);工程施工后按原地形恢复;每节钢筋砼管道长度为2米;窨井钢筋砼盖板采用成品构件;每座窨井体积暂定10立方米。请按《建设工程工程量清单计价规范》要求编制该工程“分部分项工程量清单”并按《江苏省市政工程计价表》有关工程量计算规则规定计算实际施工工程量即可直接套用定额子目的工程量(假设窨井直接按座数套用定额)。清单工程量计算表序号项目名称计算公式单位数量第5页共17页第4页共17页编号:时间:2021年x月x日书山有路勤为径,学海无涯苦作舟页码:第5页共17页实际施工工程量计算表序号项目名称计算公式单位数量分部分项工程量清单工程名称:某污水工程序号项目编码项目名称项目特征计量单位工程数量第6页共17页第5页共17页编号:时间:2021年x月x日书山有路勤为径,学海无涯苦作舟页码:第6页共17页题三(25分)某1-13m简支板梁桥,桥宽38米;上部结构采用装配式预应力空心板梁,下部结构为:∮80cm桩基础+100cm厚C25砼基础(下设20*20cm16∮钢筋网)+重力式桥台,具体设计布置如下图所示:第7页共17页第6页共17页编号:时间:2021年x月x日书山有路勤为径,学海无涯苦作舟页码:第7页共17页工程招标过程中业主已提供工程量清单,其中关于该桥基础部分的清单项目描述如下:分部分项工程量清单工程名称:某桥梁基础序号项目编码项目名称项目特征计量单位工程数量1040301007001机械成孔灌注桩水上1、桩径:∮80cm2、桩长:17.15m3、岩土类别:砂、粘性土4、砼强度等级:C25m823.202040302002001砼承台1、部位:桥台2、砼强度等级:C253、垫层:100mm厚C20砼M3363.663040701002001非预应力钢筋1、材质:普通钢筋2、部位:灌注桩t29.7734040701002002非预应力钢筋1、材质:普通钢筋∮>10mm2、...

1、当您付费下载文档后,您只拥有了使用权限,并不意味着购买了版权,文档只能用于自身使用,不得用于其他商业用途(如 [转卖]进行直接盈利或[编辑后售卖]进行间接盈利)。
2、本站所有内容均由合作方或网友上传,本站不对文档的完整性、权威性及其观点立场正确性做任何保证或承诺!文档内容仅供研究参考,付费前请自行鉴别。
3、如文档内容存在违规,或者侵犯商业秘密、侵犯著作权等,请点击“违规举报”。

碎片内容

XX年江苏造价员考试(市政工程)案例模拟试题(含答案)

确认删除?
VIP
微信客服
  • 扫码咨询
会员Q群
  • 会员专属群点击这里加入QQ群
客服邮箱
回到顶部