电脑桌面
添加小米粒文库到电脑桌面
安装后可以在桌面快捷访问

(完整版)化工设计习题及答案VIP免费

(完整版)化工设计习题及答案_第1页
1/14
(完整版)化工设计习题及答案_第2页
2/14
(完整版)化工设计习题及答案_第3页
3/14
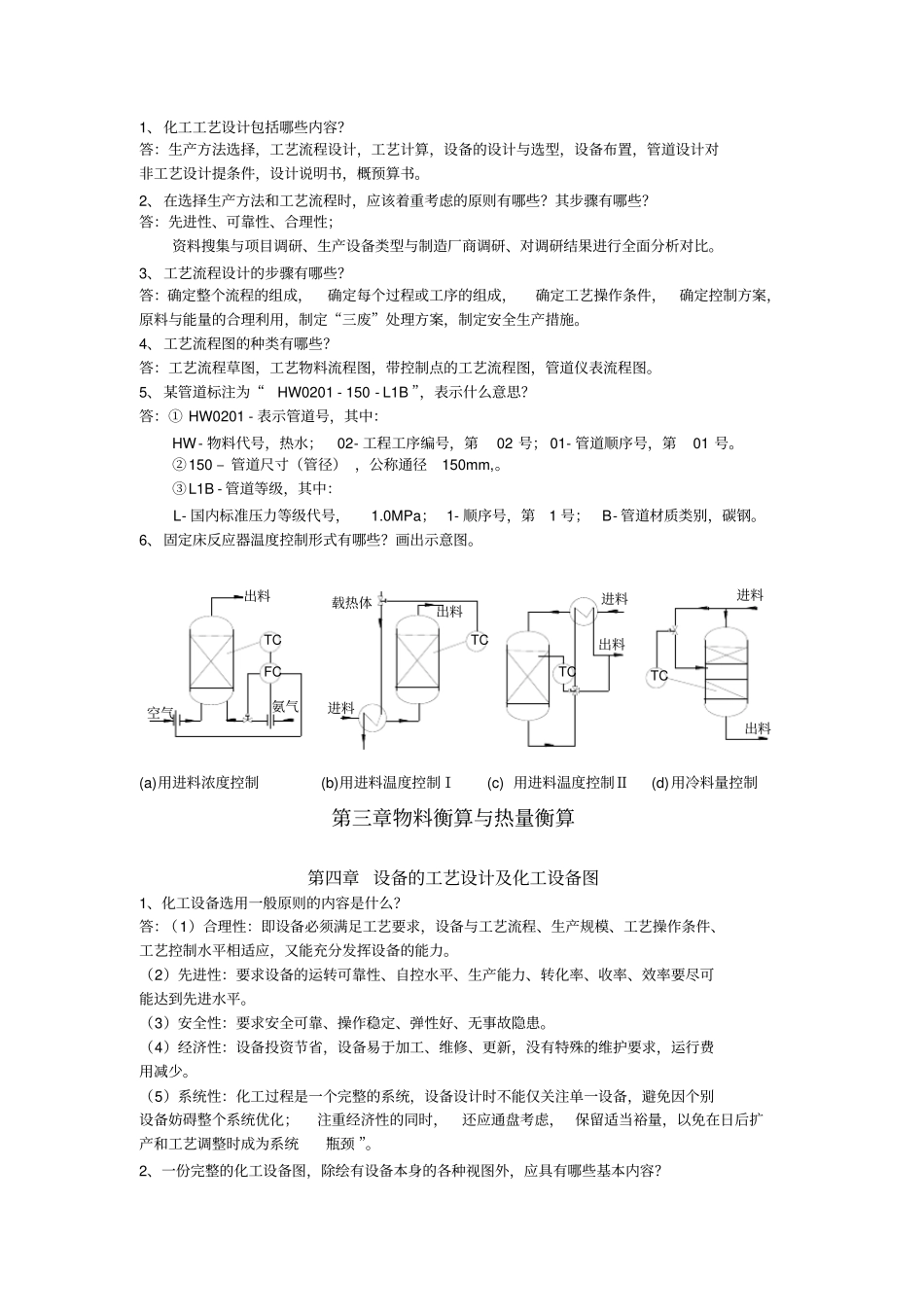
第一章化工厂设计的内容与程序1、化工设计的种类有哪些?答:根据项目性质化工设计可分为:新建项目设计、重复建设项目设计、已有装置的改造设计。根据化工过程开发程序化工设计可分为:概念设计、中试设计、基础设计和工程设计;其中工程设计又包括:初步设计、扩大初步设计和施工图设计。2、请画出化工厂设计的工作程序示意图。3、化工厂通常由哪些部门和设施所构成?答:化工厂通常由化工生产车间、辅助生产装置、公用工程及罐区、服务性工程、生活福利设施、三废处理设施和厂外工程等构成。4、化工车间工艺设计的程序及主要内容有哪些?答:一、设计准备工作(1)熟悉设计任务书(2)制定设计工作计划(3)查阅文献资料(4)收集第一手资料。二、方案设计方案设计的任务是确定生产方法和生产流程,是整个工艺设计的基础。三、化工计算化工计算包括工艺设计中的物料衡算、能量衡算、设备选型与计算三个内容,其任务是在这三项计算的基础上绘制物料流程图、主要设备图和带控制点工艺流程图。四、车间布置设计主要任务是确定整个工艺流程中的全部设备在平面上和空间中的正确的具体位置,相应地确定厂房或框架的结构型式。五、配管工程设计任务是确定生产流程中全部管线、阀门及各种管架的位置、规格尺寸和材料,综合权衡建设投资和操作费用。六、提供设计条件工艺专业设计人员向非工艺专业设计人员提供设计条件。七、编制概算书及编制设计文件概算主要提供了车间建筑、设备及安装工程费用。第二章工艺流程设计1、化工工艺设计包括哪些内容?答:生产方法选择,工艺流程设计,工艺计算,设备的设计与选型,设备布置,管道设计对非工艺设计提条件,设计说明书,概预算书。2、在选择生产方法和工艺流程时,应该着重考虑的原则有哪些?其步骤有哪些?答:先进性、可靠性、合理性;资料搜集与项目调研、生产设备类型与制造厂商调研、对调研结果进行全面分析对比。3、工艺流程设计的步骤有哪些?答:确定整个流程的组成,确定每个过程或工序的组成,确定工艺操作条件,确定控制方案,原料与能量的合理利用,制定“三废”处理方案,制定安全生产措施。4、工艺流程图的种类有哪些?答:工艺流程草图,工艺物料流程图,带控制点的工艺流程图,管道仪表流程图。5、某管道标注为“HW0201-150-L1B”,表示什么意思?答:①HW0201-表示管道号,其中:HW-物料代号,热水;02-工程工序编号,第02号;01-管道顺序号,第01号。②150–管道尺寸(管径),公称通径150mm,。③L1B-管道等级,其中:L-国内标准压力等级代号,1.0MPa;1-顺序号,第1号;B-管道材质类别,碳钢。6、固定床反应器温度控制形式有哪些?画出示意图。FCTCTCTCTC空气氨气进料载热体出料进料进料出料出料出料(a)用进料浓度控制(b)用进料温度控制Ⅰ(c)用进料温度控制Ⅱ(d)用冷料量控制第三章物料衡算与热量衡算第四章设备的工艺设计及化工设备图1、化工设备选用一般原则的内容是什么?答:(1)合理性:即设备必须满足工艺要求,设备与工艺流程、生产规模、工艺操作条件、工艺控制水平相适应,又能充分发挥设备的能力。(2)先进性:要求设备的运转可靠性、自控水平、生产能力、转化率、收率、效率要尽可能达到先进水平。(3)安全性:要求安全可靠、操作稳定、弹性好、无事故隐患。(4)经济性:设备投资节省,设备易于加工、维修、更新,没有特殊的维护要求,运行费用减少。(5)系统性:化工过程是一个完整的系统,设备设计时不能仅关注单一设备,避免因个别设备妨碍整个系统优化;注重经济性的同时,还应通盘考虑,保留适当裕量,以免在日后扩产和工艺调整时成为系统“瓶颈”。2、一份完整的化工设备图,除绘有设备本身的各种视图外,应具有哪些基本内容?答:①标题栏②明细栏③管口表④设计数据表⑤技术要求⑥签署栏⑦注⑧其他。第五章车间布置设计1、化工车间由哪些设施所组成?答:由下列设施组成:⑴生产设施⑵生产辅助设施⑶生活行政福利设施⑷其他特殊用室。2、车间平面布置方案中,厂房的平面形式主要有几种?哪种形式是最常用的?为什么?答:厂房的平面形式主要有直线(长方)形、L形、T形和∏形(按管廊的外形看)...

1、当您付费下载文档后,您只拥有了使用权限,并不意味着购买了版权,文档只能用于自身使用,不得用于其他商业用途(如 [转卖]进行直接盈利或[编辑后售卖]进行间接盈利)。
2、本站所有内容均由合作方或网友上传,本站不对文档的完整性、权威性及其观点立场正确性做任何保证或承诺!文档内容仅供研究参考,付费前请自行鉴别。
3、如文档内容存在违规,或者侵犯商业秘密、侵犯著作权等,请点击“违规举报”。

碎片内容

(完整版)化工设计习题及答案

您可能关注的文档

确认删除?
VIP
微信客服
  • 扫码咨询
会员Q群
  • 会员专属群点击这里加入QQ群
客服邮箱
回到顶部