电脑桌面
添加小米粒文库到电脑桌面
安装后可以在桌面快捷访问

先张法预应力空心板梁预制施工方案VIP免费

先张法预应力空心板梁预制施工方案_第1页
1/22
先张法预应力空心板梁预制施工方案_第2页
2/22
先张法预应力空心板梁预制施工方案_第3页
3/22
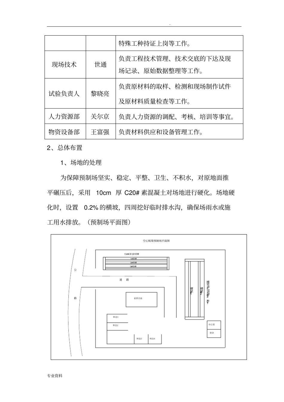
.专业资料法预应力板梁施工方案一、工程概况旅游产业大道东段(佟沟至白清段)公路新建工程二标段落现共有先法预应力板梁422片,其中10m的有29片,13m的有203片,20m的有116片,集中在预制场预制。板梁为上部主要承力结构,其预制安装为中桥的关键工序。为确保预应力板梁百分之百合格,必须建立健全质量保证体系,制定切合实际、符合规要求的方案,加强现场管理,落实各项技术保障措施。二、总体要求1、钢筋加工,绑扎、焊接符合设计要求。2、钢绞线的存放、安置、拉均符合规要求。3、梁板外露面光洁平整,砼强度符合设计要求。4、梁板的长度、断面尺寸及拱度值符合设计及《公路工程质量评定标准》。5、板梁的运输、堆放应符合力学规律,安装情况应符合安全操作规程及质量评定标准。为保障预制场坚实、稳定、平整、卫生、不积水,对原地面推平碾压后,对场地进行硬化。场地硬化时,设置0.2%的横坡,四周挖好临时排水沟,确保场雨水或施工用水排放。三、设备人员动员周期和设备、人员、材料运到施工现场地方法1、组织机构.专业资料预制梁场自检体系:项目经理王负责项目全面管理工作。副经理朱旭负责预制板梁场的全面管理工作。总工程库航负责预制板梁场的全面技术工作。安质负责人贤达负责预制板梁场的质量监督、质量检测及质量问题处理和安全生产管理、环境保护,中铁九局集团有限公司佟白工程项目经理部项目总工项目书记项目副经理财务部安质环保部物资设备部工程管理部人力资源部成本预算部工地试验室钻孔施工项目经理项目副经理综合办公室桥涵施工路基施工路基附属施工预制板施工.专业资料特殊工种持证上岗等工作。现场技术世通负责工程技术管理、技术交底的下达及现场记录、原始数据整理等工作。试验负责人黎晓亮负责原材料的取样、检测和现场制作试件及原材料质量检查等工作。人力资源部关尔京负责人力资源的调配、考核、培训等事宜。物资设备部王富强负责材料供应和设备管理工作。2、总体布置1、场地的处理为保障预制场坚实、稳定、平整、卫生、不积水,对原地面推平碾压后,采用10cm厚C20#素混凝土对场地进行硬化。场地硬化时,设置0.2%的横坡,四周挖好临时排水沟,确保场雨水或施工用水排放。(预制场平面图)公路道路13m板梁3条梁槽1#梁槽2#梁槽3#梁槽10m、20m板梁2条梁槽1#梁槽2#梁槽砼拌合站料仓1料仓2料仓3料仓4宿舍办公室空心板梁预制场平面图.专业资料2、制场布置①2组槽式先法空心板梁生产线,每组按同时预制4片梁设计(共8个)。②3组槽式先法空心板梁生产线,每组按同时预制3片梁设计(共9个)。拉采用框架式拉架,用C25#钢筋砼浇筑而成;为提高梁板在拉时的承载能力,底模用C20#混凝土浇筑,顶面贴5mm钢板,以提高台座的重复使用能力。(台座设计见下图)5mm钢板下埋ф8支撑梁外支撑梁空心板台座横断面梁板由制梁场预制,50t汽车吊、轮胎式运车运输方式。架设前平整桥头路基。3、人员及组织安排本桥梁安装队具有丰富架桥经验,依工程的质量、进度、安全、文明施工情况,将人员配置如下:序号项目人数项目人数1队长2电工22指挥员2安全员23起重工12辅助工104、机械设备表:序号名称型号数量.专业资料1汽车吊50t2辆2轮胎式运梁车50T3辆3汽车吊25T2辆4发电机组200KW2台5其它配套设备若干3、施工工期安排计划于2012年3月10日开始预制梁,2012年6月10日结束。2、空心板梁预制工期安排空心板的预制周期按一条生产线平均1天4片梁计,7个台座平行流水作业,正常条件下,每天可预制4片梁,计划工期87天,考虑到四月份可能出现的气温过低与过程因天气、机械损坏、材料供应等多种因素对施工的影响,正常工作日按95%折算,正常工作日91天,计划从2012年3月中旬开工,到2012年6月10日全部完成,可保工期总目标的完成。4、预制施工1、先法预应力空心板预制安装施工工艺流程:台座与拉架制作钢筋与预应力钢绞线制作下料预应力钢绞线安装单根拉预应力至15%钢筋安装拉预应力至100%持载模板安装浇筑底板砼安装芯模与顶板砼浇筑拆模养生放封端移至存梁场或吊运安装。.专业资料2钢筋制作与安装钢筋下料、制作在钢筋加工场地进行,运至预制场装配成型,钢筋连接采用电弧焊搭接,钢筋...

1、当您付费下载文档后,您只拥有了使用权限,并不意味着购买了版权,文档只能用于自身使用,不得用于其他商业用途(如 [转卖]进行直接盈利或[编辑后售卖]进行间接盈利)。
2、本站所有内容均由合作方或网友上传,本站不对文档的完整性、权威性及其观点立场正确性做任何保证或承诺!文档内容仅供研究参考,付费前请自行鉴别。
3、如文档内容存在违规,或者侵犯商业秘密、侵犯著作权等,请点击“违规举报”。

碎片内容

先张法预应力空心板梁预制施工方案

您可能关注的文档

确认删除?
VIP
微信客服
  • 扫码咨询
会员Q群
  • 会员专属群点击这里加入QQ群
客服邮箱
回到顶部