电脑桌面
添加小米粒文库到电脑桌面
安装后可以在桌面快捷访问

中北大学课程设计-大气污染控制工程VIP免费

中北大学课程设计-大气污染控制工程_第1页
1/23
中北大学课程设计-大气污染控制工程_第2页
2/23
中北大学课程设计-大气污染控制工程_第3页
3/23
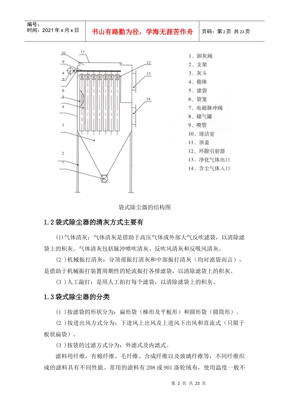
第1页共23页编号:时间:2021年x月x日书山有路勤为径,学海无涯苦作舟页码:第1页共23页1.袋式除尘器1.1袋式除尘器的简介袋式除尘器是一种干式滤尘装置。它适用于捕集细小、干燥、非纤维性粉尘。滤袋采用纺织的滤布或非纺织的毡制成,利用纤维织物的过滤作用对含尘气体进行过滤,当含尘气体进入袋式除尘器地,颗粒大、比重大的粉尘,由于重力的作用沉降下来,落入灰斗,含有较细小粉尘的气体在通过滤料时,粉尘被阻留,使气体得到净化。一般新滤料的除尘效率是不够高的。滤料使用一段时间后,由于筛滤、碰撞、滞留、扩散、静电等效应,滤袋表面积聚了一层粉尘,这层粉尘称为初层,在此以后的运动过程中,初层成了滤料的主要过滤层,依靠初层的作用,网孔较大的滤料也能获得较高的过滤效率。随着粉尘在滤料表面的积聚,除尘器的效率和阻力都相应的增加,当滤料两侧的压力差很大时,会把有些已附着在滤料上的细小尘粒挤压过去,使除尘器效率下降。另外,除尘器的阻力过高会使除尘系统的风量显著下降。因此,除尘器的阻力达到一定数值后,要及时清灰。清灰时不能破坏初层,以免效率下降。第2页共23页第1页共23页编号:时间:2021年x月x日书山有路勤为径,学海无涯苦作舟页码:第2页共23页袋式除尘器的结构图1.2袋式除尘器的清灰方式主要有(1)气体清灰:气体清灰是借助于高压气体或外部大气反吹滤袋,以清除滤袋上的积灰。气体清灰包括脉冲喷吹清灰、反吹风清灰和反吸风清灰。(2)机械振打清灰:分顶部振打清灰和中部振打清灰(均对滤袋而言),是借助于机械振打装置周期性的轮流振打各排滤袋,以清除滤袋上的积灰。(3)人工敲打:是用人工拍打每个滤袋,以清除滤袋上的积灰。1.3袋式除尘器的分类(1)按滤袋的形状分为:扁形袋(梯形及平板形)和圆形袋(圆筒形)。(2)按进出风方式分为:下进风上出风及上进风下出风和直流式(只限于板状扁袋)。(3)按袋的过滤方式分为:外滤式及内滤式。滤料用纤维,有棉纤维、毛纤维、合成纤维以及玻璃纤维等,不同纤维织成的滤料具有不同性能。常用的滤料有208或901涤轮绒布,使用温度一般不第3页共23页第2页共23页编号:时间:2021年x月x日书山有路勤为径,学海无涯苦作舟页码:第3页共23页超过120℃,经过硅硐树脂处理的玻璃纤维滤袋,使用温度一般不超过250℃,棉毛织物一般适用于没有腐蚀性;温度在80-90℃以下含尘气体。1.4袋式除尘器的优点(1)除尘效率高,可捕集粒径大于0.3微米的细小粉尘,除尘效率可达99%以上。(2)使用灵活,处理风量可由每小时数百立方米到每小时数十万立方米,可以作为直接设于室内,机床附近的小型机组,也可作成大型的除尘室,即“袋房”。(3)结构比较简单,运行比较稳定,初投资较少(与电除尘器比较而言),维护方便。所以,袋式除尘器广泛应用于消除粉尘污染,改善环境,回收物料等。2.湿式石灰脱硫技术是用含有吸收剂的溶液或浆液在湿状态下脱硫和处理脱硫产物,该法具有脱硫反应速度快、设备简单、脱硫效率高等优点,但普遍存在腐蚀严重、运行维护费用高及易造成二次污染等问题。石灰石——石膏法脱硫工艺是世界上应用最广泛的一种脱硫技术,日本、德国、美国的火力发电厂采用的烟气脱硫装置约90%采用此工艺。2.1石灰石——石膏法脱硫工艺原理及流程石灰石——石膏法脱硫工艺采用廉价易得的石灰石或石灰作脱硫吸收剂,石灰石经破碎磨细成粉状与水混合搅拌成吸收浆液,当采用石灰为吸收剂时石灰粉经消化处理后加水制成吸收剂浆液。在吸收塔内,吸收浆液与烟气接触混合,烟气中的二氧化硫与浆液中的碳酸钙以及鼓入的氧化空气进行化学反应从而被脱硫,最终反应产物为石膏。吸收塔内的反应、传递也极为复杂,总的反应为:脱硫后的烟气经除雾器除去携带的细小液滴,经烟囱排入大气,脱硫石膏浆液经脱水装置脱水后第4页共23页第3页共23页编号:时间:2021年x月x日书山有路勤为径,学海无涯苦作舟页码:第4页共23页回收利用。剩余浆液与新加入的石灰石浆液一起循环,这样就可以使加入的吸收剂充分被利用,并确保石膏晶体的增长。石膏晶体的正常增长是最终产品处理比较简单的先决条件。新鲜的吸收剂石灰石浆液根据pH值和分离SO...

1、当您付费下载文档后,您只拥有了使用权限,并不意味着购买了版权,文档只能用于自身使用,不得用于其他商业用途(如 [转卖]进行直接盈利或[编辑后售卖]进行间接盈利)。
2、本站所有内容均由合作方或网友上传,本站不对文档的完整性、权威性及其观点立场正确性做任何保证或承诺!文档内容仅供研究参考,付费前请自行鉴别。
3、如文档内容存在违规,或者侵犯商业秘密、侵犯著作权等,请点击“违规举报”。

碎片内容

中北大学课程设计-大气污染控制工程

确认删除?
VIP
微信客服
  • 扫码咨询
会员Q群
  • 会员专属群点击这里加入QQ群
客服邮箱
回到顶部