电脑桌面
添加小米粒文库到电脑桌面
安装后可以在桌面快捷访问

减少南水北调中线工程排水倒虹吸施工详图设计工日VIP免费

减少南水北调中线工程排水倒虹吸施工详图设计工日_第1页
1/34
减少南水北调中线工程排水倒虹吸施工详图设计工日_第2页
2/34
减少南水北调中线工程排水倒虹吸施工详图设计工日_第3页
3/34
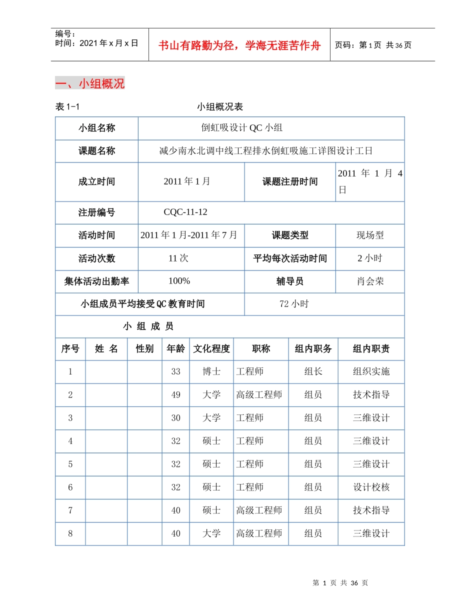
减少南水北调中线工程排水倒虹吸施工详图设计工日成果申报材料小组名称:倒虹吸设计QC小组二〇一二年三月目录一、小组概况.................................................................................1二、背景介绍.................................................................................2三、选题理由.................................................................................4四、活动计划.................................................................................5五、现状调查.................................................................................5六、目标设定.................................................................................6七、原因分析.................................................................................7八、要因确认.................................................................................9九、制定对策...............................................................................13十、对策实施...............................................................................15十一、检查效果...........................................................................25十二、巩固措施与推广应用.......................................................28十三、总结及进一步打算...........................................................30第1页共36页编号:时间:2021年x月x日书山有路勤为径,学海无涯苦作舟页码:第1页共36页一、小组概况表1-1小组概况表小组名称倒虹吸设计QC小组课题名称减少南水北调中线工程排水倒虹吸施工详图设计工日成立时间2011年1月课题注册时间2011年1月4日注册编号CQC-11-12活动时间2011年1月-2011年7月课题类型现场型活动次数11次平均每次活动时间2小时集体活动出勤率100%辅导员肖会荣小组成员平均接受QC教育时间72小时小组成员序号姓名性别年龄文化程度职称组内职务组内职责133博士工程师组长组织实施249大学高级工程师组员技术指导330大学工程师组员三维设计432硕士工程师组员三维设计532硕士工程师组员三维设计632硕士工程师组员设计校核740硕士高级工程师组员技术指导840大学高级工程师组员三维设计第2页共36页第1页共36页编号:时间:2021年x月x日书山有路勤为径,学海无涯苦作舟页码:第2页共36页二、背景介绍南水北调中线一期工程从丹江口水库到北京1277km,其中长江勘测规划设计研究有限责任公司承担陶岔至鲁山段约215km勘测设计,其中排水倒虹吸共有80座。总干渠要求2014年全线通水,为满足现场施工要求,南水北调中线建管局(业主)要求2011年7月底前完成总干渠陶岔至鲁山段全部排水倒虹吸的施工详图设计。图2-1南水北调中线干线工程路线图陶岔至鲁山段第3页共36页第2页共36页编号:时间:2021年x月x日书山有路勤为径,学海无涯苦作舟页码:第3页共36页陶岔至鲁山段排水倒虹吸见表2-1.表2-1陶岔至鲁山段排水倒虹吸表编号名称编号名称1张河排水倒虹吸41江河排水倒虹吸2尹铁洼北沟排水倒虹吸42湾街东北沟排水倒虹吸3大陂南沟排水倒虹吸43珍珠河排水倒虹吸4街北北沟排水倒虹吸44熊庄河排水倒虹吸5得子河排水倒虹吸45前肖庄西沟排水倒虹吸6下陂西沟排水倒虹吸46马岗东北沟排水倒虹吸7范北河排水倒虹吸47刘彦庄西南沟排水倒虹吸8太山庙东沟排水倒虹吸48竹园西沟排水倒虹吸9育茂张南沟排水倒虹吸49大楼庄东北沟排水倒虹吸10大徐营西沟排水倒虹吸50王禹南沟排水倒虹吸11张林沟排水倒虹吸51齐庄南沟排水倒虹吸12苇子河排水倒虹吸52马道西北沟排水倒虹吸13小马河排水倒虹吸53孙庄西沟排水倒虹吸14灌渠河排水倒虹吸54核桃园河排水倒虹吸15北洼西沟排水倒虹吸55榆林西沟排水倒虹吸16北洼沟排水倒虹吸56温亮河排水倒虹吸17马庄沟排水倒虹吸57吴井西沟排水倒虹吸18西沙河排水倒虹吸58小周庄沟排水倒虹吸19中沙河排水倒虹吸59焦庄南沟排水倒虹吸20东沙河排水倒虹吸60杨武岗南沟排水倒虹吸21宋营西沟排水...

1、当您付费下载文档后,您只拥有了使用权限,并不意味着购买了版权,文档只能用于自身使用,不得用于其他商业用途(如 [转卖]进行直接盈利或[编辑后售卖]进行间接盈利)。
2、本站所有内容均由合作方或网友上传,本站不对文档的完整性、权威性及其观点立场正确性做任何保证或承诺!文档内容仅供研究参考,付费前请自行鉴别。
3、如文档内容存在违规,或者侵犯商业秘密、侵犯著作权等,请点击“违规举报”。

碎片内容

减少南水北调中线工程排水倒虹吸施工详图设计工日

您可能关注的文档

教育教学文库+ 关注
实名认证
内容提供者

本店有大量的教育教学资料,课件

确认删除?
VIP
微信客服
  • 扫码咨询
会员Q群
  • 会员专属群点击这里加入QQ群
客服邮箱
回到顶部