电脑桌面
添加小米粒文库到电脑桌面
安装后可以在桌面快捷访问

公路隧道工程监理实施细则VIP免费

公路隧道工程监理实施细则_第1页
1/150
公路隧道工程监理实施细则_第2页
2/150
公路隧道工程监理实施细则_第3页
3/150
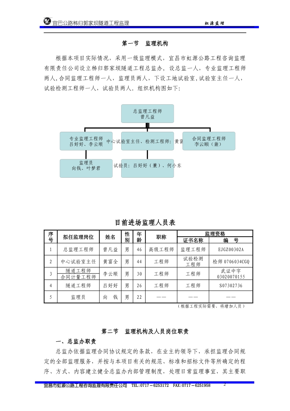
宜巴公路秭归郭家坝隧道工程监理虹源监理第一章总则为实现宜巴公路秭归郭家坝隧道及接线工程的建设总目标,有效地控制工程质量、安全、进度和费用,规范合同与信息管理,提高项目投资效益和工程管理水平。使本项目施工监理工作做到标准化、规范化、程序化,达到任务明确、标准统一、程序合理的目的,根据交通部《公路工程施工监理规范》(JTGG10-2006)、《建设工程质量管理条例》(2000年1月30日发)、《公路工程质量检验评定标准》(JTGF80/1—20042005-01-01实施)和FIDIC条款,以及施工、监理招标文件的要求,结合本项目的实际情况,特制定本实施细则。1、在质量上实行“质量终身责任制”,实行“政府监督、法人管理、社会监理、企业自检”的质量管理体系,建立完整的企业自检、监理抽检、法人管理、社会监督的质量控制体系。2、工程监理的依据是:①业主和监理单位签订的监理服务合同文件;②业主和承包商签订的施工合同文件;③经政府主管部门批准的工程项目建设文件;④国家和地方有关工程建设监理的法律、法规、条例和规定;⑤国家和地方有关工程建设的质量标准、施工规范和试验检测规范;⑥监理、施工合同实施过程中形成的有关会议记录、函电、指令和其它文件;⑦总监办根据施工、监理合同文件签发的所有施工图纸和指令等。3、监理工作范围:路基、桥涵结构物、隧道、路面、沿线设施(不含房建)、交通安全设施(含机电、消防)、绿化、环保、水保等工程及施工安全监理的全部监理工作。①工程施工的全过程及缺陷责任修复过程中的监理。②质量控制、进度控制、费用控制、安全监理、环保监理、合同管理、信息管理及协调工作等。4、工程监理本着“严格监理,热情服务,秉公办事,一丝不苟”的原则对整个工程实行质量、进度、费用的监控及合同与信息管理。业主、监理和施工单位应严格履行各自的职责,互相协调,密切配合,共同搞好本项目的建设。第二章监理机构和职责宜昌市虹源公路工程咨询监理有限责任公司TEL:0717-6253172FAX:0717-62519581总监理工程师曾凡益专业监理工程师吕好好、李云顺中心试验室主任、检测工程师:黄富全监理员向钱、叶梦君试验员:吕好好(兼)、何小东合同监理工程师李云顺(兼)宜巴公路秭归郭家坝隧道工程监理虹源监理第一节监理机构根据本项目实际情况,采用一级监理模式,宜昌市虹源公路工程咨询监理有限责任公司设立秭归郭家坝隧道工程总监办,设总监一人,专业监理工程师两人,合同监理工程师一人,监理员两人,下设工地试验室,试验室主任一人,试验检测工程师一人,试验员两人。组织机构图如下:目前进场监理人员表序号拟任监理岗位姓名性别年龄职称监理资格证书名称编号1总监理工程师曾凡益男46高级工程师监理工程师EJGZ00302A2中心试验室主任黄富全男44工程师试验检测工程师检师0706034CGQ3隧道工程师李云顺男30工程师工程师武证中字03020070155合同计量工程师4隧道工程师吕好好男26工程师工程师S073027365监理员向钱男22——————(根据工程实际需要,将增加人员)第二节监理机构及人员岗位职责一、总监办职责总监办依据监理合同协议规定的条款,在业主的领导下,承担监理合同规定的全部监理服务,并按与本项目有关的规范、标准和招标文件等所确定的程序、方式、内容建立健全总监办内部管理制度,处理日常监理事宜,其主要职宜昌市虹源公路工程咨询监理有限责任公司TEL:0717-6253172FAX:0717-62519582宜巴公路秭归郭家坝隧道工程监理虹源监理责范围如下:1、严格按业主和监理单位签订的监理服务合同所授予的职权范围以及按业主和承包人签订的合同文件明确规定的各项内容执行监理工作。2、在业主与承包人来往中,为各方的合法权益提出建议、意见;3、每月定期向业主报送工程监理月报;4、审批承包人标段、单位、分部、分项工程的施工组织设计和安全技术措施等;5、工程质量监理方面:①向承包人书面提供图纸的原始基准点、基准线和基准高程等资料;②对承包人提交的单位工程、分部工程开工报告进行审查,签署具体意见后报业主审批。③负责对本辖区内的全部工程施工进行不间断、全过程的监理,对不满足合同、招标文件及规范要求的工程...

1、当您付费下载文档后,您只拥有了使用权限,并不意味着购买了版权,文档只能用于自身使用,不得用于其他商业用途(如 [转卖]进行直接盈利或[编辑后售卖]进行间接盈利)。
2、本站所有内容均由合作方或网友上传,本站不对文档的完整性、权威性及其观点立场正确性做任何保证或承诺!文档内容仅供研究参考,付费前请自行鉴别。
3、如文档内容存在违规,或者侵犯商业秘密、侵犯著作权等,请点击“违规举报”。

碎片内容

公路隧道工程监理实施细则

您可能关注的文档

确认删除?
VIP
微信客服
  • 扫码咨询
会员Q群
  • 会员专属群点击这里加入QQ群
客服邮箱
回到顶部