电脑桌面
添加小米粒文库到电脑桌面
安装后可以在桌面快捷访问

化工设备安装交工资料表格[1]VIP免费

化工设备安装交工资料表格[1]_第1页
1/25
化工设备安装交工资料表格[1]_第2页
2/25
化工设备安装交工资料表格[1]_第3页
3/25
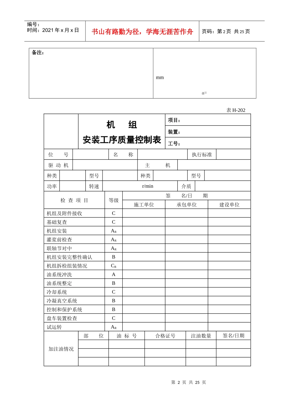
第1页共25页编号:时间:2021年x月x日书山有路勤为径,学海无涯苦作舟页码:第1页共25页表H—201机泵安装工序质量控制表项目:装置:工号:位号名称工作介质驱动机类型传动方式执行标准检查项目等级签名/日期施工单位监理单位建设单位机器及附件接收C基础复查C机泵安装CR灌浆前检查A拆洗及回装C(CR)联轴节对中B传动装置检查C润滑油系统检查、注油C冷却、密封系统检查C试运转AR找正偏差对中偏差位置允差0°~180°90°~270°配管前配管后水平位置允差a1a2a3a4a1a2a3a4中心径向标高轴向试运转介质:持续时间:3h从驱动机方向读取百分表固定端:联轴节间距:机器轴承温度前:℃后:℃驱动机轴承温度前:℃后:℃压力进:MPa出:MPa电机温度:℃电流(启动/运转):A第2页共25页第1页共25页编号:时间:2021年x月x日书山有路勤为径,学海无涯苦作舟页码:第2页共25页mma=备注:表H-202机组安装工序质量控制表项目:装置:工号:位号名称执行标准驱动机主机种类型号种类型号功率转速r/min介质检查项目等级签名/日期施工单位承包单位建设单位机组及附件接收C基础复查C机组安装AR灌浆前检查AR联轴节对中AR机组安装完整性确认B机组拆检组装情况CR油系统冲洗A油系统整定B冷却系统C冷凝真空系统B控制和保护系统B盘车装置检查C试运转AR加注油情况部位油标号合格证号注油数量签名/日期第3页共25页第2页共25页编号:时间:2021年x月x日书山有路勤为径,学海无涯苦作舟页码:第3页共25页备注:表H-205机器拆检及组装间隙测量记录项目:装置:工号:位号名称执行标准间隙测量部位规定值(mm)列数组装后间隙(mm)日期第4页共25页第3页共25页编号:时间:2021年x月x日书山有路勤为径,学海无涯苦作舟页码:第4页共25页注:间隙测量部位另附图(如果需要)。检查员施工人表H-208透平试运转报告项目:装置:工号:位号机组名称部位介质名称介质压力介质温度额定转速r/min试车类别试车日期执行标准危急保安器试验手动自动时间转速介质润滑油轴承温度(℃)轴振动轴位移备注流量温度(℃)压力(MPa)温度(℃)压力(MPa)进出进出进出进出前后第5页共25页第4页共25页编号:时间:2021年x月x日书山有路勤为径,学海无涯苦作舟页码:第5页共25页试运转结果承包单位代表施工单位施工人建设单位代表检查员表H-209机器试运转报告项目:装置:工号:位号名称部位试车类别日期执行标准时间转速(r/min)介质润滑油轴承温度(℃)轴振动轴位移备注温度(℃)压力(MPa)温度(℃)压力(MPa)进出进出进出进出前后第6页共25页第5页共25页编号:时间:2021年x月x日书山有路勤为径,学海无涯苦作舟页码:第6页共25页试运转结果监理单位代表施工单位施工人建设单位代表检查员表H-210大型轴流风机安装工序质量控制表项目:装置:工号:位号传动方式名称执行标准检查项目等级签名施工单位承包单位建设单位机器及附件接收C基础复查C机器安装CR驱动机对中C灌浆前检查A风筒安装C传动装置检查C冀片安装CR润滑部位检查、注油C电机转向检查C试运转持续时间hAR电机轴承温度℃风机轴承温度℃电机定子温升℃结果找正偏差冀片安装第7页共25页第6页共25页编号:时间:2021年x月x日书山有路勤为径,学海无涯苦作舟页码:第7页共25页允差0°~180°90°~180°垂直度(mm/m)冀片角度偏差1234中心(mm)标高(mm)冀尖间隙(mm)最大最小附注:表H-211立式搅拌器安装工序质量控制表项目:装置:工号:位号名称工作介质执行标准检查项目等级签名施工单位承包单位建设单位机械及附件接收C支架(支架法兰)安装C容器与搅拌器法兰垫片安装C找正CR皮带轮平行度确认B齿轮箱内部清洁度确认C注油(脂)C冷却、密封系统检查C电机转向确认C试运转AR第8页共25页第7页共25页编号:时间:2021年x月x日书山有路勤为径,学海无涯苦作舟页码:第8页共25页找正记录ammbmm垂直度mm/m备注:表H-213输送机械安装工序质量控制表项目:装置:工号:位号型号执行标准名称能力转速r/min检查项目等级签名/日期施工单位承包单位建设单位机械及附件接收C基础及预留孔道复查C找正CR拆洗及组装(包括皮带、链接头连接)C附件安装C润滑、冷却、密封系统检查、...

1、当您付费下载文档后,您只拥有了使用权限,并不意味着购买了版权,文档只能用于自身使用,不得用于其他商业用途(如 [转卖]进行直接盈利或[编辑后售卖]进行间接盈利)。
2、本站所有内容均由合作方或网友上传,本站不对文档的完整性、权威性及其观点立场正确性做任何保证或承诺!文档内容仅供研究参考,付费前请自行鉴别。
3、如文档内容存在违规,或者侵犯商业秘密、侵犯著作权等,请点击“违规举报”。

碎片内容

化工设备安装交工资料表格[1]

确认删除?
VIP
微信客服
  • 扫码咨询
会员Q群
  • 会员专属群点击这里加入QQ群
客服邮箱
回到顶部