电脑桌面
添加小米粒文库到电脑桌面
安装后可以在桌面快捷访问

七一煤业交岔点作业规程正文VIP免费

七一煤业交岔点作业规程正文_第1页
1/37
七一煤业交岔点作业规程正文_第2页
2/37
七一煤业交岔点作业规程正文_第3页
3/37
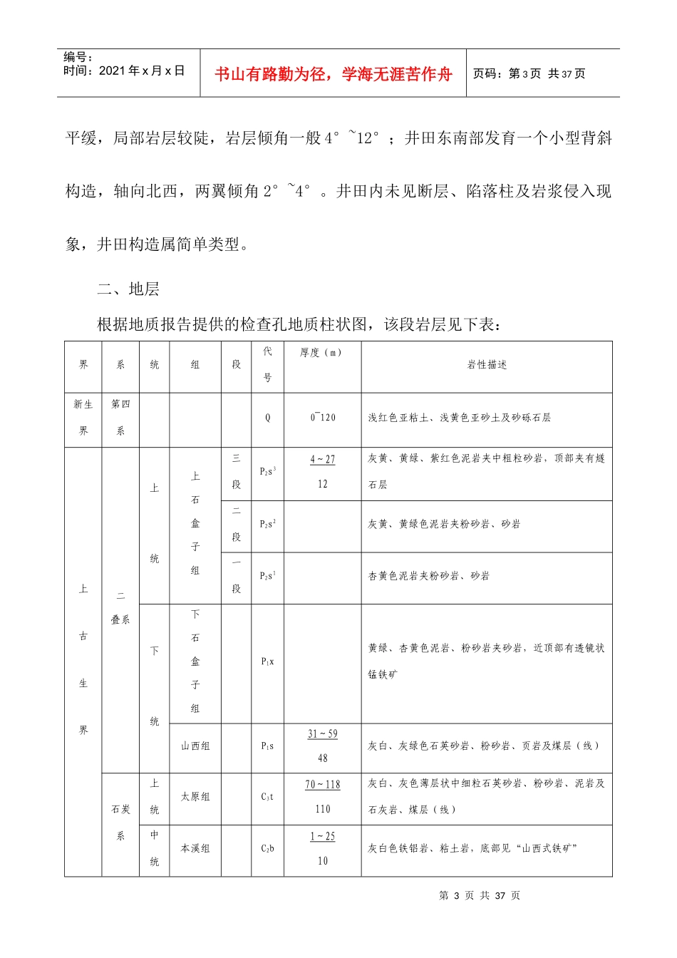
第1页共37页编号:时间:2021年x月x日书山有路勤为径,学海无涯苦作舟页码:第1页共37页第一章工程概况第一节概述一、工程名称本《作业规程》施工的工程为山西煤炭运销集团大通煤业有限公司主斜井甩车场上部交岔点。二、掘进目的及用途掘进目的是为甩车场运输材料及设备,兼做进风巷道。三、主斜井甩车场上部交岔点巷道设计断面及长度交岔点工程量总长度为17m,开口位置(甩车场中线与主井筒中线交点)位于主斜井井筒m处,底板标高+964.31m。最小净规格为:4.4m(宽)×3.5m(高);最大净规格为:7.65m(宽)×5.125m(高)。坡度为-18°。四、预计开竣工时间及服务年限根据目前施工水平,交岔点预计2012年8月5日开工,预计2012年8月30日施工完毕。设计生产服务年限为40年。第二节编写依据一、工程作业规程及批准时间作业规程名称为《山西煤炭运销集团大通煤业有限公司主斜井甩车场上部交叉点施工作业规程》,批准时间为2012年8月。二、工程图纸及出图时间第2页共37页第1页共37页编号:时间:2021年x月x日书山有路勤为径,学海无涯苦作舟页码:第2页共37页图纸名称为《山西煤炭运销集团大通煤业有限公司主斜井甩车场上部交岔点平、剖断面图及工程量表》,图号S1447-123-01,出图时间为2012年7月。三、地质说明书及批准时间地质说明书名称为《山西煤炭运销集团大通煤业有限公司兼并重组整合矿地质报告》,批准时间为2011年5月。四、《煤矿安全规程》(2011年版)五、《煤矿井巷工程质量验收规范》(GB50231-2010)六、《煤矿井巷工程质量检验评定标准》(MT5009-94)七、《锚杆喷射砼支护技术规范》(GBJ86-85)八、与本工程有关的国家、部颁及公司现行有效的各种技术规范、规程、规定。九、《煤炭建设工程质量技术资料管理规定与评级办法》(1999年版)第二章地质水文情况第一节地面相对位置及地质特征一、地面相对位置交岔点位于井田南部,地面为黄土丘陵地带,无建筑物。一、构造井田位于太行山块隆的西缘,晋获褶断带东侧,地层总体为一走向北东、倾向北西的单斜。井田西部为一向斜构造,轴向北东,向北东倾伏,两翼岩层第3页共37页第2页共37页编号:时间:2021年x月x日书山有路勤为径,学海无涯苦作舟页码:第3页共37页平缓,局部岩层较陡,岩层倾角一般4°~12°;井田东南部发育一个小型背斜构造,轴向北西,两翼倾角2°~4°。井田内未见断层、陷落柱及岩浆侵入现象,井田构造属简单类型。二、地层根据地质报告提供的检查孔地质柱状图,该段岩层见下表:界系统组段代号厚度(m)岩性描述新生界第四系Q0~120浅红色亚粘土、浅黄色亚砂土及砂砾石层上古生界二叠系上统上石盒子组三段P2s34~2712灰黄、黄绿、紫红色泥岩夹中粗粒砂岩,顶部夹有燧石层二段P2s2灰黄、黄绿色泥岩夹粉砂岩、砂岩一段P2s1杏黄色泥岩夹粉砂岩、砂岩下统下石盒子组P1x黄绿、杏黄色泥岩、粉砂岩夹砂岩,近顶部有透镜状锰铁矿山西组P1s31~5948灰白、灰绿色石英砂岩、粉砂岩、页岩及煤层(线)石炭系上统太原组C3t70~118110灰白、灰色薄层状中细粒石英砂岩、粉砂岩、泥岩及石灰岩、煤层(线)中统本溪组C2b1~2510灰白色铁铝岩、粘土岩,底部见“山西式铁矿”第4页共37页第3页共37页编号:时间:2021年x月x日书山有路勤为径,学海无涯苦作舟页码:第4页共37页下古生界奥陶系中统峰峰组O2f中厚层状豹皮灰岩、灰色薄层状白云质灰岩上马家沟组O2s上部灰黑色中厚层状豹皮状灰岩夹灰岩,下部为泥灰岩、角砾状泥灰岩下马家沟组O2x青灰色中厚层灰岩,下部为角砾状泥灰岩,底部为浅灰、黄绿色钙质泥岩下统O1青灰色厚层状白云岩,含燧石条带三、瓦斯按山西省煤炭工业厅文件晋煤安发[2009]35号《关于晋城市2008年度30万t/a及以上煤矿矿井瓦斯等级和二氧化碳涌出量鉴定结果的批复》,盛泰煤业公司井田范围内的原山西高平冯家河煤业有限公司2008年度绝对CH4涌出量为0.49m3/min,相对CH4涌出量为8.85m3/t绝对CO2涌出量为0.14m3/min,相对CO2涌出量为6.99m3/t,属低瓦斯矿井。达到1.20Mt/a的生产能力时,矿井绝对CH4涌出量22.35m3/min,绝对CO2涌出量17.65m3/min。属低瓦斯矿井。四、煤尘爆炸性及煤层可燃性根据2008年07月11日在...

1、当您付费下载文档后,您只拥有了使用权限,并不意味着购买了版权,文档只能用于自身使用,不得用于其他商业用途(如 [转卖]进行直接盈利或[编辑后售卖]进行间接盈利)。
2、本站所有内容均由合作方或网友上传,本站不对文档的完整性、权威性及其观点立场正确性做任何保证或承诺!文档内容仅供研究参考,付费前请自行鉴别。
3、如文档内容存在违规,或者侵犯商业秘密、侵犯著作权等,请点击“违规举报”。

碎片内容

七一煤业交岔点作业规程正文

您可能关注的文档

精品中小学资料+ 关注
实名认证
内容提供者

精品文档

确认删除?
VIP
微信客服
  • 扫码咨询
会员Q群
  • 会员专属群点击这里加入QQ群
客服邮箱
回到顶部