电脑桌面
添加小米粒文库到电脑桌面
安装后可以在桌面快捷访问

加固工程施工组织设计概述VIP免费

加固工程施工组织设计概述_第1页
1/32
加固工程施工组织设计概述_第2页
2/32
加固工程施工组织设计概述_第3页
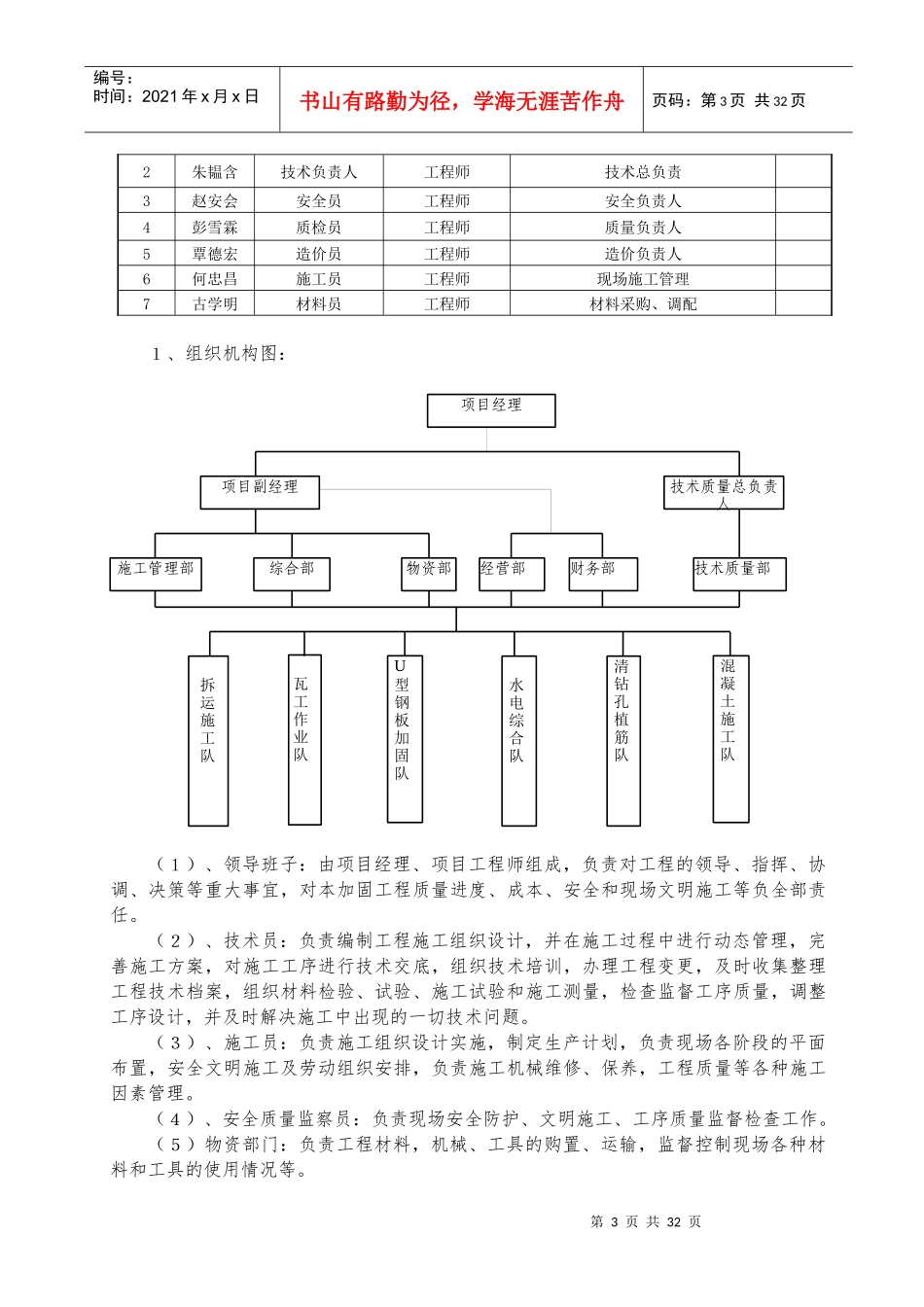
3/32
第1页共32页编号:时间:2021年x月x日书山有路勤为径,学海无涯苦作舟页码:第1页共32页目录第一章编制依据............................................................................................................................................2第二章工程概况............................................................................................................................................2第三章施工部署............................................................................................................................................2一、工程目标:........................................................................................................................................2二、管理组织机构:................................................................................................................................2三、施工部署:........................................................................................................................................4第四章施工准备................................................................................................................................................4一、施工准备............................................................................................................................................4二、劳动力组织措施................................................................................................................................6三、施工现场的组织与协调....................................................................................................................6第五章主要项目施工方案................................................................................................................................7一、测量方案............................................................................................................................................7二、拆除工程............................................................................................................................................8三、水钻法基础开挖................................................................................................................................8四、钢筋工程............................................................................................................................................8五、混凝土梁、柱增大截面工程..........................................................................................................10六、粘钢加固工程..................................................................................................................................11七、板裂缝处理工程:..........................................................................................................................12八、模板工程..........................................................................................................................................13九、脚手架工程:..................................................................................................................................15十、垂直运输..........................................................................................................................................15十一、回填土工程:..............................................................................

1、当您付费下载文档后,您只拥有了使用权限,并不意味着购买了版权,文档只能用于自身使用,不得用于其他商业用途(如 [转卖]进行直接盈利或[编辑后售卖]进行间接盈利)。
2、本站所有内容均由合作方或网友上传,本站不对文档的完整性、权威性及其观点立场正确性做任何保证或承诺!文档内容仅供研究参考,付费前请自行鉴别。
3、如文档内容存在违规,或者侵犯商业秘密、侵犯著作权等,请点击“违规举报”。

碎片内容

加固工程施工组织设计概述

您可能关注的文档

确认删除?
VIP
微信客服
  • 扫码咨询
会员Q群
  • 会员专属群点击这里加入QQ群
客服邮箱
回到顶部