电脑桌面
添加小米粒文库到电脑桌面
安装后可以在桌面快捷访问

传感器与传感器技术课后答案VIP免费

传感器与传感器技术课后答案_第1页
1/25
传感器与传感器技术课后答案_第2页
2/25
传感器与传感器技术课后答案_第3页
3/25
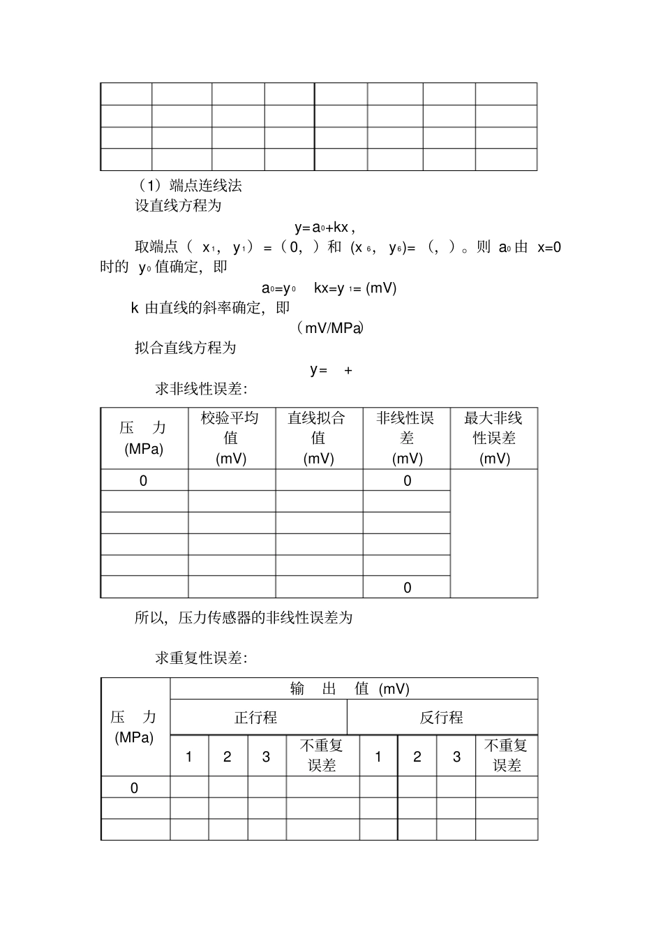
《传感器与传感器技术》计算题答案第1章传感器的一般特性1—5某传感器给定精度为2%F·S,满度值为50mV,零位值为10mV,求可能出现的最大误差(以mV计)。当传感器使用在满量程的1/2和1/8时,计算可能产生的测量百分误差。由你的计算结果能得出什么结论解:满量程(F?S)为50﹣10=40(mV)可能出现的最大误差为:m=402%=(mV)当使用在1/2和1/8满量程时,其测量相对误差分别为:1—6有两个传感器测量系统,其动态特性可以分别用下面两个微分方程描述,试求这两个系统的时间常数和静态灵敏度K。(1)式中,y——输出电压,V;T——输入温度,℃。(2)式中,y——输出电压,V;x——输入压力,Pa。解:根据题给传感器微分方程,得(1)τ=30/3=10(s),K=105/3=105(V/℃);(2)τ==1/3(s),K==(V/Pa)。1—7已知一热电偶的时间常数=10s,如果用它来测量一台炉子的温度,炉内温度在540℃至500℃之间接近正弦曲线波动,周期为80s,静态灵敏度K=1。试求该热电偶输出的最大值和最小值。以及输入与输出之间的相位差和滞后时间。解:依题意,炉内温度变化规律可表示为x(t)=520+20sin(t)℃由周期T=80s,则温度变化频率f=1/T,其相应的圆频率=2f=2/80=/40;温度传感器(热电偶)对炉内温度的响应y(t)为y(t)=520+Bsin(t+)℃热电偶为一阶传感器,其响应的幅频特性为因此,热电偶输出信号波动幅值为B=20A()==15.7℃由此可得输出温度的最大值和最小值分别为y(t)|=520+B=520+=535.7℃y(t)|=520﹣B==504.3℃输出信号的相位差为(ω)=arctan(ω)=arctan(2/8010)=相应的时间滞后为t=1—8一压电式加速度传感器的动态特性可以用如下的微分方程来描述,即式中,y——输出电荷量,pC;x——输入加速度,m/s2。试求其固有振荡频率n和阻尼比。解:由题给微分方程可得1—9某压力传感器的校准数据如下表所示,试分别用端点连线法和最小二乘法求非线性误差,并计算迟滞和重复性误差;写出端点连线法和最小二乘法拟合直线方程。校准数据表压力(MPa)输出值(mV)第一次循环第二次循环第三次循环正行程反行程正行程反行程正行程反行程0解校验数据处理(求校验平均值):压力(MPa)(设为x)输出值(mV)第一次循环第二次循环第三次循环校验平均值(设为y)正行程反行程正行程反行程正行程反行程0(1)端点连线法设直线方程为y=a0+kx,取端点(x1,y1)=(0,)和(x6,y6)=(,)。则a0由x=0时的y0值确定,即a0=y0kx=y1=(mV)k由直线的斜率确定,即(mV/MPa)拟合直线方程为y=+求非线性误差:压力(MPa)校验平均值(mV)直线拟合值(mV)非线性误差(mV)最大非线性误差(mV)000所以,压力传感器的非线性误差为求重复性误差:压力(MPa)输出值(mV)正行程反行程123不重复误差123不重复误差0最大不重复误差为mV,则重复性误差为求迟滞误差:压力(MPa)输出值(mV)第一次循环第二次循环第三次循环正行程反行程迟滞正行程反行程迟滞正行程反行程迟滞00最大迟滞为,所以迟滞误差为(2)最小二乘法设直线方程为y=a0+kx数据处理如下表所示。序号123456∑x0yx20xy0根据以上处理数据,可得直线方程系数分别为:所以,最小二乘法线性回归方程为y=+求非线性误差:压力(MPa)校验平均值(mV)直线拟合值(mV)非线性误差(mV)最大非线性误差(mV)0所以,压力传感器的非线性误差为可见,最小二乘法拟合直线比端点法拟合直线的非线性误差小,所以最小二乘法拟合更合理。重复性误差R和迟滞误差H是一致的。1—10用一个一阶传感器系统测量100Hz的正弦信号时,如幅值误差限制在5%以内,则其时间常数应取多少若用该系统测试50Hz的正弦信号,问此时的幅值误差和相位差为多解:根据题意(取等号计算)解出ωτ=所以=当用该系统测试50Hz的正弦信号时,其幅值误差为相位差为=﹣arctan()=﹣arctan(2π×50××103)=﹣°1—11一只二阶力传感器系统,已知其固有频率f0=800Hz,阻尼比=,现用它作工作频率f=400Hz的正弦变化的外力测试时,其幅值比A()和相位角()各为多少;若该传感器的阻尼比=时,其A()和()又将如何变化解:所以,当ξ=时当ξ=时1—12用一只时间常数=的一阶传感器去测量周期分别为1s、2s和3s的正弦信号,问幅值相对误差为多少解:由一阶传感器的动态误差公式=1—13已知某二...

1、当您付费下载文档后,您只拥有了使用权限,并不意味着购买了版权,文档只能用于自身使用,不得用于其他商业用途(如 [转卖]进行直接盈利或[编辑后售卖]进行间接盈利)。
2、本站所有内容均由合作方或网友上传,本站不对文档的完整性、权威性及其观点立场正确性做任何保证或承诺!文档内容仅供研究参考,付费前请自行鉴别。
3、如文档内容存在违规,或者侵犯商业秘密、侵犯著作权等,请点击“违规举报”。

碎片内容

传感器与传感器技术课后答案

您可能关注的文档

确认删除?
VIP
微信客服
  • 扫码咨询
会员Q群
  • 会员专属群点击这里加入QQ群
客服邮箱
回到顶部