电脑桌面
添加小米粒文库到电脑桌面
安装后可以在桌面快捷访问

岩土工程勘察规范VIP免费

岩土工程勘察规范_第1页
1/74
岩土工程勘察规范_第2页
2/74
岩土工程勘察规范_第3页
3/74
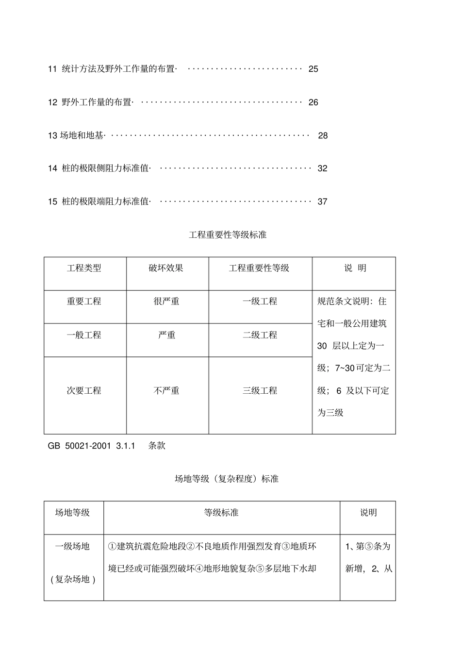
GB+HBDB岩土工程勘察常用资料摘录版目录1工程、场地、地基、岩土勘察等级标准······················12岩土的分类··············································33碎石土、砂土、粉土的密实度·····························64建筑抗震···············································75岩土层、标贯、静力触探与剪切波速的关系·················86岩土参数的统计分析·····································97岩土的承载力特征值指标·································108岩土的承载力压缩性指标·······························179岩土指标统计精度表·····································1910原位测试··············································2011统计方法及野外工作量的布置··························2512野外工作量的布置····································2613场地和地基············································2814桩的极限侧阻力标准值··································3215桩的极限端阻力标准值··································37工程重要性等级标准工程类型破坏效果工程重要性等级说明重要工程很严重一级工程规范条文说明:住宅和一般公用建筑30层以上定为一级;7~30可定为二级;6及以下可定为三级一般工程严重二级工程次要工程不严重三级工程GB50021-20013.1.1条款场地等级(复杂程度)标准场地等级等级标准说明一级场地(复杂场地)①建筑抗震危险地段②不良地质作用强烈发育③地质环境已经或可能强烈破坏④地形地貌复杂⑤多层地下水却1、第⑤条为新增,2、从水文地质条件复杂需专题研究。一级开始推,3、抗震有利、不利按GB50011规定确定。二级场地(中等复杂场地)①建筑抗震不利阶段②不良地质作用一般发育③地质环境已经或可能受到一般破坏④地形地貌较复杂⑤基础位于地下水位以下的场地。三级场地(简单场地)①地震设防烈度等于或小于6度②不良地质现象不发育③地质环境基本未受破坏④地形地貌简单⑤地下水对工程无影响。GB50021-20013.1.2条款地基等级(复杂程度)标准地基等级等级标准说明一级地基(复杂地基)①岩土种类多很不均匀、性质变化大、需特殊处理②严重失陷、膨胀、盐滞、污染的特殊岩土,需作专门处理的岩土。将原规范的地下水影响去掉了,强调了岩性的均匀性二级地基(中等复杂地基)①岩土种类较多、不均匀性、性质变化较大②一般地基规定以外的特殊岩土三级地基(简单地基)①沿土种类单一、均匀、性质变化不大②无特殊性岩土。GB50021-20013.1.3条款岩土工程勘察等级标准勘察等级确定岩土工程勘察等级的条件说明甲级工程重要性、场地复杂程度和地基复杂程度等级中,有一项或多项为一级注:建筑在岩土地基上一级工程,当场地复杂程度和地基复杂程度等级均为三级时岩土工程勘察等级可定为乙级(与原规范一致)乙级除勘察等级为甲级和丙级以外的勘察项目丙级工程重要性、场地复杂程度和地基复杂程度等级均为三级GB50021-2001条款环境类型分类环境类别场地环境地质条件Ⅰ高寒区、干旱区直接临水;高寒区、干旱区含水量ω≥10﹪的强透水土层或含水量ω=20﹪的弱透水土层Ⅱ湿润区直接临水;湿润区含水量ω≥20%的强透水土层或含水量ω=30﹪的弱透水土层Ⅲ高寒区﹑干旱区含水量ω﹤20%的弱透水土层或含水层ω﹤10%的强透水层;湿润区含水量ω≤30%的弱透水土层或含水量ω﹤20﹪的强透水土层注;①高寒区是指海拔高度>﹦300m的地区;干旱区是指海拔高度﹤3000m,干燥度指数...

1、当您付费下载文档后,您只拥有了使用权限,并不意味着购买了版权,文档只能用于自身使用,不得用于其他商业用途(如 [转卖]进行直接盈利或[编辑后售卖]进行间接盈利)。
2、本站所有内容均由合作方或网友上传,本站不对文档的完整性、权威性及其观点立场正确性做任何保证或承诺!文档内容仅供研究参考,付费前请自行鉴别。
3、如文档内容存在违规,或者侵犯商业秘密、侵犯著作权等,请点击“违规举报”。

碎片内容

岩土工程勘察规范

确认删除?
VIP
微信客服
  • 扫码咨询
会员Q群
  • 会员专属群点击这里加入QQ群
客服邮箱
回到顶部