电脑桌面
添加小米粒文库到电脑桌面
安装后可以在桌面快捷访问

办公楼给排水及采暖工程竣工资料VIP免费

办公楼给排水及采暖工程竣工资料_第1页
1/78
办公楼给排水及采暖工程竣工资料_第2页
2/78
办公楼给排水及采暖工程竣工资料_第3页
3/78
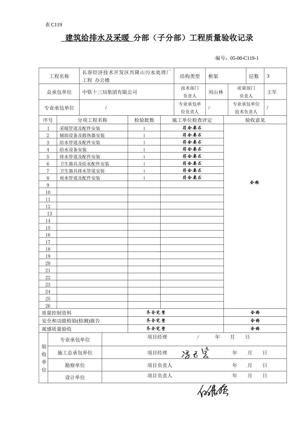
办公楼建筑给水排水及采暖竣工资料【】表C010建筑给水排水及采暖分部验收报验申请表工程名称长春经济技术开发区兴隆山污水处理厂工程办公楼编号05-00-C010-1致:长春市政建设工程监理公司(监理单位)我单位已完成了办公楼建筑给水排水及采暖分部工作,现报上该工程报验申请表,请予以审查和验收。附件:项目经理部(章)项目经理日期审查意见:项目监理机构(章)总/专业监理工程师日期表C119建筑给排水及采暖分部(子分部)工程质量验收记录编号:05-00-C119-1工程名称长春经济技术开发区兴隆山污水处理厂工程办公楼结构类型框架层数3总承包单位中铁十三局集团有限公司技术部门负责人刘山林质量部门负责人王军专业承包单位/专业承包单位负责人/专业承包单位技术负责人/序号分项工程名称检验批数施工单位检查评定验收意见1采暖管道及配件安装1符合要求合格2辅助设备及散热器安装1符合要求3给水管道及配件安装1符合要求4给水设备安装1符合要求5排水管道及配件安装1符合要求6卫生器具及给水配件安装1符合要求7卫生器具排水管道安装1符合要求8雨水管道及配件安装1符合要求91011121314151617181920212223242526质量控制资料齐全完整合格安全和功能检验(检测)报告齐全完整合格观感质量验收齐全完整合格验收单位专业承包单位项目经理/年月日施工总承包单位项目经理年月日勘察单位项目负责人年月日设计单位项目负责人年月日表C119监理(建设)单位总监理工程师或建设单位项目专业负责人年月日表C010室内给水系统子分部报验申请表工程名称长春经济技术开发区兴隆山污水处理厂工程办公楼编号05-01-C010-5致:长春市政建设工程监理公司(监理单位)我单位已完成了办公楼室内给水系统子分部工作,现报上该工程报验申请表,请予以审查和验收。附件:项目经理部(章)项目经理日期审查意见:项目监理机构(章)总/专业监理工程师日期表C119室内给水分部(子分部)工程质量验收记录编号:05-01-C119-1工程名称长春经济技术开发区兴隆山污水处理厂工程办公楼结构类型框架层数3总承包单位中铁十三局集团有限公司技术部门负责人刘山林质量部门负责人王军专业承包单位/专业承包单位负责人/专业承包单位技术负责人/序号分项工程名称检验批数施工单位检查评定验收意见1给水管道及配件安装1合格符合施工质量验收规范,验收合格2给水设备安装1合格34567891011121314151617181920212223242526质量控制资料齐全完整合格安全和功能检验(检测)报告齐全完整合格观感质量验收齐全完整合格验收单位专业承包单位项目经理/年月日施工总承包单位项目经理年月日勘察单位项目负责人年月日设计单位项目负责人年月日表C119监理(建设)单位总监理工程师或建设单位项目专业负责人年月日表C010室内排水系统子分部报验申请表工程名称长春经济技术开发区兴隆山污水处理厂工程办公楼编号05-01-C010-6致:长春市政建设工程监理公司(监理单位)我单位已完成了办公楼室内排水系统子分部工作,现报上该工程报验申请表,请予以审查和验收。附件:项目经理部(章)项目经理日期审查意见:项目监理机构(章)总/专业监理工程师日期表C119室内排水分部(子分部)工程质量验收记录编号:05-02-C119-1工程名称长春经济技术开发区兴隆山污水处理厂工程办公楼结构类型框架层数3总承包单位中铁十三局集团有限公司技术部门负责人刘山林质量部门负责人王军专业承包单位/专业承包单位负责人/专业承包单位技术负责人/序号分项工程名称检验批数施工单位检查评定验收意见1排水管道及配件安装1符合要求验收合格2雨水管道及配件安装1符合要求34567891011121314151617181920212223242526质量控制资料齐全完整合格安全和功能检验(检测)报告齐全完整合格观感质量验收齐全完整合格验收单位专业承包单位项目经理/年月日施工总承包单位项目经理年月日勘察单位项目负责人年月日设计单位项目负责人年月日表C119监理(建设)单位总监理工程师或建设单位项目专业负责人年月日表C010卫生器具安装子分部报验申请表工程名称长春经济技术开发区兴隆山污水处理厂工程办公楼编号05-01-C010-7致:长春市政建设工程监理公司(监理单位)我单位已完成了办公楼卫生器具安装子分部...

1、当您付费下载文档后,您只拥有了使用权限,并不意味着购买了版权,文档只能用于自身使用,不得用于其他商业用途(如 [转卖]进行直接盈利或[编辑后售卖]进行间接盈利)。
2、本站所有内容均由合作方或网友上传,本站不对文档的完整性、权威性及其观点立场正确性做任何保证或承诺!文档内容仅供研究参考,付费前请自行鉴别。
3、如文档内容存在违规,或者侵犯商业秘密、侵犯著作权等,请点击“违规举报”。

碎片内容

办公楼给排水及采暖工程竣工资料

您可能关注的文档

确认删除?
VIP
微信客服
  • 扫码咨询
会员Q群
  • 会员专属群点击这里加入QQ群
客服邮箱
回到顶部