电脑桌面
添加小米粒文库到电脑桌面
安装后可以在桌面快捷访问

冲裁工艺及冲裁模具设计VIP免费

冲裁工艺及冲裁模具设计_第1页
1/7
冲裁工艺及冲裁模具设计_第2页
2/7
冲裁工艺及冲裁模具设计_第3页
3/7
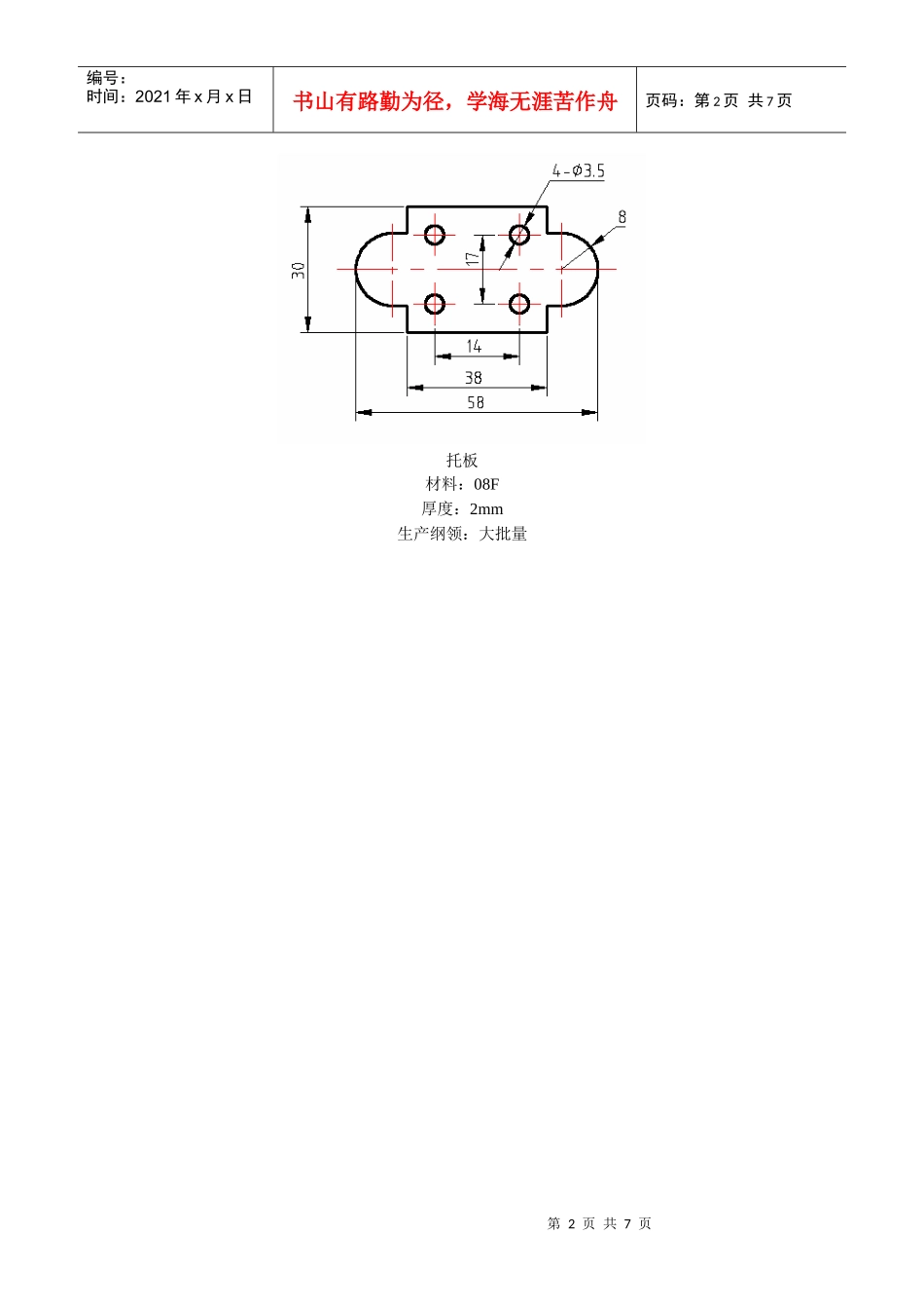
第1页共7页编号:时间:2021年x月x日书山有路勤为径,学海无涯苦作舟页码:第1页共7页第3章冲裁工艺及冲裁模具设计一、填空1.圆形垫圈的内孔属于外形属于。2.冲裁断面分为四个区域:分别是,,,。3.冲裁过程可分为,,三个变形阶段。4.工作零件刃口尺寸的确定冲孔以为计算基准,落料以为计算基准。5.冲裁件的经济冲裁精度为。6.凸凹模在下模部分的叫,凸凹模在上模部分的叫其中复合模多一套打件装置。7.弹性卸料装置除了起卸料作用外,还起作用,它一般用于的情况。8.侧刃常用于中,起的作用。9.冲压力合力的作用点称为,设计模具时,要使与模柄中心重合。10.挡料销用于条料送进时的,导正销用于条料送进时的。二、判断(正确的在括号内打√,错误的打×)1.()落料件比冲孔件精度高一级。2.()在其它条件相同的情况下,H62比08钢的搭边值小一些。3.()在复合模中,凸凹模的断面形状与工件完全一致。4.()复合模所获得的零件精度比级进模低。5.()直对排比斜对排的材料利用率高。三、选择1.在压力机的每次行程中,在,同时完成两道或两道以上的冲模叫级进模。A.同一副模具的不同位置B.同一副模具的相同位置。C.不同工序D.相同工序2.精密冲裁的条件是A.工作零件带有小圆角,极小的间隙,带齿压料板,强力顶件B.工作零件为锋利的刃口,负间隙,带齿压料板,强力顶件3.冲裁模导向件的间隙应该凸凹模的间隙。A.大于B.小于C.等于D.小于等于4.凸模比凹模的制造精度要,热处理硬度要求。A.高一级B.低一级C.不同D.相同5.硬材料比软材料的搭边值,精度高的制件搭边值和精度低的制件。A.小B.大C.不同D.相同四、思考1.什么是冲裁间隙?为什么说冲裁间隙是重要的。2.比较单工序模、复合模、级进模的优缺点。五、根据图示零件,完成以下内容:1)工作零件刃口尺寸;2)试画出其级进模排样图并计算出一块板料的材料利用率;3)计算冲裁力,选择压力机;4)绘出模具结构草图及工作零件图选择压力机第2页共7页第1页共7页编号:时间:2021年x月x日书山有路勤为径,学海无涯苦作舟页码:第2页共7页托板材料:08F厚度:2mm生产纲领:大批量第3页共7页第2页共7页编号:时间:2021年x月x日书山有路勤为径,学海无涯苦作舟页码:第3页共7页第3章冲裁工艺及冲裁模具设计(答案)一、填空1.圆形垫圈的内孔属于冲孔外形属于落料。2.冲裁断面分为四个区域:分别是塌角,光面,毛面,毛刺。3.冲裁过程可分为弹性变形,塑性变形,断裂分离三个变形阶段。4.工作零件刃口尺寸的确定冲孔以凸模为计算基准,落料以凹模为计算基准。5.冲裁件的经济冲裁精度为IT11级。6.凸凹模在下模部分的叫倒装式复合模,凸凹模在上模部分的叫正装式复合模,其中正装式复合模多一套打件装置。7.弹性卸料装置除了起卸料作用外,还起压料作用,它一般用于材料厚度较小的情况。8.侧刃常用于级进模中,起控制条料送进步距的作用。9.冲压力合力的作用点称为模具的压力中心,设计模具时,要使压力中心与模柄中心重合。10.挡料销用于条料送进时的粗定位,导正销用于条料送进时的精定位。二、判断(正确的在括号内打√,错误的打×)1.(×)落料件比冲孔件精度高一级。2.(×)在其它条件相同的情况下,H62比08钢的搭边值小一些。3.(√)在复合模中,凸凹模的断面形状与工件完全一致。4.(×)复合模所获得的零件精度比级进模低。5.(×)直对排比斜对排的材料利用率高。三、选择1.在压力机的每次行程中,在A,同时完成两道或两道以上C的冲模叫级进模。B.同一副模具的不同位置B.同一副模具的相同位置。C.不同工序D.相同工序2.精密冲裁的条件是AC.工作零件带有小圆角,极小的间隙,带齿压料板,强力顶件D.工作零件为锋利的刃口,负间隙,带齿压料板,强力顶件3.冲裁模导向件的间隙应该B凸凹模的间隙。A.大于B.小于C.等于D.小于等于4.凸模比凹模的制造精度要A,热处理硬度要求C。A.高一级B.低一级C.不同D.相同5.硬材料比软材料的搭边值A,精度高的制件搭边值和精度低的制件C。A.小B.大C.不同D.相同四、思考1.什么是冲裁间隙?为什么说冲裁间隙是重要的。答:凸模与凹模工作部分的...

1、当您付费下载文档后,您只拥有了使用权限,并不意味着购买了版权,文档只能用于自身使用,不得用于其他商业用途(如 [转卖]进行直接盈利或[编辑后售卖]进行间接盈利)。
2、本站所有内容均由合作方或网友上传,本站不对文档的完整性、权威性及其观点立场正确性做任何保证或承诺!文档内容仅供研究参考,付费前请自行鉴别。
3、如文档内容存在违规,或者侵犯商业秘密、侵犯著作权等,请点击“违规举报”。

碎片内容

冲裁工艺及冲裁模具设计

确认删除?
VIP
微信客服
  • 扫码咨询
会员Q群
  • 会员专属群点击这里加入QQ群
客服邮箱
回到顶部