电脑桌面
添加小米粒文库到电脑桌面
安装后可以在桌面快捷访问

高三72化学实验仪器及基本操作VIP免费

高三72化学实验仪器及基本操作_第1页
1/10
高三72化学实验仪器及基本操作_第2页
2/10
高三72化学实验仪器及基本操作_第3页
3/10
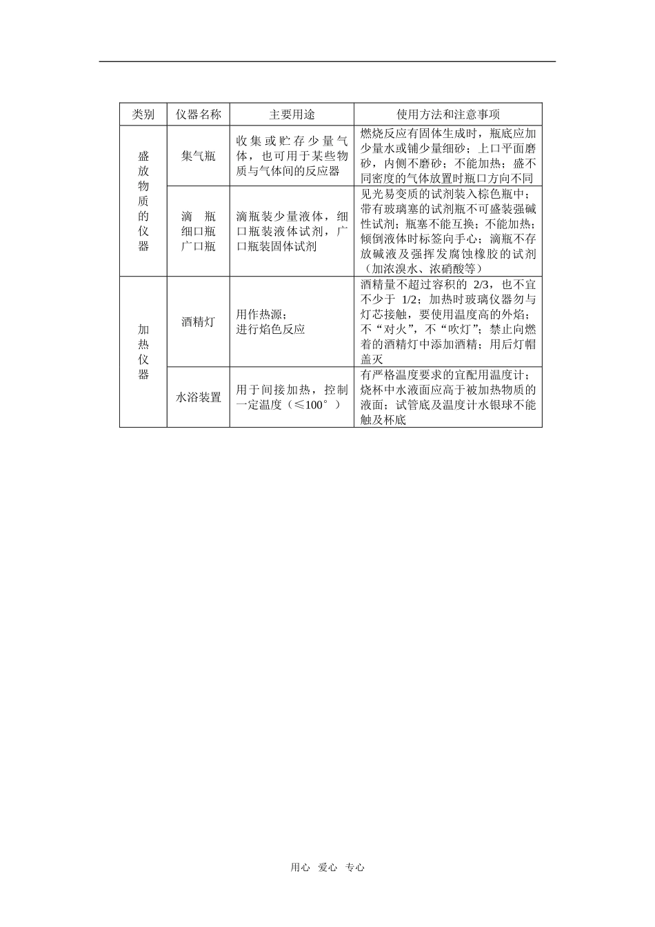
【同步知识】本周教学内容:化学实验仪器及基本操作(一)化学实验仪器的重要用途和使用方法:类别仪器名称主要用途使用方法和注意事项试管少量试剂的反应容器;收集少量气体;少量物质的溶解装溶液不超过试管容积的1/2,如需加热则不超过1/3;加热时需用试管夹,并使受热均匀,外壁要干燥;拿取试管时,用中指、食指、拇指拿住前1/3处;加热固体时管口略向下倾斜。坩锅高温灼烧固体物质瓷质仪器,可直接用火灼烧到高温;灼烧时放在泥三角架上,灼热的坩锅用坩锅钳夹取,避免骤冷;定量实验的冷却应在干燥器中蒸发皿蒸发液体或浓缩溶液或结晶瓷质仪器,可直接加热,但不能骤冷,蒸发溶液时不可加得太满,液面应距边缘1cm以上(液体量不超过容量的2/3),近干时应停止加热,使用时放在三角架或铁圈上可直接加热的仪器燃烧匙少量固体燃烧反应器做Fe、Cu等物质的燃烧实验时要铺细砂或垫石棉绒类别仪器名称主要用途使用方法和注意事项烧杯配制、浓缩、稀释溶液或较多试剂的反应容器;试管水浴加热;盛装液体;加热液体加热应放在石棉网上,且外部擦干;溶解固体时要轻轻搅拌,玻璃棒不碰器壁;反应液体不超过容量的2/3;加热时液体不超过容量的1/2;常用规格多为100mL、250mL、500mL、1000mL等,要注意选用、适宜规格。平底烧瓶用作气体发生装置的反应容器加热时要垫石棉网,但不适于长时间加热;当瓶内液体过少时,加热容易使烧瓶破裂;加热时外部擦干;液体不超过容量的1/2圆底烧瓶煮沸或在加热情况下进行反应的容器;喷泉实验应垫石棉网加热或通过其他液浴加热;液体加入量不要超过容量的1/2;加热时外部擦干蒸馏烧瓶液体蒸馏;作少量气体的发生器加热时要垫石棉网,加碎瓷片防暴沸;液体加入量不要超过容量的1/2;蒸馏(分馏)时温度计水银球宜在支管口处可垫石棉网加热的仪器锥形瓶中和滴定反应容器;蒸馏的接受容器放在石棉网上加热;液体不超过容量的1/2滴定时液体不能太多,以便于滴定时振荡用心爱心专心类别仪器名称主要用途使用方法和注意事项集气瓶收集或贮存少量气体,也可用于某些物质与气体间的反应器燃烧反应有固体生成时,瓶底应加少量水或铺少量细砂;上口平面磨砂,内侧不磨砂;不能加热;盛不同密度的气体放置时瓶口方向不同盛放物质的仪器滴瓶细口瓶广口瓶滴瓶装少量液体,细口瓶装液体试剂,广口瓶装固体试剂见光易变质的试剂装入棕色瓶中;带有玻璃塞的试剂瓶不可盛装强碱性试剂;瓶塞不能互换;不能加热;倾倒液体时标签向手心;滴瓶不存放碱液及强挥发腐蚀橡胶的试剂(加浓溴水、浓硝酸等)酒精灯用作热源;进行焰色反应酒精量不超过容积的2/3,也不宜不少于1/2;加热时玻璃仪器勿与灯芯接触,要使用温度高的外焰;不“对火”,不“吹灯”;禁止向燃着的酒精灯中添加酒精;用后灯帽盖灭加热仪器水浴装置用于间接加热,控制一定温度(≤100°)有严格温度要求的宜配用温度计;烧杯中水液面应高于被加热物质的液面;试管底及温度计水银球不能触及杯底用心爱心专心类别仪器名称主要用途使用方法和注意事项容量瓶用于精确配制一定体积和一定物质的量浓度的溶液(精度0.01mL)不用作反应器,不可加热,瓶塞不可互换;用前必须检漏;不宜贮存配好的溶液;不可直接溶解溶质;使用时注意选用合适的规格;摇匀时塞好塞子,用食指顶住瓶塞,另一手的手指托住瓶底,倒转和摇动多次;容量瓶的容积通常是20℃时标定的;常用规格有50mL、100mL、250mL、1000mL等温度计测量温度温度计不允许测量超过它的最高量程的温度;因水银球部位玻璃极薄(传热快),温度计切不能当搅拌器使用;刚刚测量过高温的温度计不可立即用冷水冲洗;不同实验应注意水银球的位置,以方便观察读数及符合实验目的计量仪器托盘天平粗略称量药品(固体)(精度≥0.1g)称量物不可直接放在托盘上称量,不能称热的东西,有吸湿性或腐蚀性的药品须放在玻璃容器内称量;天平应保持清洁;用前调平;左物右码;取码用镊子;用后砝码、游码归位,一般1g以下用游码,游码标尺量程为0~5g,一般最小分度值为0.1g类别仪器名称主要用途使用方法和注意事项酸式滴定管碱式滴定管滴定反应的量器;准确量取一定体积液体...

1、当您付费下载文档后,您只拥有了使用权限,并不意味着购买了版权,文档只能用于自身使用,不得用于其他商业用途(如 [转卖]进行直接盈利或[编辑后售卖]进行间接盈利)。
2、本站所有内容均由合作方或网友上传,本站不对文档的完整性、权威性及其观点立场正确性做任何保证或承诺!文档内容仅供研究参考,付费前请自行鉴别。
3、如文档内容存在违规,或者侵犯商业秘密、侵犯著作权等,请点击“违规举报”。

碎片内容

高三72化学实验仪器及基本操作

您可能关注的文档

确认删除?
VIP
微信客服
  • 扫码咨询
会员Q群
  • 会员专属群点击这里加入QQ群
客服邮箱
回到顶部