电脑桌面
添加小米粒文库到电脑桌面
安装后可以在桌面快捷访问

焊接质量检验标准VIP专享VIP免费

焊接质量检验标准_第1页
1/5
焊接质量检验标准_第2页
2/5
焊接质量检验标准_第3页
3/5
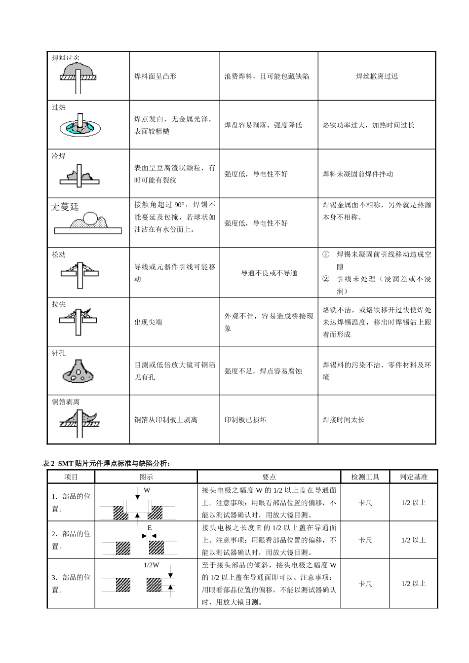
图2正确焊点剖面图焊接质量检验标准焊接在电子产品装配过程中是一项很重要的技术,也是制造电子产品的重要环节之一。它在电子产品实验、调试、生产中应用非常广泛,而且工作量相当大,焊接质量的好坏,将直接影响到产品的质量。电子产品的故障除元器件的原因外,大多数是由于焊接质量不佳而造成的。因此,掌握熟练的焊接操作技能对产品质量是非常有必要的。(一)焊点的质量要求:对焊点的质量要求,应该包括电气接触良好、机械接触牢固和外表美观三个方面,保证焊点质量最关键的一点,就是必须避免虚焊。1.可靠的电气连接焊接是电子线路从物理上实现电气连接的主要手段。锡焊连接不是靠压力而是靠焊接过程形成牢固连接的合金层达到电气连接的目的。如果焊锡仅仅是堆在焊件的表面或只有少部分形成合金层,也许在最初的测试和工作中不易发现焊点存在的问题,这种焊点在短期内也能通过电流,但随着条件的改变和时间的推移,接触层氧化,脱离出现了,电路产生时通时断或者干脆不工作,而这时观察焊点外表,依然连接良好,这是电子仪器使用中最头疼的问题,也是产品制造中必须十分重视的问题。2.足够机械强度焊接不仅起到电气连接的作用,同时也是固定元器件,保证机械连接的手段。为保证被焊件在受振动或冲击时不至脱落、松动,因此,要求焊点有足够的机械强度。一般可采用把被焊元器件的引线端子打弯后再焊接的方法。作为焊锡材料的铅锡合金,本身强度是比较低的,常用铅锡焊料抗拉强度约为3-4.7kg/cm2,只有普通钢材的10%。要想增加强度,就要有足够的连接面积。如果是虚焊点,焊料仅仅堆在焊盘上,那就更谈不上强度了。3.光洁整齐的外观良好的焊点要求焊料用量恰到好处,外表有金属光泽,无拉尖、桥接等现象,并且不伤及导线的绝缘层及相邻元件良好的外表是焊接质量的反映,注意:表面有金属光泽是焊接温度合适、生成合金层的标志,这不仅仅是外表美观的要求。典型焊点的外观如图1所示,其共同特点是:①外形以焊接导线为中心,匀称成裙形拉开。②焊料的连接呈半弓形凹面,焊料与焊件交界处平滑,接触角尽可能小。③表面有光泽且平滑。④无裂纹、针孔、夹渣。焊点的外观检查除用目测(或借助放大镜、显微镜观测)焊点是否合乎上述标准以外,还包括以下几个方面焊接质量的检查:漏焊;焊料拉尖;焊料引起导线间短路(即“桥接”);导线及元器件绝缘的损伤;布线整形;焊料飞溅。检查时,除目测外,还要用指触、镊子点拨动、拉线等办法检查有无导线断线、焊盘剥离等缺陷。(二)焊接质量的检验方法:⑴目视检查目视检查就是从外观上检查焊接质量是否合格,也就是从外观上评价焊点有什么缺陷。目视检查的主要内容有:①是否有漏焊,即应该焊接的焊点没有焊上;②焊点的光泽好不好;③焊点的焊料足不足;④焊点的周围是否有残留的焊剂;⑤有没有连焊、焊盘有滑脱落;⑥焊点有没有裂纹;⑦焊点是不是凹凸不平;焊点是否有拉尖现象。图2所示为正确的焊点形状。图中(a)为直插式焊点形状(b)为半打弯式的焊点形状。⑵手触检查手触检查主要是指触摸元器件时,是否松动、焊接不牢的现象。用镊子夹住元器件引线,轻轻拉动时,有无松动现象。图1(a)(b)凹形曲线主焊体焊接薄的边缘通电检元器件损坏导通不良失效性能降低烙铁漏电、过热损坏烙铁漏电、过热损坏短路断路时通时断桥接、焊料飞溅焊锡开路裂、松香夹渣、虚焊、插座接触不良等导线断线、焊盘剥落等焊点在摇动时,上面的焊锡是否脱落现象。⑶通电检查在外观检查结束以后诊断连线无误,才可进行通电检查,这是检验电路性能的关键。如果不经过严格的外观检查,通电检查不仅困难较多,而且有可能损坏设备仪器,造成安全事故。例如电源连线虚焊,那么通电时就会发现设备加不上电,当然无法检查。图3通电检查及原因分析通电检查可以发现许多微小的缺陷,例如用目测观察不到的电路桥接,但对于为内部虚焊的隐患就不容易觉察。所以根本的问题还是要提高焊接操作的技艺水平,不能把问题留给检验工作去完成。通电检查时可能出现的故障与焊接缺陷的关系如图3所示,可供参考。(三)PCBA常见焊点的缺陷及分析:造成焊接缺陷的原因很多,在材...

1、当您付费下载文档后,您只拥有了使用权限,并不意味着购买了版权,文档只能用于自身使用,不得用于其他商业用途(如 [转卖]进行直接盈利或[编辑后售卖]进行间接盈利)。
2、本站所有内容均由合作方或网友上传,本站不对文档的完整性、权威性及其观点立场正确性做任何保证或承诺!文档内容仅供研究参考,付费前请自行鉴别。
3、如文档内容存在违规,或者侵犯商业秘密、侵犯著作权等,请点击“违规举报”。

碎片内容

焊接质量检验标准

确认删除?
VIP
微信客服
  • 扫码咨询
会员Q群
  • 会员专属群点击这里加入QQ群
客服邮箱
回到顶部