电脑桌面
添加小米粒文库到电脑桌面
安装后可以在桌面快捷访问

QC七大手法教材VIP免费

QC七大手法教材_第1页
1/39
QC七大手法教材_第2页
2/39
QC七大手法教材_第3页
3/39
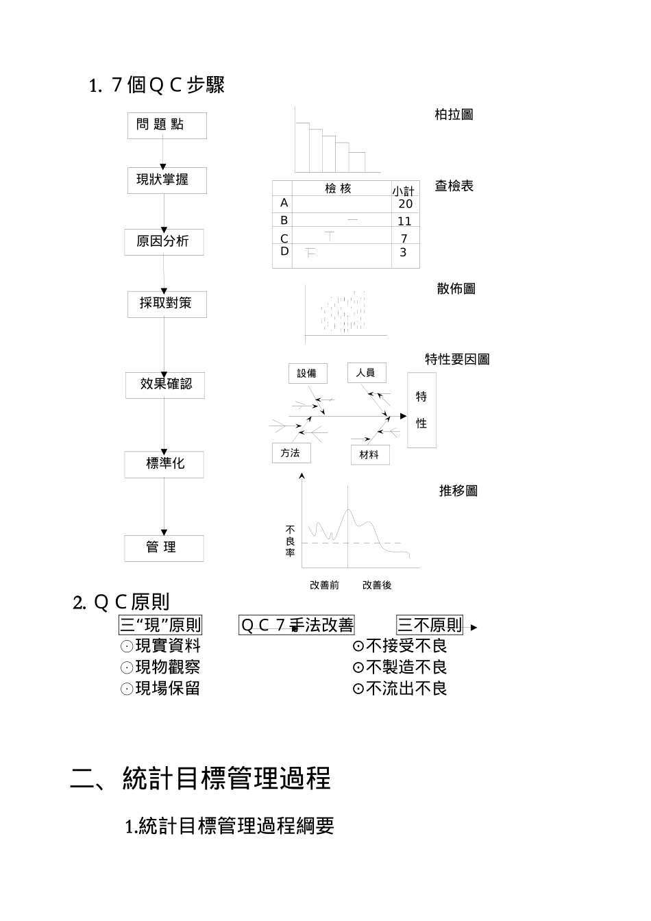
QC7手法(又名:統計的目標管理工具)課程綱要1.QC7大手法步驟2.目標管理過程3.資料會說話(真話/謊話)4.圖表製作要領5.簡易7手法6.舊QC7手法6.1查檢表6.2散佈圖6.3層別法6.4直方圖6.5柏拉圖6.6魚骨圖6.7管制圖(…*請廠商帶有關銷售、生産、品管、倉儲等統計圖表參與研討)7.新QC7大手法(試作:KJ…法、決策矩陣圖法)8.制程能力9.WORKSHOP帶來效益“”一、幹部能提供圖表取代長篇大論。二、更正現有圖表錯誤,以求完善。“”三、老闆、經理一清二楚,瞭解各單位績效?與目標是否達成?四、利用統計手法,正確分析原因與有效解決異常問題。一、QC7大步驟1.7個QC步驟2.QC原則“”三現原則QC7手法改善三不原則⊙⊙現實資料不接受不良⊙⊙現物觀察不製造不良⊙⊙現場保留不流出不良二、統計目標管理過程1.統計目標管理過程綱要問題點現狀掌握原因分析採取對策效果確認標準化管理A20檢核特性人員設備方法材料不良率BCD1173改善前改善後柏拉圖查檢表散佈圖特性要因圖推移圖小計2.確認統計需求單位執行時機使用記錄産出圖表品管每日QA出貨檢查日報表成品抽驗合格批率日推移圖每日成品抽驗合格批率日推移圖成品檢驗不良批率月推移圖當月末達成目標日或月推移圖不良專案柏拉圖最大不良專案魚骨圖處置對策表每月IQC進料檢驗登記表不良批率分包商扇形圖前三大不良分包商處置對策生産部每月生産不良處理單報廢申請單損耗專案柏拉圖損耗率月推移圖當月未達成目標損耗率日推移圖最大損耗專案魚骨圖損耗專案柏拉圖處置對策表3.瞭解目標、主題、公式三、資料會說話1.“”“”用資料取代評論2“”.資料的分類2.1依[性質]“”“”分:計量值與計數值主題選定與目標管理記錄收集製成圖表分析、對策、行動研討、修訂2.2依[來源]——分;市場資料/銷售資料——分包商數據/採購資料——制程資料/檢驗資料——庫存資料…等2.3依[時間]分:過去/現在/未來?2.4依[用途]分:解析用/管制用。3、資料的收集方法3.1“”來自日常、即時的記錄報表。3.2報表中之區分類別應合理化!…(例如:外觀不良、電鍍不良、加工不良皆不宜)3.3現場依[區分類別]分劃盛裝容器。3.4“”┼┼┼┼…使用劃記法一次到位。(如:正、等)3.5—外觀性不良,如圖産品有幾處不良時,僅記錄其最嚴重之一項。3.6不良率之計算爲所有不良數之和除以檢查總數,而非簡單之相加除以天數。4、整理資料應注意的事項4.1問題發生要採取對策之前,一定要有資料作爲依據。4.2要清楚使用目的。4.3資料的整理,改善前後所具備條件要一致。4.4資料搜集完後,要馬上使用。4.5搜集正確而不是造假的資料。四、圖表製作要領1.“”不要遺忘圖名(Title)2.“”應有:資料時間(Period)3.注明來源(Sourcereference)4.圖形採用依統計主題,涉及單位選用,通常有5.座標軸(Coordinate):應表明代表、專案名稱及單位6.刻度(Scale)依數值範圍可能之Max與Min。7.劃線(Ruling)7.1“”基線及圖示線應比其他邊線段粗黑7.2“”“”可利用圖例與顔色,(但最好一張表不超過3種)7.3“”圖例應加以說明8.“”“”可以補充實際點之數值或作成資料表於圖下方。9.“”別忘了製作者,“”“”審查者與呈交確認。五、簡易七手法手法圖形用途備注甘特圖容易管理1.工作進度安排2.查核工作進度3.掌握現況4.日常計劃管理用最容易最有效的一種進度自我管理流一目了然———1.工作內容之表示工作說明,內容之等123456………………………………………程圖→○→□→○→○→□→○□△操作檢驗儲存搬運2.容易掌握工作站3.教育、說明用簡易表示方法5W工作要領WHAT物件WHY目的WHEN何時WHERE地點WHO誰HOW手段HOWMUCH費用1.7種質問法2.解決任何問題或分析,考慮之要素3.面面俱到考慮周密,可收事半功倍之效2H愚巧法簡便方法交通標誌顔色管理1.異狀管理2.可使工作輕易,人人會做3.再發防止的工作法愚笨的人都能使用的一種工作方法雷達法容易表達1.效果之比2.目標之達成情形3.多項巨層比較表達效果或資料差異的一種方法統計法簡單好用1.異常資料一目了然2.容易對照、比較3.易看出結論應用最普遍報章、雜誌均可看到的圖表推移法差異顯示1.資料對時間變化管...

1、当您付费下载文档后,您只拥有了使用权限,并不意味着购买了版权,文档只能用于自身使用,不得用于其他商业用途(如 [转卖]进行直接盈利或[编辑后售卖]进行间接盈利)。
2、本站所有内容均由合作方或网友上传,本站不对文档的完整性、权威性及其观点立场正确性做任何保证或承诺!文档内容仅供研究参考,付费前请自行鉴别。
3、如文档内容存在违规,或者侵犯商业秘密、侵犯著作权等,请点击“违规举报”。

碎片内容

QC七大手法教材

您可能关注的文档

确认删除?
VIP
微信客服
  • 扫码咨询
会员Q群
  • 会员专属群点击这里加入QQ群
客服邮箱
回到顶部