电脑桌面
添加小米粒文库到电脑桌面
安装后可以在桌面快捷访问

单位工程质量竣工验收记录表(doc 8页)VIP专享VIP免费

单位工程质量竣工验收记录表(doc 8页)_第1页
1/8
单位工程质量竣工验收记录表(doc 8页)_第2页
2/8
单位工程质量竣工验收记录表(doc 8页)_第3页
3/8
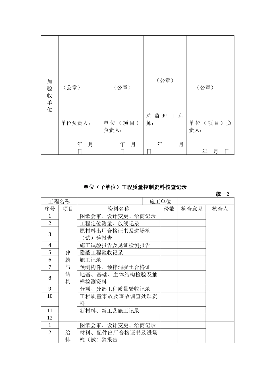
单位(子单位)工程质量竣工验收记录统—1工程名称结构类型层数/建筑面积施工单位技术负责人开工日期项目经理项目技术负责人竣工日期序号项目验收记录验收结论1分部工程共分部,经检查分部符合标准及设计要求分部2质量控制资料检查共项,经审查符合要求项经核定符合规范要求项。3安全和主要使用功能核查及抽查结果共核查份符合要求份共抽查份符合要求份经返工处理符合要求份4观感质量验收共抽查项,符合要求项,不符合要求项。5综合验收结论参施工单位设计单位监理单位建设单位加验收单位(公章)单位负责人:年月日(公章)单位(项目)负责人:年月日(公章)总监理工程师:年月日(公章)单位(项目)负责人:年月日单位(子单位)工程质量控制资料核查记录统—2工程名称施工单位序号项目资料名称份数检查意见核查人1建筑与结构图纸会审、设计变更、洽商记录2工程定位测量、放线记录3原材料出厂合格证书及进场检(试)验报告4施工试验报告及见证检测报告5隐蔽工程验收记录6施工记录7预制构件、预拌混凝土合格证8地基、基础、主体结构检验及抽样检测资料9分项、分部工程质量验收记录10工程质量事故及事故调查处理资料11新材料、新工艺施工记录121给排图纸会审、设计变更、洽商记录2材料、配件出厂合格证书及进场检(试)验报告水与采暖3管道、设备强度试验、严密性试验记录4隐蔽工程验收记录5系统清洗、灌水、通水、通球试验记录6施工记录7分项、分部工程质量验收记录81建筑电气图纸会审、设计变更、洽商记录2材料、设备出厂合格证书及进场检(试)验报告3设备调试记录4接地、绝缘电阻测试记录5隐蔽工程验收表6施工记录7分项、分部工程质量验收记录8续统—2工程名称施工单位序号项目资料文件名称份数检查意见核查人1通风与空调图纸会审、设计变更、洽商记录2材料、设备出厂合格证书及进场检(试)验报告3制冷、空调、水管道强度试验、严密性试验记录4隐蔽工程验收记录5制冷设备运行调试记录6通风、空调系统调试记录7施工记录8分项、分部工程验收记录91电梯土建布置图纸会审、设计变更、洽商记录2设备出厂合格证书及开箱检验记录3隐蔽工程验收表4施工记录5接地、绝缘电阻测试记录6负荷试验、安全装置检查记录7分项、分部工程验收记录1建筑智能化图纸会审、设计变更、洽商记录、竣工图几设计说明2材料、设备出厂合格证书及技术文件及进场检(试)验报告3隐蔽工程验收表4系统功能测定及设备调试记录5系统技术、操作和维护手册6系统管理、操作人员培训记录7系统检测报告8分项、分部工程验收报告结论:总监理工程师:施工单位项目经理:年月日(建设单位项目负责人):年月日单位(子单位)工程安全和功能检验资料核查及主要功能抽查记录统—3工程名称施工单位序号项目资料文件名称份数检查意见核查人1建筑与结构屋面淋水试验记录2地下室防水效果检查记录3有防水要求地面蓄水试验记录4建筑物垂直度、标高、全高测量记录5抽气(风)道检查记录6幕墙及外窗气密性、水密性、耐风压检测报告7建设物沉降观测测量记录8节能、保温测试记录9室内环境检测报告101给排水给水管道通水试验记录2暖气管道、散热器压力试验记录与采暖3卫生器具满水试验记录4消防管道、燃气管道压力试验记录5排水干管通球试验记录61电气照明全负荷试验记录2大型灯具牢固性试验记录3避雷接地电阻测试记录4线路、插座、开关接地检验记录51通风空调通风、空调系统试运行记录2风量、温度测试记录3洁净室洁净度测试记录4制冷机组试运行调试记录51电梯电梯运行记录2电梯安全装置检测报告1智能建筑系统试运行记录2系统电源及接地检测报告3结论:总监理工程师:施工单位项目经理:(建设单位项目负责人):年月日年月日单位(子单位)观感质量验收检查记录统—4工程名称施工单位序号项目抽查质量状况质量评价好一般差1建筑与结构室外墙面2变形缝3水落管、屋面4室内墙面5室内顶棚6室内地面7楼梯、踏步、护栏8门窗1给排水与管道接口、坡度、支架2卫生器具、支架、阀门采暖3检查口、扫除口、地漏4散热器、支架1建筑电气配电箱、盘、板接线盒2设备器具、开关、插座3防雷、接地1通风与空调风管、支架2风口、风阀3风机、空调设备4阀...

1、当您付费下载文档后,您只拥有了使用权限,并不意味着购买了版权,文档只能用于自身使用,不得用于其他商业用途(如 [转卖]进行直接盈利或[编辑后售卖]进行间接盈利)。
2、本站所有内容均由合作方或网友上传,本站不对文档的完整性、权威性及其观点立场正确性做任何保证或承诺!文档内容仅供研究参考,付费前请自行鉴别。
3、如文档内容存在违规,或者侵犯商业秘密、侵犯著作权等,请点击“违规举报”。

碎片内容

单位工程质量竣工验收记录表(doc 8页)

确认删除?
VIP
微信客服
  • 扫码咨询
会员Q群
  • 会员专属群点击这里加入QQ群
客服邮箱
回到顶部