电脑桌面
添加小米粒文库到电脑桌面
安装后可以在桌面快捷访问

罗凯-红外线信号的传输基于MCU的调制与解调的研究1VIP免费

罗凯-红外线信号的传输基于MCU的调制与解调的研究1_第1页
1/10
罗凯-红外线信号的传输基于MCU的调制与解调的研究1_第2页
2/10
罗凯-红外线信号的传输基于MCU的调制与解调的研究1_第3页
3/10
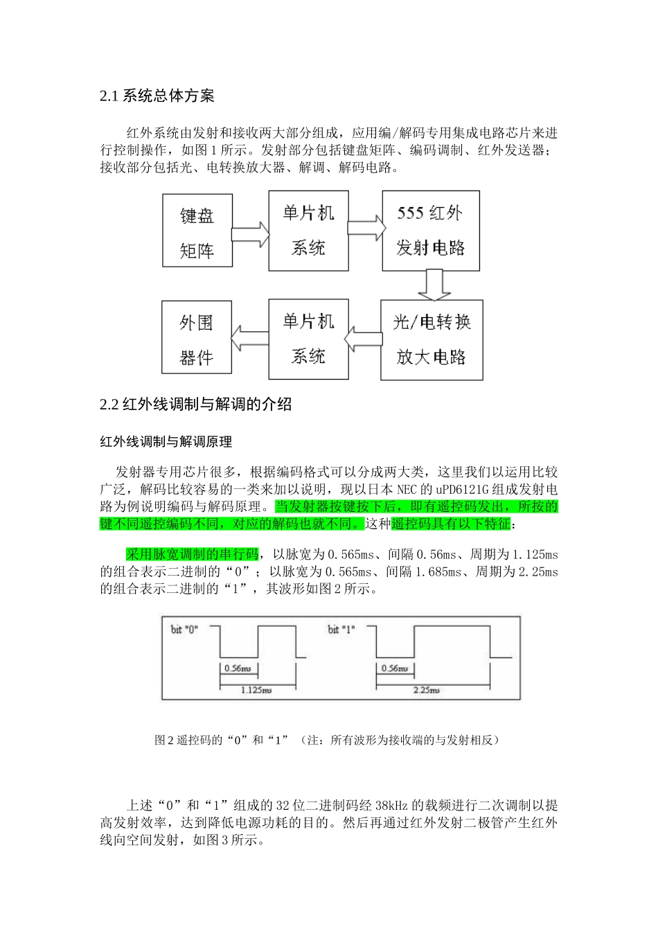
红外线信号的传输基于MCU的调制与解调的研究罗凯,侯健(电子科技大学成都学院电子信息工程系,成都611731)摘要:本研究方案由发射和接收两大部分组成,都是基于MCU实现软件对红外线信号调制与解调。为红外线非定向应用奠定研究基础。关键词:uPD6121G;红外线发射/编码与接收/解码;ResearchMCU-basedinfraredsignaltransmissionmodulationanddemodulationLUOKai,HOUJianAbstract:Theprogramconsistsoftransmittingandreceivingtwomajorcomponents,aresoftware-basedMCUtoachieveinfraredsignalmodulationanddemodulation.Keywords:uPD6121G;Infraredremotelaunch/encoding/decodingandreceiving1引言红外线是近距离、高速无线通信的一种手段。一直以来,红外遥控、遥测技术在玩具、家电制造及工业测控等领域得到了广泛的应用、室内通信的手段,红外线具有无线电无法比拟的优势。以前的红外线遥控系统以定向发射、接收为主流应用,因此一般为单用户系统。随着非方向性发射、接收,构成系统成为了可能。之前红外线信号都是采用固定的编码芯片和解码芯片实现对红外线的编码的调制与解调,这样的信号无法随用户的需求或构成真正意义上的系统的要求变化,因此本研究方案即是:通过基于MCU及外围器件为基础,实现用软件的方式对红外线进行调制与解调的,这样可以更好的控制红外线信号,使设计者设计出更多与红外线有关的无线段距离通信电路。2系统研究方案2.1系统总体方案红外系统由发射和接收两大部分组成,应用编/解码专用集成电路芯片来进行控制操作,如图1所示。发射部分包括键盘矩阵、编码调制、红外发送器;接收部分包括光、电转换放大器、解调、解码电路。图1红外线遥控系统结构图2.2红外线调制与解调的介绍红外线调制与解调原理发射器专用芯片很多,根据编码格式可以分成两大类,这里我们以运用比较广泛,解码比较容易的一类来加以说明,现以日本NEC的uPD6121G组成发射电路为例说明编码与解码原理。当发射器按键按下后,即有遥控码发出,所按的键不同遥控编码不同,对应的解码也就不同。这种遥控码具有以下特征:采用脉宽调制的串行码,以脉宽为0.565ms、间隔0.56ms、周期为1.125ms的组合表示二进制的“0”;以脉宽为0.565ms、间隔1.685ms、周期为2.25ms的组合表示二进制的“1”,其波形如图2所示。图2遥控码的“0”和“1”(注:所有波形为接收端的与发射相反)上述“0”和“1”组成的32位二进制码经38kHz的载频进行二次调制以提高发射效率,达到降低电源功耗的目的。然后再通过红外发射二极管产生红外线向空间发射,如图3所示。图3遥控信号编码波形图UPD6121G产生的遥控编码是连续的32位二进制码组,其中前16位为用户识别码,能区别不同的电器设备,防止不同机种遥控码互相干扰。该芯片的用户识别码固定为十六进制01H;后16位为8位操作码(功能码)及其反码。UPD6121G最多额128种不同组合的编码。遥控器在按键按下后,周期性地发出同一种32位二进制码,周期约为108ms。一组码本身的持续时间随它包含的二进制“0”和“1”的个数不同而不同,大约在45~63ms之间,图4为发射波形图。图4遥控连发信号波形当一个键按下超过36ms,振荡器使芯片激活,将发射一组108ms的编码脉冲,这108ms发射代码由一个起始码(9ms),一个结果码(4.5ms),低8位地址码(9ms~18ms),高8位地址码(9ms~18ms),8位数据码(9ms~18ms)和这8位数据的反码(9ms~18ms)组成。如果键按下超过108ms仍未松开,接下来发射的代码(连发代码)将仅由起始码(9ms)和结束码(2.5ms)组成。图5引导码图6连发码代码格式(以接收代码为准,接收代码与发射代码反向)①位定义②单发代码格式③连发代码格式注:代码宽度算法:16位地址码的最短宽度:1.12×16=18ms16位地址码的最长宽度:2.24ms×16=36ms易知8位数据代码及其8位反代码的宽度和不变:(1.12ms+2.24ms)×8=27ms∴32位代码的宽度为(18ms+27ms)~(36ms+27ms)1.解码的关键是如何识别“0”和“1”,从位的定义我们可以发现“0”、“1”均以0.56ms的低电平开始,不同的是高电平的宽度不同,“0”为0.56ms,“1”为1.68ms,所以必须根据高电平的宽度区别“0”和“...

1、当您付费下载文档后,您只拥有了使用权限,并不意味着购买了版权,文档只能用于自身使用,不得用于其他商业用途(如 [转卖]进行直接盈利或[编辑后售卖]进行间接盈利)。
2、本站所有内容均由合作方或网友上传,本站不对文档的完整性、权威性及其观点立场正确性做任何保证或承诺!文档内容仅供研究参考,付费前请自行鉴别。
3、如文档内容存在违规,或者侵犯商业秘密、侵犯著作权等,请点击“违规举报”。

碎片内容

罗凯-红外线信号的传输基于MCU的调制与解调的研究1

您可能关注的文档

海纳百川+ 关注
实名认证
内容提供者

热爱教学事业,对互联网知识分享很感兴趣

确认删除?
VIP
微信客服
  • 扫码咨询
会员Q群
  • 会员专属群点击这里加入QQ群
客服邮箱
回到顶部