电脑桌面
添加小米粒文库到电脑桌面
安装后可以在桌面快捷访问

企业财务管理部整套表格大全( 62页)VIP专享VIP免费

企业财务管理部整套表格大全( 62页)_第1页
1/121
企业财务管理部整套表格大全( 62页)_第2页
2/121
企业财务管理部整套表格大全( 62页)_第3页
3/121
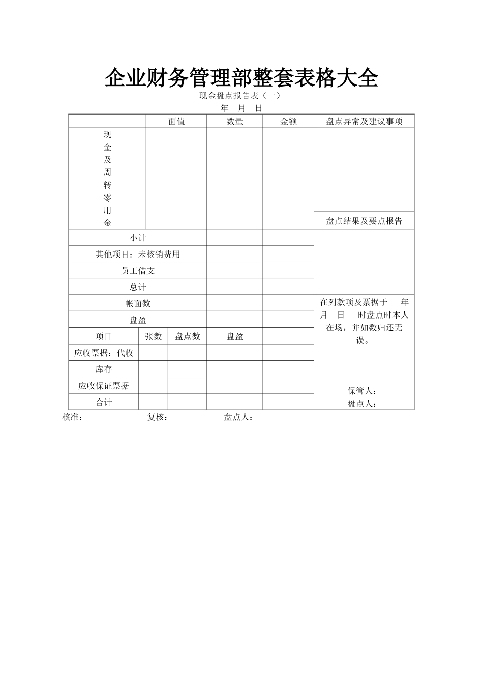
企业财务管理部整套表格大全现金盘点报告表(一)年月日面值数量金额盘点异常及建议事项现金及周转零用金盘点结果及要点报告小计其他项目:未核销费用员工借支总计帐面数在列款项及票据于年月日时盘点时本人在场,并如数归还无误。保管人:盘点人:盘盈项目张数盘点数盘盈应收票据:代收库存应收保证票据合计核准:复核:盘点人:现金盘点报告表单位名称:年月日实存金额帐存金额对比结果备注盈亏盘点人签章出纳员签章银行存款余额调节表帐号:年月日项目金额项目金额银行存款日记帐余额银行对帐单余额调节后余额调节后余额现金银行存款结存表银行别昨日结存收入支出本日结存备注主管:制表:备用金明细表年月日至年月日日期会计科目摘要金额月日主管制表零用金明细表年月日至年月日日期会计科目摘要金额月日主管制表零用金报表清单编号:科目:月日至年月日填表日期支付日期部门子目摘要单据张数报销金额明细帐页次合计上期领用金额本期报销金额本期结存金额主管:填表:支票票期统计表月日兑现日张数票额合计百分比平均票额最高三张支票额备注合计%出纳管理日报表年月日摘要本日收支额本月合计本月预计备注现金存款合计前日余额收入销售进帐分店汇款票据兑现抵押借款私人借款预收保险费进帐合计偿还借款材料购入采购品支付费用支付人事费广告费各项费用支付利息设备其他购固定资产分店小额款项工厂小额款项支出合计现金存款存款提取本日余额出纳日报表年日银行名称存入张数存入金额支付张数支付金额备注合计银行名称前日结存本日存入本日支付本日结存现金结存面额数量金额100元50元10元5元2元1元角分合计应付本票、保证本票、贴现、票借计录:总经理经理科长出纳外币资金情况表年月单位:元项目行次资产负债表期末数折合为记帐本位币总额人民币户折旧为记帐本仅次币金额外汇兑换券折合为记帐本位币金额外币金额美元港元外币金额折合为记帐本位币金额外币金额折合为记帐本位有外币的资产项目现金银行存款有价证券应收票据应收帐款预付应收款其他应收款小计123456789长期投资外币资产合计有外币户的负债项目短期借款应付票据应付帐款应付工资应付股利预收货款其他应付款小计长期借款应付公司债外币负债合计1011121314151617181920212223年、月份应收款日程表年月日第页编号:项次客户名称金额明细表编号预定收款日期收款检讨说明月日时月日时月日时月日时月日时月日时月日时月日时月日时月日时月日时月日时月日时月日时月日时月日时月日时月日时月日时月日时月日时月日时月日时月日时月日时月日时月日时月日时月日时月日时月日时月日时月日时月日时月日时月日时月日时主管会计制表预收预付款明细表月份预付预付日期事由金额日期事由金额合计合计审核填表年、月份应收帐款明细表编号:年月日第页客户名称预定收款日期月日时分项次统一发票货单号码金额收款情况检讨与说明月日字号主管会计制表应收应付帐款月报表应收帐款应收票据销货日期客户订单或凭证号码金额收单日期客户名称银行名称金额合计合计审核填表应收帐款票据月报表月份客户名称应收帐款应收帐款合计本月累计%本月累计%本月累计%合计100100100审核填表付款登记表付款期:页次验收单号公司名称摘要支付金额领款日期领款章备注公司领款单应收帐款票据分户明细卡保证人:编号:帐号:负责人:信用限额:指定:背书人:客户:地址:电话:NO.销货销货单号摘要冲转应收帐收票摘要应收票据到期日冲转兑现总计月日月日过次页应收票据明细分类表到期日期:年月日入帐传号票码摘要银行名称票据号码兑现日期记号收入票据兑现金额月日借贷应收应付票据记录表兑现日期:月日星期收票日期发票人银行名称支票号码金额累计金额转出记录日期受款人银行帐户支票号码金额累计金额备注合计合计采购控制表年月日厂商品名本月上月说明单价数量金额单价数量金额核准:复核:制表:提货单购货单位:运输方式:收货地址:年月日编号:产品编号产品名称规格单位数量单价金额备注合计销售部门负责人(盖章)发货人提货制票入库单供货单位:收货单位:库别:年月日库别:类种品规格等级品名单位数量单价金额包装数件数合计验收单位复核记帐员制...

1、当您付费下载文档后,您只拥有了使用权限,并不意味着购买了版权,文档只能用于自身使用,不得用于其他商业用途(如 [转卖]进行直接盈利或[编辑后售卖]进行间接盈利)。
2、本站所有内容均由合作方或网友上传,本站不对文档的完整性、权威性及其观点立场正确性做任何保证或承诺!文档内容仅供研究参考,付费前请自行鉴别。
3、如文档内容存在违规,或者侵犯商业秘密、侵犯著作权等,请点击“违规举报”。

碎片内容

企业财务管理部整套表格大全( 62页)

确认删除?
VIP
微信客服
  • 扫码咨询
会员Q群
  • 会员专属群点击这里加入QQ群
客服邮箱
回到顶部