电脑桌面
添加小米粒文库到电脑桌面
安装后可以在桌面快捷访问

降水与排水检验批质量验收记录VIP专享VIP免费

降水与排水检验批质量验收记录_第1页
1/4
降水与排水检验批质量验收记录_第2页
2/4
降水与排水检验批质量验收记录_第3页
3/4
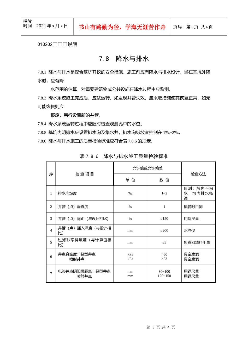
第1页共4页编号:时间:2021年x月x日书山有路勤为径,学海无涯苦作舟页码:第1页共4页降水与排水检验批质量验收记录(GB50202-2002)表7.8.6编号:010202□□□工程名称分项工程名称项目经理施工单位验收部位施工执行标准名称及编号专业工长(施工员)分包单位分包项目经理施工班组长质量验收规范的规定施工单位自检记录监理(建设)单位验收记录检查项目质量要求实测值1排水沟坡度1~2‰2井管(点)垂直度1%3井管(点)间距≤150%4井管(点)插入深度≤200mm5过滤砂砾料填灌≤5mm6井点真空度轻型井点>60kPa喷射井点>93kPa7电渗井点阴阳极距离轻型井点80~100mm喷射井点120~150mm施工操作依据质量检查记录施工单位检查结果评定项目专业项目专业质量检查员:技术负责人:年月日第2页共4页第1页共4页编号:时间:2021年x月x日书山有路勤为径,学海无涯苦作舟页码:第2页共4页监理(建设)单位验收结论专业监理工程师:(建设单位项目专业技术负责人)年月日第3页共4页第2页共4页编号:时间:2021年x月x日书山有路勤为径,学海无涯苦作舟页码:第3页共4页010202□□□说明7.8降水与排水7.8.1降水与排水是配合基坑开挖的安全措施,施工前应有降水与排水设计。当在基坑外降水时,应有降水范围的估算,对重要建筑物或公共设施在降水过程中应监测。7.8.3降水系统施工完成后,应试运转,如发现井管失效,应采取措施使其恢复正常,如无可能恢复则应报废,另行设置新的井管。7.8.4降水系统运转过程中应随时检查观测孔中的水位。7.8.5基坑内明排水应设置排水沟及集水井,排水沟纵坡宜控制在1‰~2‰。7.8.6降水与排水施工的质量检验标准应符合表7.8.6的规定。表7.8.6降水与排水施工质量检验标准序检查项目允许值或允许偏差检查方法单位数值1排水沟坡度‰1~2目测:坑内不积水,沟内排水畅通2井管(点)垂直度%1插管时目测3井管(点)间距(与设计相比)%≤150用钢尺量4井管(点)插入深度(与设计相比)mm≤200水准仪5过滤砂砾料填灌(与计算值相比)mm≤5检查回填料用量6井点真空度:轻型井点喷射井点kPakPa>60>93真空度表真空度表7电渗井点阴阳极距离:轻型井点喷射井点mmmm80~100120~150用钢尺量用钢尺量第4页共4页第3页共4页编号:时间:2021年x月x日书山有路勤为径,学海无涯苦作舟页码:第4页共4页注:本表由施工项目专业质量检查员填写,专业监理工程师(建设单位项目专业技术负责人)组织项目专业质量(技术)负责人等进行验收。

1、当您付费下载文档后,您只拥有了使用权限,并不意味着购买了版权,文档只能用于自身使用,不得用于其他商业用途(如 [转卖]进行直接盈利或[编辑后售卖]进行间接盈利)。
2、本站所有内容均由合作方或网友上传,本站不对文档的完整性、权威性及其观点立场正确性做任何保证或承诺!文档内容仅供研究参考,付费前请自行鉴别。
3、如文档内容存在违规,或者侵犯商业秘密、侵犯著作权等,请点击“违规举报”。

碎片内容

降水与排水检验批质量验收记录

确认删除?
VIP
微信客服
  • 扫码咨询
会员Q群
  • 会员专属群点击这里加入QQ群
客服邮箱
回到顶部