电脑桌面
添加小米粒文库到电脑桌面
安装后可以在桌面快捷访问

模拟电子技术课程设计任务书VIP免费

模拟电子技术课程设计任务书_第1页
1/23
模拟电子技术课程设计任务书_第2页
2/23
模拟电子技术课程设计任务书_第3页
3/23
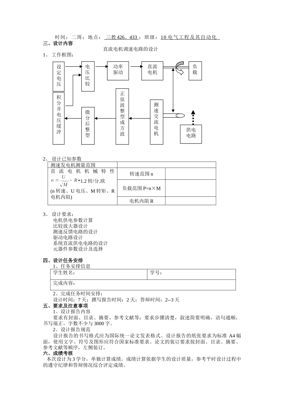
《模拟电子技术》课程设计任务书(一)一、目的意义“模拟电子技术课程设计”是继“模拟电子技术”理论教学和实验教学之后的重要实践教学环节。通过课程设计,进一步培养学生理论联系实际的能力;锻炼如何分析工程实际问题、查阅参考文献、撰写设计报告等技能。通过计算正确地选择相应元器件的数据、参数,具备全面地解决实际问题的能力,为后续课程学习打下坚实的基础。二、设计时间、地点、班级时间:二周;地点:三教426、433;班级:10电气工程及其自动化三、设计内容音频功率放大器的设计1、工作框图:2、设计已知参数信号幅度范围功率大小功率放大器类型功率裕量要强市电电压范围喇叭阻抗(平均值)3、设计要求:各级间阻抗匹配设计各级放大倍数设计末级功率设计供电电路的设计元器件参数设计及选择四、设计任务安排1、任务安排信息学生姓名:学号:完成内容:2、完成任务时间安排设计时间:7天;撰写报告时间:2天;答辩时间:2--3天五、要求及注意事项1、设计报告内容要求有封面、目录、摘要、参考文献等;要求步骤清楚,叙述简要明确,语句通顺,书写端正。字数不少与3000字。2、设计报告规范设计报告的书写格式应为国际统一论文发表格式。设计报告的纸张要求为标准A4幅音频信号源电压放大电流放大系统供电市电延时接通反馈电路喇叭音量调节面,使用文字、符号及图形应符合国家标准要求。论文的装订要求按封面、目录、摘要、参考文献等顺序,左侧装订。六、成绩考核本次设计为3学分,单独计算成绩。成绩计算依据学生的设计质量,参考平时设计过程中的遵守纪律和答辩情况综合评定成绩。设计指导教师:吴扬刘权2012年2月3日附:设计报告正文格式:题目(居中)作者:*******指导教师:********(安徽农业大学工学院合肥230036)摘要:*****************************************************************************************关键词:*******、*********、*********正文:**********************************************************************************************************************************************************************************结束语:*********************************************************************************************************************参考文献:格式要求:期刊:[序号]作者姓名.文章题目.期刊名称,出版年,卷(期):起始页码-终止页码专著:[序号]作者姓名.书名.出版地:出版者,出版年.起始页码-终止页码论文集:[序号]作者姓名.文章题目.论文集名称.出版地:出版者,出版年.起始页码-终止页码《模拟电子技术》课程设计任务书(二)一、目的意义“模拟电子技术课程设计”是继“模拟电子技术”理论教学和实验教学之后的重要实践教学环节。通过课程设计,进一步培养学生理论联系实际的能力;锻炼如何分析工程实际问题、查阅参考文献、撰写设计报告等技能。通过计算正确地选择相应元器件的数据、参数,具备全面地解决实际问题的能力,为后续课程学习打下坚实的基础。二、设计时间、地点、班级时间:二周;地点:三教426、433;班级:10电气工程及其自动化三、设计内容直流电机调速电路的设计1、工作框图:2、设计已知参数测速发电机测量范围直流电机机械特性*1.2转/分.欧(n转速、U电压、M转矩、R电机内阻)转速范围n负载范围P=n×M电机内阻R3、设计要求:电机供电参数计算比较放大器设计测速反馈电路的设计驱动电路设计系统直流供电电路的设计元器件参数设计及选择四、设计任务安排1、任务安排信息学生姓名:学号:完成内容:2、完成任务时间安排:设计时间:7天;撰写报告时间:2天;答辩时间:2--3天五、要求及注意事项1、设计报告内容要求有封面、目录、摘要、参考文献等;要求步骤清楚,叙述简要明确,语句通顺,书写端正。字数不少与3000字。2、设计报告规范设计报告的书写格式应为国际统一论文发表格式。设计报告的纸张要求为标准A4幅面,使用文字、符号及图形应符合国家标准要求。论文的装订要求按封面、目录、摘要、参考文献等顺序,左侧装订。六、成绩考核本次设计为3学分,单独计算成绩。成绩计算依据学生...

1、当您付费下载文档后,您只拥有了使用权限,并不意味着购买了版权,文档只能用于自身使用,不得用于其他商业用途(如 [转卖]进行直接盈利或[编辑后售卖]进行间接盈利)。
2、本站所有内容均由合作方或网友上传,本站不对文档的完整性、权威性及其观点立场正确性做任何保证或承诺!文档内容仅供研究参考,付费前请自行鉴别。
3、如文档内容存在违规,或者侵犯商业秘密、侵犯著作权等,请点击“违规举报”。

碎片内容

模拟电子技术课程设计任务书

确认删除?
VIP
微信客服
  • 扫码咨询
会员Q群
  • 会员专属群点击这里加入QQ群
客服邮箱
回到顶部