电脑桌面
添加小米粒文库到电脑桌面
安装后可以在桌面快捷访问

螺母、螺栓与螺柱焊接质量检验VIP专享VIP免费

螺母、螺栓与螺柱焊接质量检验_第1页
1/14
螺母、螺栓与螺柱焊接质量检验_第2页
2/14
螺母、螺栓与螺柱焊接质量检验_第3页
3/14
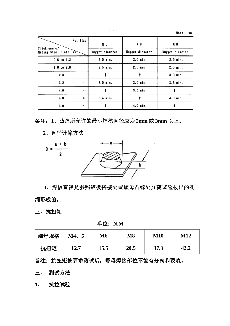
螺母焊接规范一、螺母形状和评定项目形状评定项目(需同时满足)T形外观螺纹精度保证载荷抗拉荷重和焊核直径圆形抗拉荷重和焊核直径六边形、正方形抗拉荷重、焊核直径抗扭力荷重焊封(六边形)抗拉荷重抗扭力荷重备注:抗拉荷重测试应优先与抗扭力荷重和焊核直径测量。1.1测量螺母形状,抗拉荷重测量应优先。1.2螺纹精度应满足焊接前要求。1.3保证载荷应满足焊接前的标准。1.4抗拉荷重应根据规定测试,焊接螺母上焊接部位不能有裂痕。二、抗拉荷重单位:KN螺母尺寸5681012负荷强度3.243.243.736.036.03二、焊核直径备注:1、凸焊所允许的最小焊核直径应为3mm或3mm以上。2、直径计算方法3、焊核直径是参照钢板搭接处或螺母凸缘处分离试验拔出的孔洞形成的。三、抗扭矩单位:N.M螺母规格M4、5M6M8M10M12抗扭矩12.715.520.537.342.2备注:抗扭矩按要求测试后,螺母焊接部位不能有分离和裂痕。三、测试方法1、抗拉试验2、抗扭力荷重螺栓焊接规范一、螺栓种类二、螺栓种类对应的评价项目种类评价项目等级1外观螺纹精度抗压荷重,密封性能等级2抗压荷重,焊核直径1、外观通过目测来评定,不能有变形和表面不能有污物。2、螺栓的螺纹精度应满足焊接前的要求。3、螺栓保证载荷应满足焊接前的要求。三、压溃试验备注:括号中的值时凸点的数量和直径四、焊核直径备注:1、焊核的测量2、是在搭接处由撕裂试验造成孔的大小,当搭接处的厚度为1.4mm或以上时,应满足表中焊核直径和高度。3、焊核高度是三个焊点中最小的。五、压溃试验方法点焊质量规范一、不良1、虚焊或漏焊:不能满足焊核直径和焊核高度的情况。较薄板的厚度mm最小焊核尺寸或断裂面直径mm0.5-0.790.8-0.991.0-1.241.25-1.591.6-1.993.64.04.55.05.62.0-2.492.5-3.143.15-3.543.55-3.996.37.18.08.52、边焊:a)点焊的凹陷处在边缘外的情况。如图1b)焊点凹陷处在边线之外但在被挤压变形的钣件之内,需要进行表面处理的情况。如图23、以下情况不认为是边焊a)表面不需要作外观处理,焊点凹陷处在边缘或焊点凹陷处在中间夹层钢板边缘内的情况。如图3b)凹陷处在边线以内的情况。如图4二、焊接质量1、虚焊和漏焊a)不能有虚焊和漏焊b)如不能满足1的标准,就应该补焊,但,当补焊明显降低了表面质量时,在下表规定范围内漏焊和错焊时允许的。c)在一个焊点组中,不能有两个或两个以上的连续焊点虚焊和漏焊。d)在边缘、角部以及两焊点组交叉的焊点不能有虚焊和漏焊。2、边焊a)允许边焊数量应符合下表,但是该标准不适用于边缘部分。b)不能有连续的两点或两点以上的偏焊,或者边缘和角部(如下图)的焊点不能边焊c)在图纸规定的焊点数量内,如果边焊与错焊或漏焊同时发生,就应该在该位置补焊。3、焊点外观质量:点焊后的焊点表面质量可分为以下几个级别:a)一级表面:要求钣金后没有明显的表面疤痕或不完整,且涂装看不出来,焊点压痕不能超过金属厚度的15%,且不能有飞溅。比如门、尾箱盖等。b)二级表面:要求钣金后焊点上有轻微的痕迹,焊点压痕不能超过金属厚度的20%,且无明显的飞溅。c)三级表面:焊点压痕不能超过金属厚度的25%。4、常用的检测方法a)全破坏—撕裂试验(每半年一次)b)半破坏—撬检(过程检查)c)无损检查—试片检查(过程检查)5、焊点间距a)焊点间距应符合下表。b)若不能满足上表要求,就应补焊。三、补焊程序备注:对能点焊的地方,就应实施点焊;只有在点焊不能的地方才使用CO2、保护电弧焊,在使用CO2、保护电弧焊后,只需要打磨表面和即可使用。螺柱焊接规范一、斜度焊接螺柱不能有变形或灰尘等影响其使用性能的缺陷,螺柱焊后的倾斜度在5度以内。二、抗扭强度单位:N.M螺柱规格扭力强度M4M5M62.02.53.0备注:抗扭强度只有在焊接区域脱落前钣件发生穿孔和破裂才视为合格MIG焊接规范1、焊穿钣件焊接部位熔化以及钣件反面熔化金属的熔化,可以目测检查。2、假焊未焊透,可目测钣件的熔化情况以及每半年一次的金相分析。3、焊缝长度不够下表为长度尺寸标准4、焊缝裂纹不允许有目视检查5、气孔在10mm的焊接长度上允许3处最大直径小于1.5mm的气孔。

1、当您付费下载文档后,您只拥有了使用权限,并不意味着购买了版权,文档只能用于自身使用,不得用于其他商业用途(如 [转卖]进行直接盈利或[编辑后售卖]进行间接盈利)。
2、本站所有内容均由合作方或网友上传,本站不对文档的完整性、权威性及其观点立场正确性做任何保证或承诺!文档内容仅供研究参考,付费前请自行鉴别。
3、如文档内容存在违规,或者侵犯商业秘密、侵犯著作权等,请点击“违规举报”。

碎片内容

螺母、螺栓与螺柱焊接质量检验

确认删除?
VIP
微信客服
  • 扫码咨询
会员Q群
  • 会员专属群点击这里加入QQ群
客服邮箱
回到顶部