电脑桌面
添加小米粒文库到电脑桌面
安装后可以在桌面快捷访问

用於模具设计的工业标准VIP免费

用於模具设计的工业标准_第1页
1/41
用於模具设计的工业标准_第2页
2/41
用於模具设计的工业标准_第3页
3/41
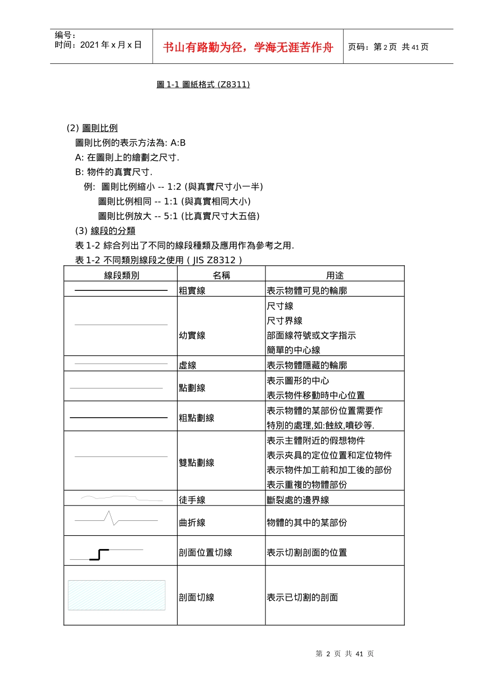
第1页共41页编号:时间:2021年x月x日书山有路勤为径,学海无涯苦作舟页码:第1页共41页第一章用於模具設計的工業標準1.1用於機械工程繪圖的工業標準一般繪圖人員對繪圖的經驗有一定的水平,他們所參照的圖方式有不同標準.以下是JIS工程繪圖的工業標準.本文只供參考,有關細節資料,可參照JIS標準(JISB0001,Z8310,Z8311,Z8312,Z8313,Z8314,Z8315,Z8316,Z8317,Z8318).(1)圖則尺寸及規格周邊表1-1列出常用的圖則尺寸分類及周邊的余量(JISB0001)單位:mm圖紙分類尺寸(AxB)C(最小)D(最不釘裝小)釘裝A0841x11892020A1594x841A2420x59425A3297x4201010A4210x297圖號更改欄圖則資料;如公司名稱,物料...第2页共41页第1页共41页编号:时间:2021年x月x日书山有路勤为径,学海无涯苦作舟页码:第2页共41页圖1-1圖紙格式(Z8311)(2)圖則比例圖則比例的表示方法為:A:BA:在圖則上的繪劃之尺寸.B:物件的真實尺寸.例:圖則比例縮小--1:2(與真實尺寸小一半)圖則比例相同--1:1(與真實相同大小)圖則比例放大--5:1(比真實尺寸大五倍)(3)線段的分類表1-2綜合列出了不同的線段種類及應用作為參考之用.表1-2不同類別線段之使用(JISZ8312)線段類別名稱用途粗實線表示物體可見的輪廓幼實線尺寸線尺寸界線部面線符號或文字指示簡單的中心線虛線表示物體隱藏的輪廓點劃線表示圖形的中心表示物件移動時中心位置粗點劃線表示物體的某部份位置需要作特別的處理,如:蝕紋,噴砂等.雙點劃線表示主體附近的假想物件表示夾具的定位位置和定位物件表示物件加工前和加工後的部份表示重複的物體部份徒手線斷裂處的邊界線曲折線物體的其中的某部份剖面位置切線表示切割剖面的位置剖面切線表示已切割的剖面第3页共41页第2页共41页编号:时间:2021年x月x日书山有路勤为径,学海无涯苦作舟页码:第3页共41页例1:多種線段例圖1粗實線8徒手線2曲折線9點劃線3剖面切線10幼實線4粗實線11雙點劃線5幼實線12幼實線6虛線13幼實線7剖面位置切線例2:表示附近配合物件雙點划線例3:R的中心尺寸及位置雙點劃線例4:表示屈曲前尺寸點劃線雙點劃線第4页共41页第3页共41页编号:时间:2021年x月x日书山有路勤为径,学海无涯苦作舟页码:第4页共41页例5:表示延長物件雙點劃線(4)文字的使用圖1-2為常用的文字格式及尺寸可供參考使用(非1:1比例)高9mm1234567890高4.5mm1234567890高6.3mmABCDEFGHIJKLMNOPQRSTUVWXYZabcdefghijklmnopqrstuvwxyz圖1-2文字規格(JISZ8313)(5)投影方法圖1-3及1-4分別表示第三角投影方法所得出的投影面及用於表示第三角投影的標記.第5页共41页第4页共41页编号:时间:2021年x月x日书山有路勤为径,学海无涯苦作舟页码:第5页共41页A:前視B:上視C:左視D:右視E:底視F:背視圖1-3第三角投影方法(JISZ8315)圖1-4用於第三角投影的標記(JISZ8315)(6)視圖方法圖1-5及1-6為切面視圖的繪劃方法(JISZ8316)圖1-5第6页共41页第5页共41页编号:时间:2021年x月x日书山有路勤为径,学海无涯苦作舟页码:第6页共41页圖1-6(7)尺寸標示法圖1-7表示常用的尺寸標注方式(1)邊長(2)弦長(3)弧長(4)角度(a)箭頭式(b)斜線式(c)點式圖1-7不同類型的尺寸標注方式(JISZ8317)注:在同一張圖紙上.除非有特別情形,如空間太少放不下箭頭等,否則不應該將(a),(b),(c)三種不同的尺寸標示混合來用.例6:機械工程繪圖--尺寸標注第7页共41页第6页共41页编号:时间:2021年x月x日书山有路勤为径,学海无涯苦作舟页码:第7页共41页(8)零件編碼(JISB0001)常用的零件編碼方式有下列兩種:(9)圖則更新如圖則於發出後,尺寸或工差有所更改,必需將圖紙更新及重新發放,更新方法可參閱如下:圖則更新記號更改項目姓名日期1Dim76was72BXP19/09/98圖紙上更改欄圖1-8圖則更新方法一般更改方式有二.一為直接將舊有尺寸劃去,然後在旁寫上正確尺寸及更新記號.二為把舊的尺寸擦去,寫上新的尺寸並且在旁邊加上更新記號.不管是使用第一種或第二種更改方式,都要在圖紙的更改欄上寫上第幾次更改的符號.更改日期,由誰人更改等.若使用第二種更改方法.則更改欄上的更改項目要注明更改前的日期.第8页共41页第7页共41页编号:时间:2021年x月x日书山有路勤为径,学海无涯苦作舟页码:第8页共41页1.2...

1、当您付费下载文档后,您只拥有了使用权限,并不意味着购买了版权,文档只能用于自身使用,不得用于其他商业用途(如 [转卖]进行直接盈利或[编辑后售卖]进行间接盈利)。
2、本站所有内容均由合作方或网友上传,本站不对文档的完整性、权威性及其观点立场正确性做任何保证或承诺!文档内容仅供研究参考,付费前请自行鉴别。
3、如文档内容存在违规,或者侵犯商业秘密、侵犯著作权等,请点击“违规举报”。

碎片内容

用於模具设计的工业标准

您可能关注的文档

确认删除?
VIP
微信客服
  • 扫码咨询
会员Q群
  • 会员专属群点击这里加入QQ群
客服邮箱
回到顶部